电脑桌面
添加小米粒文库到电脑桌面
安装后可以在桌面快捷访问

浙江大学化工原理(过程工程与控制乙)实验报告传热综合实验VIP免费

浙江大学化工原理(过程工程与控制乙)实验报告传热综合实验_第1页
1/7
浙江大学化工原理(过程工程与控制乙)实验报告传热综合实验_第2页
2/7
浙江大学化工原理(过程工程与控制乙)实验报告传热综合实验_第3页
3/7
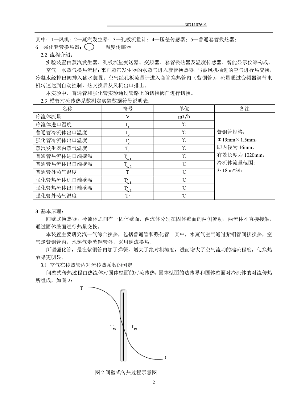
3 0 7 1 1 0 2 6 9 1 1 实 验 报 告 课程名称:过程工程原理实验(乙) 指导老师: 成绩:_ _ _ _ _ _ _ _ _ _ _ _ _ _ _ _ _ _ 实验名称:传热综合实验 实验类型:工程实验 同组学生姓名:_ 张子宽、王浩、任欣 一、实验目的和要求(必填) 二、实验内容和原理(必填) 三、主要仪器设备(必填) 四、操作方法和实验步骤 五、实验数据记录和处理 六、实验结果与分析(必填) 七、讨论、心得 横管对流传热系数的测定 1 实验目的: 1 .1 掌握空气在普通和强化传热管内的对流传热系数的测定方法,了解影响传热系数的因素和强化传热的途径。 1 .2 把测得的数据整理成Nu = BRen形式的准数方程式,并与教材中相应公式进行比较。 1 .3 了解温度、加热功率、空气流量的自动控制原理和使用方法。 2 装置与流程: 2 .1 实验装置如图 1 所示: 5 6 3 图 1 .装置示意图 专业:高分子 姓名:_ 吴钰龙 学号:3 0 7 1 1 0 2 6 9 1 日期:2 0 0 9 .1 0 .1 5 地点:教十 1 2 0 6 1 2 4 3071102691 2 其中:1—风机;2—蒸汽发生器;3—孔板流量计;4—压差传感器;5—普通套管换热器; 6—强化套管换热器; — 温度传感器 2.2 流程介绍: 实验装置由蒸汽发生器、孔板流量变送器、变频器、套管换热器及温度传感器、智能显示仪等构成。 空气—水蒸气换热流程:来自蒸汽发生器的水蒸气进入套管换热器,与被风机抽进的空气进行热交换,冷凝水经排出阀排入盛水装置。空气经孔板流量计进入套管换热管内(紫铜管),流量通过变频器调节电机转速达到自动控制,热交换后从风机出口排出。 本实验中,普通管和强化管实验通过管路上的切换阀门进行切换。 2.3 横管对流传热系数测定实验数据符号说明表: 名称 符号 单位 备注 冷流体流量 V m3/h 紫铜管规格: Φ19mm×1.5mm, 即内径为 16mm, 有效长度为 1020mm, 冷流体流量范围: 3~ 18 m^3/h 冷流体进口温度 t1 ℃ 普通管冷流体出口温度 t2 ℃ 强化管冷流体出口温度 t2′ ℃ 蒸汽发生器内蒸气温度 T1 ℃ 普通管热流体进口端壁温 Tw1 ℃ 普通管热流体出口端壁温 Tw2 ℃ 普通管外蒸气温度 T ℃ 强化管热流体进口端壁温 Tw1′ ℃ 强化管热流体出口端壁温 Tw2′ ℃ 强化管外蒸气温度 T′ ℃ 3 基本原理: 间壁式换热器:冷流体之间有一固体壁面,两流体...

1、当您付费下载文档后,您只拥有了使用权限,并不意味着购买了版权,文档只能用于自身使用,不得用于其他商业用途(如 [转卖]进行直接盈利或[编辑后售卖]进行间接盈利)。
2、本站所有内容均由合作方或网友上传,本站不对文档的完整性、权威性及其观点立场正确性做任何保证或承诺!文档内容仅供研究参考,付费前请自行鉴别。
3、如文档内容存在违规,或者侵犯商业秘密、侵犯著作权等,请点击“违规举报”。

碎片内容

浙江大学化工原理(过程工程与控制乙)实验报告传热综合实验

您可能关注的文档

确认删除?
VIP
微信客服
  • 扫码咨询
会员Q群
  • 会员专属群点击这里加入QQ群
客服邮箱
回到顶部