电脑桌面
添加小米粒文库到电脑桌面
安装后可以在桌面快捷访问

完整版试验验证报告VIP免费

完整版试验验证报告_第1页
1/8
完整版试验验证报告_第2页
2/8
完整版试验验证报告_第3页
3/8
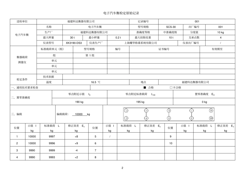
《电子汽车衡(衡器载荷测量仪法)》检定规程试验验证报告《电子汽车衡(衡器载荷测量仪法) 》检定规程起草小组2015 年 3 月1 《电子汽车衡(衡器载荷测量仪法)》检定规程试验验证报告1目的通过对具有代表性的电子汽车衡进行试验的方法,验证所修订的 《电子汽车衡(衡器载荷测量仪法) 》检定规程的科学性、合理性和可行性。2验证方法在规程修订过程中, 修订小组做了大量的试验, 为规程的修订积累了充足的试验数据和经验,使规程得以顺利编制完成。现在,规程已基本编制完毕,为验证其科学性、 合理性和可行性, 选取了市场上占有率最大, 且最具代表性的电子汽车衡( SCS-30、SCS-80、SCS-150),分别由福建省计量科学研究院、厦门市计量测试院和泉州市计量所使用衡器载荷测量仪,依据修订后的检定规程逐条进行试验,并按规程附录所提供的检定记录格式出具检定记录(见附录)。3试验数据分析(1)对规程第 6 条通用技术要求进行了逐条检查,被检汽车衡完全符合要求。起草小组认为,规程所规定的通用技术要求能够涵盖电子汽车衡的技术要求,包含了完整的计量法制标志和计量器具标识要求。通用技术要求完整、 充分,操作简单易行。(2)按规程要求对汽车衡计量性能进行逐项检定,包括置零准确度、 偏载、称量性能、重复性、除皮准确度和除皮后称量性能,被检汽车衡完全符合要求。通过计量性能检定, 起草小组认为规程所规定的计量性能要求、计量标准和检定方法完整、充分、可行,能够保证对电子汽车衡的各项计量性能的考核,通过检定后, 能够保证电子汽车衡的计量性能的准确可靠。规程中第 7 条规定的检定方法严谨可靠, 且充分考虑了电子汽车衡的被检状态和使用状态的一致性,具有较强的可操作性。4验证结论经验证,本规程所规定的计量性能要求、 通用技术要求及检定方法能够符合电子汽车衡的检定要求,各项要求充分、合理,检定方法严谨、可行,规程具备了科学性、 合理性和可行性。 依据本规程对电子汽车衡检定,能够保证计量性能的准确可靠。2 电子汽车衡检定原始记录送检单位福建科达衡器有限公司记录编号001 电子汽车衡名称电子汽车衡型号规格SCS-30 出厂编号001 生产厂福建科达衡器有限公司准确度等级中准确度级分度值10 kg 最大秤量30 t 最小秤量0.2 t 最大扣除皮重10 t 支承点数4 仪表型号XK3190-DS3 仪表生产厂上海耀华称重系统有限公司仪表出厂编号/ 衡器载荷测量仪标准载荷单元(组)型...

1、当您付费下载文档后,您只拥有了使用权限,并不意味着购买了版权,文档只能用于自身使用,不得用于其他商业用途(如 [转卖]进行直接盈利或[编辑后售卖]进行间接盈利)。
2、本站所有内容均由合作方或网友上传,本站不对文档的完整性、权威性及其观点立场正确性做任何保证或承诺!文档内容仅供研究参考,付费前请自行鉴别。
3、如文档内容存在违规,或者侵犯商业秘密、侵犯著作权等,请点击“违规举报”。

碎片内容

完整版试验验证报告

您可能关注的文档

确认删除?
VIP
微信客服
  • 扫码咨询
会员Q群
  • 会员专属群点击这里加入QQ群
客服邮箱
回到顶部