电脑桌面
添加小米粒文库到电脑桌面
安装后可以在桌面快捷访问

实时时钟参考程序资料VIP免费

实时时钟参考程序资料_第1页
1/10
实时时钟参考程序资料_第2页
2/10
实时时钟参考程序资料_第3页
3/10
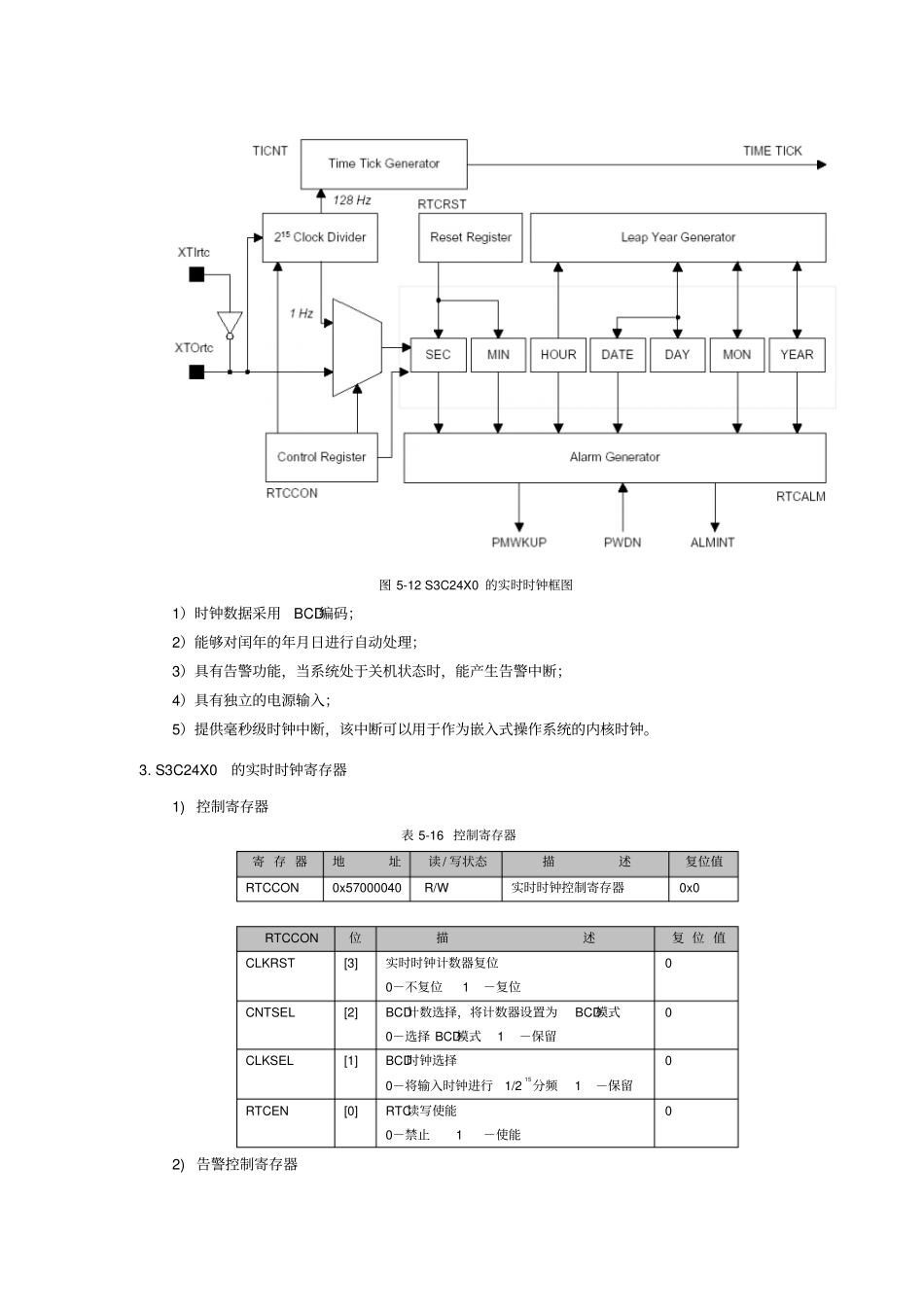
5.6 实时时钟实验5.6.1 实验目的1. 了解实时时钟在嵌入式系统中的作用;2. 掌握实时时钟的使用。5.6.2 实验内容1. 编程实现实时时钟功能,每秒显示实时时钟;2. 编程实现实时时钟告警功能。5.6.3 预备知识1. 了解 ADT集成开发环境的基本功能;2. 学习 S3C24X0的实时时钟模块的使用。5.6.4 实验设备1. 硬件: JXARM9-2440教学实验箱、 PC机;2. 软件: PC机操作系统 Windows 98(2000 、XP) + ADT IDE 开发环境。5.6.5 基础知识1. 实时时钟在嵌入式系统中的作用在一个嵌入式系统中,实时时钟单元可以提供可靠的时钟,包括时、分、秒和年、月、日;即使在系统处于关机状态下它也能够正常工作(通常采用后备电池供电),它的外围也不需要太多的辅助电路,典型的就是只需要一个高精度的晶振。2. S3C24X0的实时时钟单元下图为 S3C24X0的实时时钟框图。它具有以下特点:图 5-12 S3C24X0 的实时时钟框图1)时钟数据采用BCD编码;2)能够对闰年的年月日进行自动处理;3)具有告警功能,当系统处于关机状态时,能产生告警中断;4)具有独立的电源输入;5)提供毫秒级时钟中断,该中断可以用于作为嵌入式操作系统的内核时钟。3. S3C24X0的实时时钟寄存器1) 控制寄存器表 5-16 控制寄存器寄 存 器地址读 / 写状态描述复位值RTCCON 0x57000040 R/W 实时时钟控制寄存器0x0 RTCCON 位描述复 位 值CLKRST [3] 实时时钟计数器复位0-不复位 1-复位0 CNTSEL [2] BCD计数选择,将计数器设置为BCD模式0-选择 BCD模式 1-保留0 CLKSEL [1] BCD时钟选择0-将输入时钟进行1/215分频 1-保留0 RTCEN [0] RTC读写使能0-禁止 1-使能0 2) 告警控制寄存器表 5-17 告警控制寄存器寄 存 器地址读 / 写状态描述复 位值RTCALM 0x57000050 R/W 告警控制寄存器0x00 RTCALM 位描述复位值Reserved [7] 保留0 ALMEN [6] 时钟告警总使能 / 禁止0-禁止 1-使能0 YEAREN [5] 年时钟告警使能 / 禁止0-禁止 1-使能0 MONREN [4] 月时钟告警使能 / 禁止0-禁止 1-使能0 DAYEN [3] 日时钟告警使能 / 禁止0-禁止 1-使能0 HOUREN [2] 时时钟告警使能 / 禁止0-禁止 1-使能0 MINEN [1] 分时钟告警使能 / 禁止0-禁止 1-使能0 SECEN [0] 秒时钟告警使能 / 禁止0-禁止 1-使能0 3) 实时时钟计数器表 5-18 实时时钟计数器寄存器地址读写描述复位值TICNT...

1、当您付费下载文档后,您只拥有了使用权限,并不意味着购买了版权,文档只能用于自身使用,不得用于其他商业用途(如 [转卖]进行直接盈利或[编辑后售卖]进行间接盈利)。
2、本站所有内容均由合作方或网友上传,本站不对文档的完整性、权威性及其观点立场正确性做任何保证或承诺!文档内容仅供研究参考,付费前请自行鉴别。
3、如文档内容存在违规,或者侵犯商业秘密、侵犯著作权等,请点击“违规举报”。

碎片内容

实时时钟参考程序资料

您可能关注的文档

确认删除?
VIP
微信客服
  • 扫码咨询
会员Q群
  • 会员专属群点击这里加入QQ群
客服邮箱
回到顶部