电脑桌面
添加小米粒文库到电脑桌面
安装后可以在桌面快捷访问

室内给水管道安装施工标准VIP免费

室内给水管道安装施工标准_第1页
1/50
室内给水管道安装施工标准_第2页
2/50
室内给水管道安装施工标准_第3页
3/50
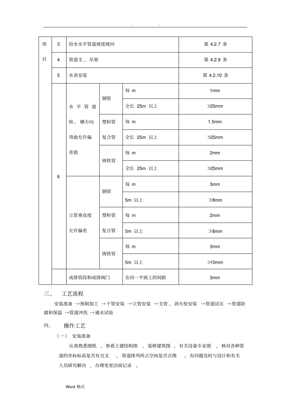
. . Word 格式建筑安装工程技术交底室内给水管道安装工程标准一、施工准备(一)作业条件1、地下管道铺设必须在房心土回填夯实或挖到管底标高,沿管线铺设位置清理干净, 管道穿墙处巳留管洞或安装套管,其洞口尺寸和套管规格符合要求, 坐标、标高正确 。2、暗装管道应在地沟盖板前或吊顶封闭前进行安装。3、明装托 、吊干管安装必须在安装层的结构顶板完成后进行。 沿管线安装位置的模板及杂物清理干净,托吊卡件均已安装牢固,位置正确 。4、立管安装宜在主体结构完成后进行。高层建筑在主体结构达到安装条件后, 适当插入进行 。 每层均应有明确的标高线,暗装竖井管道 ,应把竖井内的模板及杂物清除干净 ,并有防坠落措施。5、支管安装应在墙体砌筑完毕墙面未装修前进行。(二)材料要求1、铸铁给水管及管件质量标准应执行YB/T5188 、GB3287 。其规格尺寸应符合设计要求 ,管壁厚度均匀 ,内外光滑整洁 ,不得有砂眼 、裂纹 、毛刺和疙瘩 ; 承插口的内外径及管件应造型规矩,管内外表面的防腐涂层应整洁均匀,附着牢固。室外给水铸铁管安装多数采用橡胶圈接口,管道与橡胶圈采用同一厂家产品 ,已经配好橡胶圈。给水铸铁管件采用自来水公司配套产品。手锤轻轻敲打,沙沙声说明质量不好,应检查是否有裂缝;用锤击断管壁 ,断面呈灰色 ,组织均匀 、紧密 、细颗粒为合格 。2、镀锌给水管及管件质量标准应执行GB/T3091 。其规格种类应符合设计要求,管内外镀锌均匀,无锈蚀 ,无毛刺 。管件无偏扣 、乱扣 、丝扣不全或角度不准等现象 。将几个相同直径的管件串起来,看是否乱扣 、偏扣 、角度不准 ,然后试压 。3、消火栓系统管材按设计要求选用,一般采用碳素钢管或无缝钢管,管材不得有弯曲 、锈蚀 、 重皮及凹凸不平等现象。4、消火栓箱体的规格型号应符合设计图纸要求, 箱体表面平整 、光洁 ,无锈蚀 、划伤 ,箱门开启灵活 。箱体方正 ,箱内配件齐全 。栓阀外形规矩 ,无裂纹 , 启闭灵活 ,关闭严密 ,密封填料完好 。. . Word 格式5、水表的规格应符合设计图纸要求,其中每户使用DN15 水表 。热水系统选用符合温度要求的热水表。表壳铸造规矩 ,无砂眼 、裂纹 ,表玻璃盖无损坏,铅封完整 。6、阀门的规格型号应符合设计要求,热水系统阀门符合温度要求。阀体铸造规矩,表面光洁 ,无裂纹 ,开关灵活 ,关闭严密 ,填料密封完好无渗漏,手轮完整无损坏 , 干...

1、当您付费下载文档后,您只拥有了使用权限,并不意味着购买了版权,文档只能用于自身使用,不得用于其他商业用途(如 [转卖]进行直接盈利或[编辑后售卖]进行间接盈利)。
2、本站所有内容均由合作方或网友上传,本站不对文档的完整性、权威性及其观点立场正确性做任何保证或承诺!文档内容仅供研究参考,付费前请自行鉴别。
3、如文档内容存在违规,或者侵犯商业秘密、侵犯著作权等,请点击“违规举报”。

碎片内容

室内给水管道安装施工标准

您可能关注的文档

确认删除?
VIP
微信客服
  • 扫码咨询
会员Q群
  • 会员专属群点击这里加入QQ群
客服邮箱
回到顶部