电脑桌面
添加小米粒文库到电脑桌面
安装后可以在桌面快捷访问

08工程量清单规范措施清单项目及计算规则(浙江省补充)2009125附件2VIP免费

08工程量清单规范措施清单项目及计算规则(浙江省补充)2009125附件2_第1页
1/15
08工程量清单规范措施清单项目及计算规则(浙江省补充)2009125附件2_第2页
2/15
08工程量清单规范措施清单项目及计算规则(浙江省补充)2009125附件2_第3页
3/15
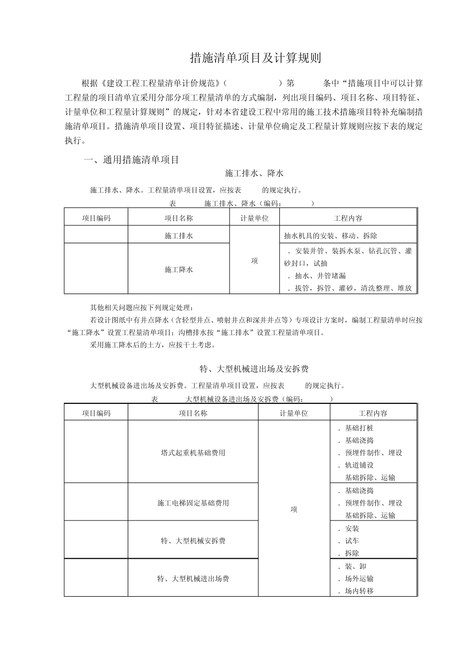
措施清单项目及计算规则 根据《建设工程工程量清单计价规范》(GB50500-2008)第3.3.2条中“措施项目中可以计算工程量的项目清单宜采用分部分项工程量清单的方式编制,列出项目编码、项目名称、项目特征、计量单位和工程量计算规则”的规定,针对本省建设工程中常用的施工技术措施项目特补充编制措施清单项目。措施清单项目设置、项目特征描述、计量单位确定及工程量计算规则应按下表的规定执行。 一、通用措施清单项目 T.1 施工排水、降水 T.1.1 施工排水、降水。工程量清单项目设置,应按表T.1.1的规定执行。 表 T.1.1 施工排水、降水(编码:000001) 项目编码 项目名称 计量单位 工程内容 000001001 施工排水 项 抽水机具的安装、移动、拆除 000001002 施工降水 1.安装井管、装拆水泵、钻孔沉管、灌砂封口,试抽 2.抽水、井管堵漏 3.拔管,拆管、灌砂,清洗整理、堆放 T.1.2 其他相关问题应按下列规定处理: 1 若设计图纸中有井点降水(含轻型井点、喷射井点和深井井点等)专项设计方案时,编制工程量清单时应按“施工降水”设置工程量清单项目;沟槽排水按“施工排水”设置工程量清单项目。 2 采用施工降水后的土方,应按干土考虑。 T.2 特、大型机械进出场及安拆费 T.2.1 大型机械设备进出场及安拆费。工程量清单项目设置,应按表T.2.1的规定执行。 表 T.2.1 大型机械设备进出场及安拆费(编码:000002) 项目编码 项目名称 计量单位 工程内容 000002001 塔式起重机基础费用 项 1.基础打桩 2.基础浇捣 3.预埋件制作、埋设 4.轨道铺设 5. 基础拆除、运输 000002002 施工电梯固定基础费用 1.基础浇捣 2.预埋件制作、埋设 3. 基础拆除、运输 000002003 特、大型机械安拆费 1.安装 2.试车 3.拆除 000002004 特、大型机械进出场费 1.装、卸 2.场外运输 3.场内转移 二、专业工程措施清单项目 (一)建筑工程 A.9 混凝土、钢筋混凝土模板及支架工程 A.9.1 现浇基础模板。工程量清单项目设置及工程量计算规则,应按表 A.9.1的规定执行。 表 A.9.1 现浇基础模板(编码:010901) 项目编码 项目名称 项目特征 计量单位 工程量计算规则 工程内容 010901001 基础模板 1.基础类型 2.设备基础单个块体体积 3.弧形基础长度 m2 按混凝土与模板接触面的面积计算 1.模板制作、安装、拆除、维护、整理、堆放及场内外运输 2.模板粘接物及模内杂物...

1、当您付费下载文档后,您只拥有了使用权限,并不意味着购买了版权,文档只能用于自身使用,不得用于其他商业用途(如 [转卖]进行直接盈利或[编辑后售卖]进行间接盈利)。
2、本站所有内容均由合作方或网友上传,本站不对文档的完整性、权威性及其观点立场正确性做任何保证或承诺!文档内容仅供研究参考,付费前请自行鉴别。
3、如文档内容存在违规,或者侵犯商业秘密、侵犯著作权等,请点击“违规举报”。

碎片内容

08工程量清单规范措施清单项目及计算规则(浙江省补充)2009125附件2

您可能关注的文档

确认删除?
VIP
微信客服
  • 扫码咨询
会员Q群
  • 会员专属群点击这里加入QQ群
客服邮箱
回到顶部