电脑桌面
添加小米粒文库到电脑桌面
安装后可以在桌面快捷访问

NE555内部结构及应用电路VIP免费

NE555内部结构及应用电路_第1页
1/20
NE555内部结构及应用电路_第2页
2/20
NE555内部结构及应用电路_第3页
3/20
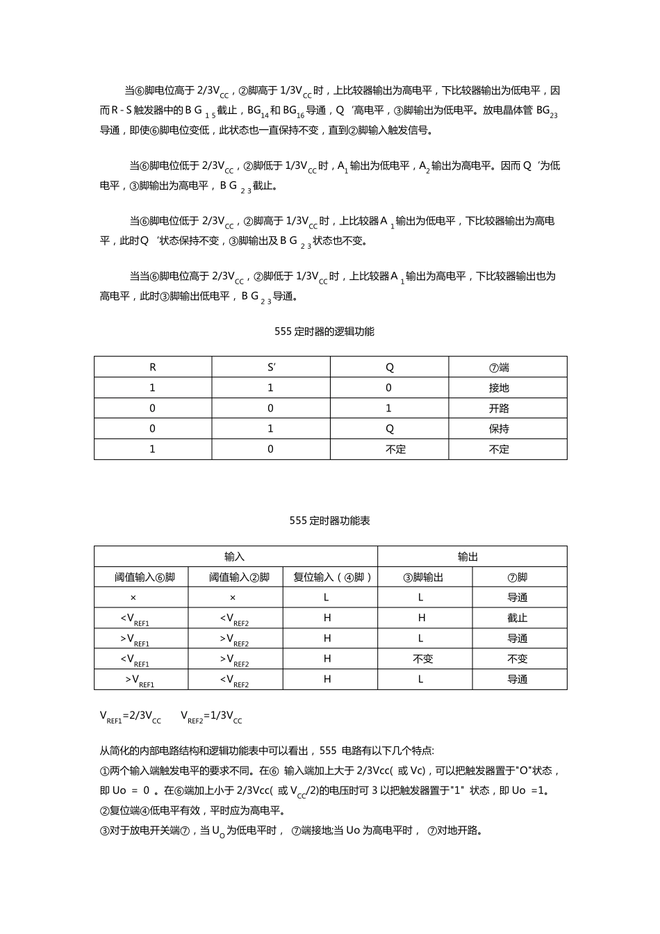
555 定时器及其应用 555 定 时 器 是 一 种 中 规 模 的 集 成 定 时 器 , 应 用 非 常 广 泛 。 通 常 只 需 外 接 几 个 阻 容 元 件 , 就 可 以 构 成 各种 不 同 用 途 的 脉 冲 电 路 , 如 多 谐 振 荡 器 、单稳态触发器 以 及施密特触发器 等。 555 定 时 器 有 TTL 集 成 定 时器 和 CMOS 集 成 定 时 器 , 它们的 逻辑功能与外 引线排列都完全相同 。 TTL 型号最后数码为 555, CMOS型号最后数码为 7555。 一 、555 的 结构 组成 和工作原理 555 定 时 器 是 一 种 模 拟电 路 和数字电 路 相结合的 器 件 , 下图为其内部组成 和引脚图。 内部电 路 原理图 等效逻辑图 引脚图 由 图 知 , 电 路 由 一 个 分 压 器 , 两 个 电 压 比 较 器 , 一 个 R-S 触 发 器 , 一 个 功 率 输 出 级 和 一 个 放 电 晶体 管 组 成 。 比 较 器 A1 为 上 比 较 器 , 由 BG1~BG8 组 成 , 它 是 由 一 个 NPN 管 的 复 合 结 构 做 输 出 级 的 两 级 差 分 放大 器 。 上 比 较 器 的 反 相 输 入 端 固 定 设 置 在 2/3VCC 上 , 它 的 同 相 输 入 端 ⑥ 脚 称 作 阈 值 端 ( 或 高 触 发 端 ) , 常用 来 测 外 部 时 间 常 数 回 路 电 容 上 的 电 压 。 比 较 器 A2 为 下 比 较 器 , 由 BG9~BG13 组 成 , 它 是 由 一 个 PNP 管 组 成 的 复 合 输 出 级 的 差 分 放 大 器 。上 比 较 器 的 同 相 输 入 端 固 定 设 置 在 1/3VCC 上 , 反 向 入 端 ② 脚 称 作 触 发 输 入 端 , 用 来 启 动 电 路 。 电 路 中 的 比 较 器 的 主 要 功 能 是 对 输 入 电 压 和 分 压 器 形 成 的 基 准 电 压 进 行 比 较 ,把 比 较 的 结 果 用 高 电 平"1 "或 低 电 平 "0" 两 种 状 态 在 其 输 出 端 表 现 出 来 。 555 电 路 中 的 R-S 触 发 器 是 由 两 个 与 非 门 交 叉 连 接 , 上 图 中 是 由 BG14~BG18 构 成 。 其 中 BG15 和 BG14 的 基 极 分 别 受...

1、当您付费下载文档后,您只拥有了使用权限,并不意味着购买了版权,文档只能用于自身使用,不得用于其他商业用途(如 [转卖]进行直接盈利或[编辑后售卖]进行间接盈利)。
2、本站所有内容均由合作方或网友上传,本站不对文档的完整性、权威性及其观点立场正确性做任何保证或承诺!文档内容仅供研究参考,付费前请自行鉴别。
3、如文档内容存在违规,或者侵犯商业秘密、侵犯著作权等,请点击“违规举报”。

碎片内容

NE555内部结构及应用电路

您可能关注的文档

确认删除?
VIP
微信客服
  • 扫码咨询
会员Q群
  • 会员专属群点击这里加入QQ群
客服邮箱
回到顶部