电脑桌面
添加小米粒文库到电脑桌面
安装后可以在桌面快捷访问

NE555详细介绍和引脚图VIP免费

NE555详细介绍和引脚图_第1页
1/6
NE555详细介绍和引脚图_第2页
2/6
NE555详细介绍和引脚图_第3页
3/6
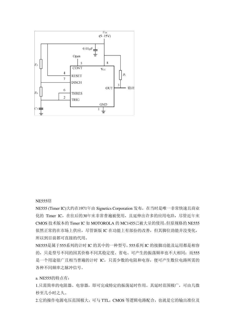
NE555 (Timer IC)大约在1971 年由Signetics Corporation 发布,在当时是唯一非常快速且商业化的Timer IC,在往后的30 年来非常普遍被使用,且延伸出许多的应用电路,尽管近年來 CMOS 技术版本的Timer IC 如MOTOROLA 的MC1455 已被大量的使用,但原规格的NE555 依然正常的在市场上供应,尽管新版IC 在功能上有部份的改善,但其脚位劲能并没变化,所以到目前都可直接的代用。 NE555 是属于555 系列的计时IC 的其中的一种型号,555 系列IC 的接脚功能及运用都是相容的,只是型号不同的因其价格不同其稳定度、省电、可产生的振荡频率也不大相同;而 555 是一个用途很广且相当普遍的计时IC,只需少数的电阻和电容,便可产生数位电路所需的各种不同频率的脉波讯号。 a. NE555 的特点有: 1.只需简单的电阻器、电容器,即可完成特定的振荡延时作用。其延时范围极广,可由几微秒至几小时之久。 2.它的操作电源范围极大,可与TTL,CMOS 等逻辑闸配合,也就是它的输 出准 位及输 入 触 发准 位,均 能与这 些 逻辑系列的高 、低 态 组 合。 3.其输 出端 的供给 电流 大,可直接推 动 多种自 动 控 制 的负 载 。 4.它的计时精 确 度高 、温 度稳定度佳 ,且价格便宜 。 b. NE555 引 脚位配置 说 明 下 : NE555 接脚图 ne555 的结 构 图 Pin 1 (接地 ) -地 线 (或 共 同接地 ) ,通 常被连 接到电路共 同接地 。 Pin 2 (触 发点) -这 个脚位是触 发NE555 使其启 动 它的时间 周 期 。触 发信 号上缘电压 须 大于2/3 VCC,下 缘 须 低 于1/3 VCC 。 Pin 3 (输 出) -当时间 周 期 开 始555 的输 出输 出脚位,移 至比 电源电压 少 1.7 伏的高 电位。周 期 的结 束 输 出回 到O 伏 左 右 的低 电位。于高 电位时的最 大输 出电流 大约200 mA 。 Pin 4 (重置) -一个低逻辑电位送至这个脚位时会重置定时器和使输出回到一个低电位。它通常被接到正电源或忽略不用。 Pin 5 (控制) -这个接脚准许由外部电压改变触发和闸限电压。当计时器经营在稳定或振荡的运作方式下,这输入能用来改变或调整输出频率。 Pin 6 (重置锁定) - Pin 6 重置锁定并使输出呈低态。当这个接脚的电压从1/3 VCC 电压以下移至2/3 VCC 以上时启动这个动作。 Pin 7 (放电) -这个接脚和主要的输出接脚有相同的电流...

1、当您付费下载文档后,您只拥有了使用权限,并不意味着购买了版权,文档只能用于自身使用,不得用于其他商业用途(如 [转卖]进行直接盈利或[编辑后售卖]进行间接盈利)。
2、本站所有内容均由合作方或网友上传,本站不对文档的完整性、权威性及其观点立场正确性做任何保证或承诺!文档内容仅供研究参考,付费前请自行鉴别。
3、如文档内容存在违规,或者侵犯商业秘密、侵犯著作权等,请点击“违规举报”。

碎片内容

NE555详细介绍和引脚图

您可能关注的文档

确认删除?
VIP
微信客服
  • 扫码咨询
会员Q群
  • 会员专属群点击这里加入QQ群
客服邮箱
回到顶部