电脑桌面
添加小米粒文库到电脑桌面
安装后可以在桌面快捷访问

PLC控制LED灯数码显示控制程序VIP免费

PLC控制LED灯数码显示控制程序_第1页
1/6
PLC控制LED灯数码显示控制程序_第2页
2/6
PLC控制LED灯数码显示控制程序_第3页
3/6
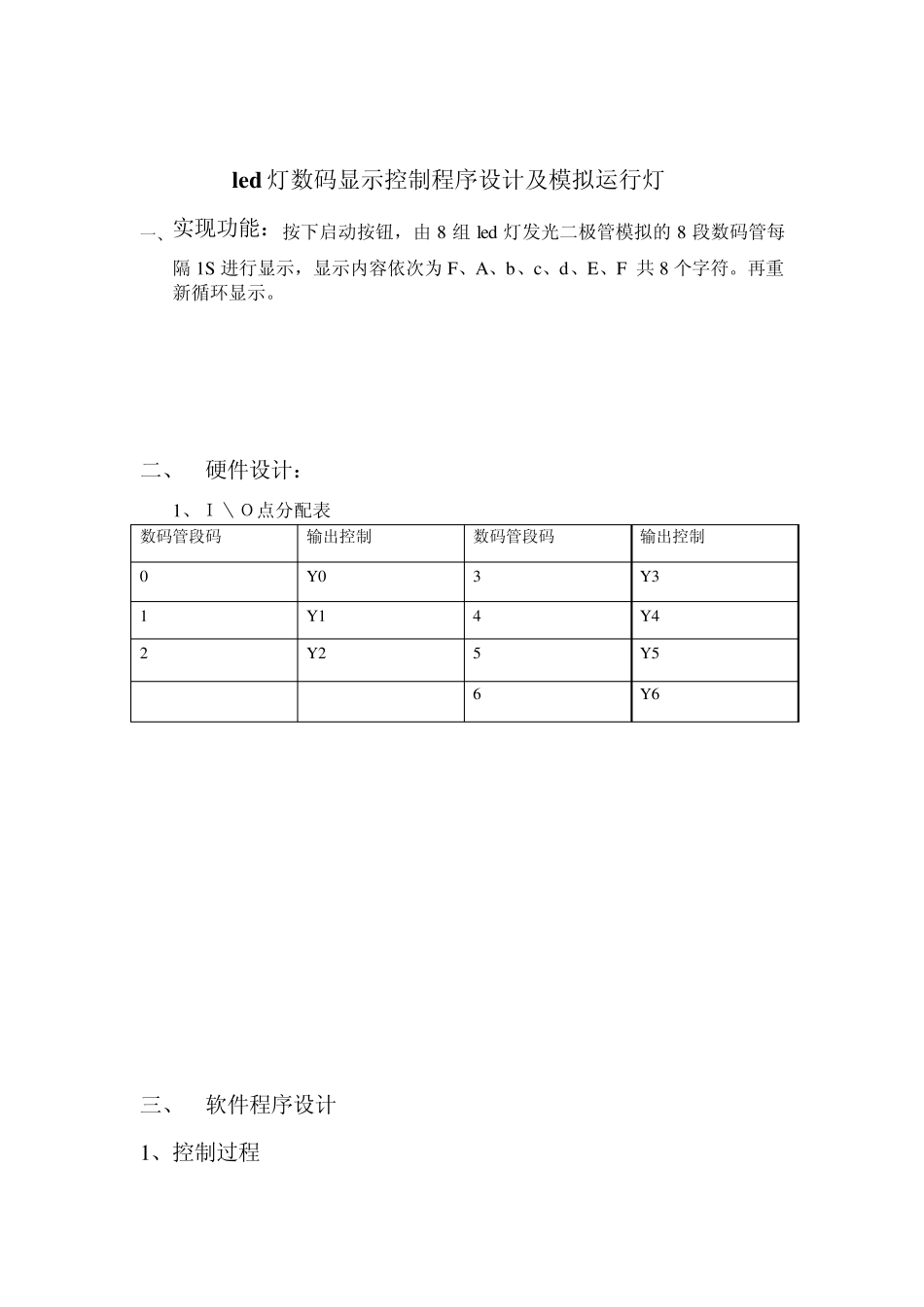
led 灯数码显示控制程序设计及模拟运行灯 一、实现功能:按下启动按钮,由 8 组 led 灯发光二极管模拟的 8 段数码管每隔 1S 进行显示,显示内容依次为 F、A、b、c、d、E、F 共 8 个字符。再重新循环显示。 二、 硬件设计: 1、I\O点分配表 数码管段码 输出控制 数码管段码 输出控制 0 Y0 3 Y3 1 Y1 4 Y4 2 Y2 5 Y5 6 Y6 三、 软件程序设计 1、控制过程 闭合输入继电器x0,程序开始工作。M0 吸合,LED 灯数码显示A,随后依次、b、c、d、E、F。 2、控制梯形图 永久脱毛方法 激光永久脱毛 怎么永久脱毛 上海伊莱美整形医院 上海伊莱美医疗美容医院 上海伊莱美美容整容医院 超声波去眼袋 激光祛眼袋价格 射频消融去眼袋手术 去黑眼圈手术多少钱 激光去黑眼圈多少钱 黑眼圈可以手术吗 冷光牙齿美白多少钱 美白牙齿多少钱 怎样美白牙齿 隆鼻手术多少钱 隆鼻前后对比图 隆鼻失败怎么办 洗纹身多少钱 洗纹身疼吗 洗纹身会留疤吗 3 、语句表 4 、仿真截图 5 、实物照片 五、实训心得 在实习中,我们在指导教师的帮助下,将所学知识和实习内容相互结和、相互验证,并对一些实际问题加以分析和讨论。电子实习是我们重要的电工电子技术基础实践课,培养学生的动手操作能力就显得尤为重要。通过实习加深对课堂知识的理解,初步了解和掌握一般的电工电子工艺技能,了解电工电子产品生产过程。 通过电机与控制模块实训,我确实是学到了很多知识,拓展了自己的的视野。通过这一次的电机与控制模块实训,增强了我的动手操作的能力。 电子实习我们已经做过很多次了,这一次是专业的综合实习,包括以前我们没做过的 p lc。从实习的整个过程中,使我认识到自己的不足,比如对以前学的知识都忘记了很多,对自己学过的知识还不能灵活的应用到实际中。也就是对所学的知识掌握的不够熟练。我们应该随时把学过的知识拿出来复习,提高自己的基础知识和综合应用能力。 通过这一次的电子电工的实训,也培养了我们的规范化的工作作风,以及我们的团结协作的团队的精神。

1、当您付费下载文档后,您只拥有了使用权限,并不意味着购买了版权,文档只能用于自身使用,不得用于其他商业用途(如 [转卖]进行直接盈利或[编辑后售卖]进行间接盈利)。
2、本站所有内容均由合作方或网友上传,本站不对文档的完整性、权威性及其观点立场正确性做任何保证或承诺!文档内容仅供研究参考,付费前请自行鉴别。
3、如文档内容存在违规,或者侵犯商业秘密、侵犯著作权等,请点击“违规举报”。

碎片内容

PLC控制LED灯数码显示控制程序

您可能关注的文档

小辰6+ 关注
实名认证
内容提供者

出售各种资料和文档

确认删除?
VIP
微信客服
  • 扫码咨询
会员Q群
  • 会员专属群点击这里加入QQ群
客服邮箱
回到顶部