电脑桌面
添加小米粒文库到电脑桌面
安装后可以在桌面快捷访问

维修电工中级电工实试题VIP免费

维修电工中级电工实试题_第1页
1/11
维修电工中级电工实试题_第2页
2/11
维修电工中级电工实试题_第3页
3/11
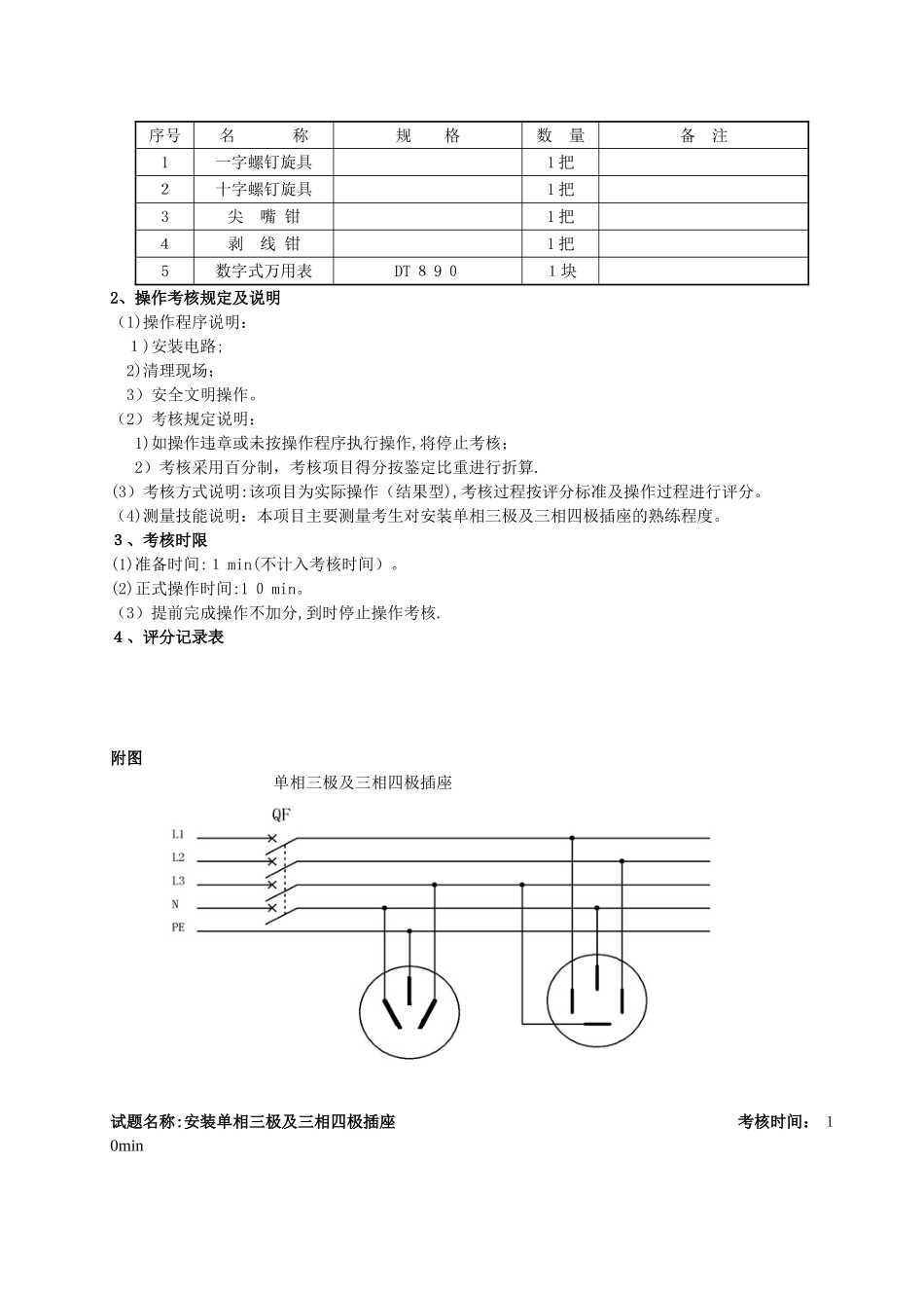
中级电工实操试题一、安装单相三极及三相四极插座二、安装白炽灯照明电路三、用数字式万用表测量交、直流电压四、用兆欧表测量三相异步电动机绝缘电阻五:T 型连接单股导线一:安装单相三极及三相四极插座1、准备要求(1)设备准备序号名 称规 格数 量备 注1单相三极插座1 0A1 个2三相四极插座15A1个3高分断小型断路器NB1-6 3 10A 4 极1个4三相四线插头NO:1991 个(2)材料准备序号名 称规 格数 量备 注1塑铜线1。5 m m2 各5米黄、绿、红、蓝、黄绿相间色2多股绝缘塑料导线2.5 mm2各 5 米黄、绿、红、蓝色3细木工板4 0cm×5 0cm1 块4自攻螺丝长度 20 m m20 个5端子排JD0—10 2 0 380 V、10 A30 节(3)工用具准备序号名 称规 格数 量备 注1一字螺钉旋具1 把2十字螺钉旋具1 把3尖 嘴 钳1 把4剥 线 钳1 把5数字式万用表DT 8 9 01块2、操作考核规定及说明(1)操作程序说明:1)安装电路;2)清理现场;3)安全文明操作。(2)考核规定说明:1)如操作违章或未按操作程序执行操作,将停止考核;2)考核采用百分制,考核项目得分按鉴定比重进行折算.(3)考核方式说明:该项目为实际操作(结果型),考核过程按评分标准及操作过程进行评分。(4)测量技能说明:本项目主要测量考生对安装单相三极及三相四极插座的熟练程度。3、考核时限(1)准备时间:1 min(不计入考核时间)。(2)正式操作时间:1 0 min。(3)提前完成操作不加分,到时停止操作考核.4、评分记录表附图单相三极及三相四极插座 试题名称:安装单相三极及三相四极插座 考核时间: 10min序号考核内容评 分 要 素配分评 分 标 准检测结果扣分得分备注1安装电路安装单相三极插座51相线位置接错扣 6 分零线位置接错扣 6 分地线位置接错扣 6 分ﻫ相线颜色选错扣6分零线颜色选错扣 6 分ﻫ地线颜色选错扣 6 分ﻫ接点松动、露铜过长、压绝缘层每处扣1分(最多扣 5 分)损坏元件扣 10 分安装三相四级插座4 9相线位置接错扣 6 分零线位置接错扣6分ﻫ相线颜色选错一处扣 5 分ﻫ零线颜色选错扣 6 分接点松动、露铜过长、压绝缘层每处扣 1 分(最多扣6分)损坏元件扣 1 0分2清理现场清理现场未清理现场从总分中扣 5 分3安全文明操作按国家或企业颁发有关安全规定执行操作每违反一项规定从总分中扣5分,严重违规取消考核4考核时限在规定时间内完成到时停止操作考核合 计1 00二:安装白...

1、当您付费下载文档后,您只拥有了使用权限,并不意味着购买了版权,文档只能用于自身使用,不得用于其他商业用途(如 [转卖]进行直接盈利或[编辑后售卖]进行间接盈利)。
2、本站所有内容均由合作方或网友上传,本站不对文档的完整性、权威性及其观点立场正确性做任何保证或承诺!文档内容仅供研究参考,付费前请自行鉴别。
3、如文档内容存在违规,或者侵犯商业秘密、侵犯著作权等,请点击“违规举报”。

碎片内容

维修电工中级电工实试题

确认删除?
VIP
微信客服
  • 扫码咨询
会员Q群
  • 会员专属群点击这里加入QQ群
客服邮箱
回到顶部