电脑桌面
添加小米粒文库到电脑桌面
安装后可以在桌面快捷访问

室外排水管道安装分项工程质量技术交底卡VIP免费

室外排水管道安装分项工程质量技术交底卡_第1页
1/6
室外排水管道安装分项工程质量技术交底卡_第2页
2/6
室外排水管道安装分项工程质量技术交底卡_第3页
3/6
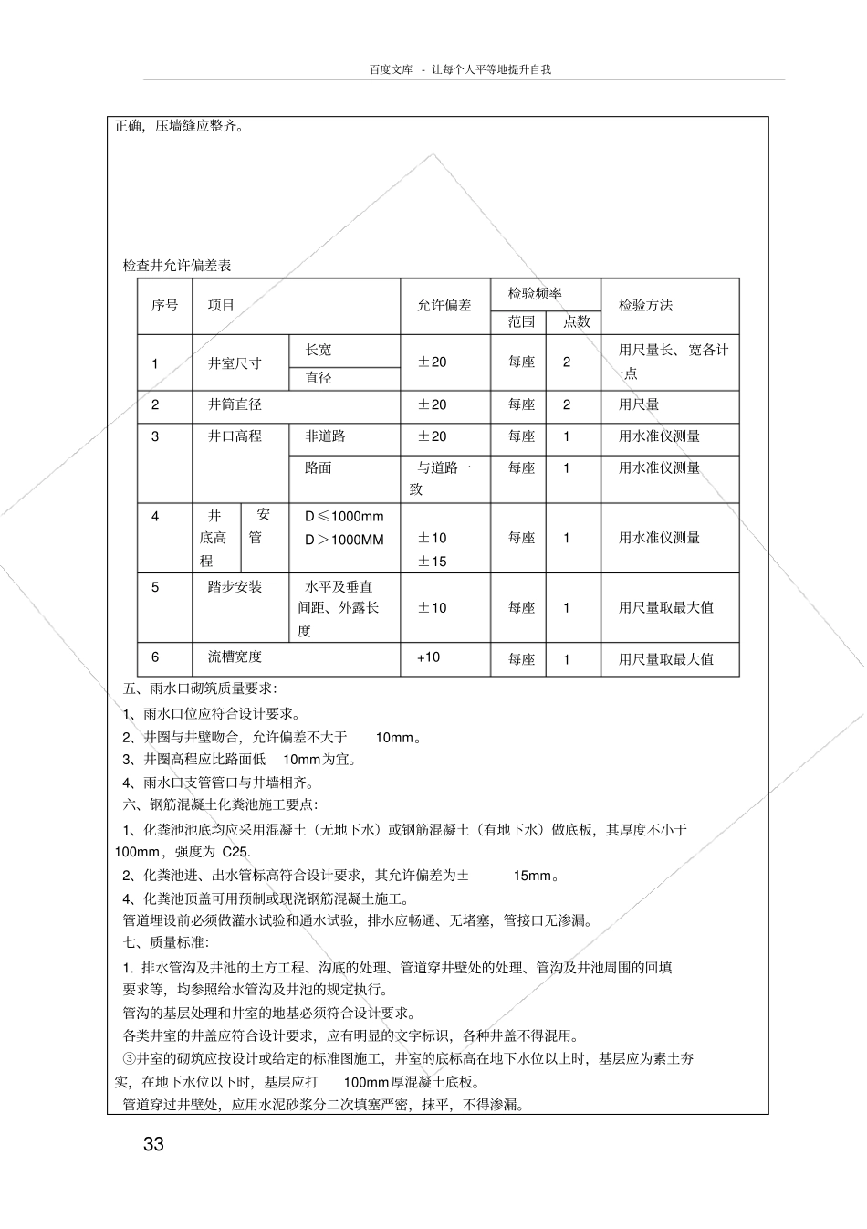
百度文库- 让每个人平等地提升自我11 室外排水管道安装 分项工程质量技术交底卡GD2301003□□施工单位*********建筑安装工程有限公司工程名称** 地铁二号线 ** 标室外管网工程分部工程建筑排水工程交底部位排水管道安装日期室外排水管道安装一 、交底内容:施工准备1、材料要求车辆段内室外污水管采用HDPE 双壁波纹管,橡胶圈连接,排水检查井选用钢筋混凝土井,井底均做溜槽,导流槽顶与管顶持平。井内导流槽转弯时,其导流槽中心线的转弯半径按转角大小和管径确定,但不得小于最大管的管径。排水管道转弯和交汇处,应保证水流转角大于90° ,但当管径小于 300mm时,且跌水高度大于0.3m时,可不受此限。在车行道上的所有检查井、阀门井井盖均采用重型球墨铸铁双层井座和井盖。人行道下和绿化带的井盖、井座均采用轻型球墨铸铁单层井座、井盖。雨水管采用钢筋混凝土圆管,穿越股道的雨水管采用铸铁管,混凝土管材应符合国家标准《混凝土和钢筋混凝土排水管》(GB11836-89 )的技术要求。雨水口连接管采用Φ300混凝土雨水管,检查井形式是砖砌圆形雨水检查井选用《排水检查井》 (S5<二>-02S515)中井径分别为 700、1000、1250mm的盖板式检查井,井盖选用重型球墨铸铁井盖,设计荷载为超汽-20级。二、技术要求段内排水管管道基础采用120° 混凝土带状基础,室外排水管管道采用承插式混凝土管,水泥砂浆捻缝抹三角灰,铸铁管采用承插管(橡胶圈接口)。不同管径的管道通过检查井连接时,均采用管顶平接,井内进水管不得大于出水管。三、施工方法:1、管道下槽前,必须按产品标准逐节进行外观检验,不符合产品标准者,严禁下槽敷设。2、应根据管径大小、沟槽和施工机具装备情况,确定用人工或机械将管材放入沟槽。下管时应采用可靠的吊具,平稳下沟,不得与沟壁、沟底激烈碰撞。吊装时应有二个支撑吊点,严禁穿心吊。3、下管与稳管①下管检查管子内外、表面有无空鼓、露筋、裂缝、缺边等缺陷,不合格管材不得使用。复核管基的标高、中心线和坡度。 基础混凝土强度达到设计强度的70%时才允许下管。 检查所用下管机具、临时设施应牢固可靠。明确劳动组织,并设专人统一指挥。根据管径大小、工程量大小和现场条件,下管方法可选用人工下管法和机械下管法。承插式混凝土管,下管时承口方向与水流方向相反排列。尽量采用沟槽上分散下管,以减少在沟内运管。沟内运管、排管应将管子放在沟槽一侧,并留出检查井的位置。沟槽内运管,若与支撑...

1、当您付费下载文档后,您只拥有了使用权限,并不意味着购买了版权,文档只能用于自身使用,不得用于其他商业用途(如 [转卖]进行直接盈利或[编辑后售卖]进行间接盈利)。
2、本站所有内容均由合作方或网友上传,本站不对文档的完整性、权威性及其观点立场正确性做任何保证或承诺!文档内容仅供研究参考,付费前请自行鉴别。
3、如文档内容存在违规,或者侵犯商业秘密、侵犯著作权等,请点击“违规举报”。

碎片内容

室外排水管道安装分项工程质量技术交底卡

您可能关注的文档

确认删除?
VIP
微信客服
  • 扫码咨询
会员Q群
  • 会员专属群点击这里加入QQ群
客服邮箱
回到顶部