电脑桌面
添加小米粒文库到电脑桌面
安装后可以在桌面快捷访问

冷库安装施工标准冷库安装施工标准VIP免费

冷库安装施工标准冷库安装施工标准_第1页
1/7
冷库安装施工标准冷库安装施工标准_第2页
2/7
冷库安装施工标准冷库安装施工标准_第3页
3/7
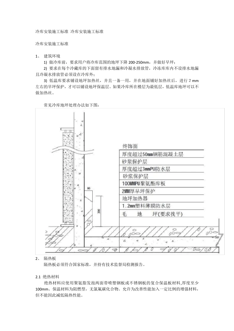
冷库安装施工标准 冷库安装施工标准 冷库安装施工标准 1、 建筑环境 1) 做冷库前,要求用户将冷库范围的地坪下降 200-250m m ,并做好早坪; 2) 要求在每个冷藏库的下面留有排水地漏和冷凝水排放管,冷冻库库内不设排水地漏且冷凝水排放管必须设在冷库外; 3) 低温库要求铺设地坪加热丝,并且一备一用,并在地面铺好加热丝后,进行2m m左右的早坪保护,才可以铺设地坪保温层。如果冷库所在楼层为最低层,低温库地坪可以不做加热丝。 常见冷库地坪处理办法如下图: 2、 隔热板 隔热板必须符合国家标准,并持有技术监督局检测报告。 2.1 绝热材料 绝热材料应使用聚氨脂发泡两面带喷塑钢板或不锈钢板的复合保温板材料,厚度至少100m m 。保温材料为阻燃型,无氯氟碳化合物。允许为改善性能加入一定比例的增强材料,但不能因此减低隔热性能。 2.2 隔热板壁板 (1) 内、外面板为彩色钢板。 (2) 彩色钢板涂膜层必须无毒、无异味、耐腐蚀,符合国际食品卫生标准。 2.3 隔热板整体性能要求 (1) 隔热板的安装结合面不允许有外露的隔热材料,结合面上不得有凸凹大于 1.5m m 的缺陷。 (2) 隔热板的板面应保持平整光滑,不应有翘曲、划伤、磕碰、凹凸不平等缺陷。 (3) 允许在隔热板的内部采取增强性措施来提高机械强度,但不允许降低隔热效果。 (4) 隔热板的周边材料必须采用与隔热材料相同的高密度硬质材料,不允许使用其他导热系数较大的材料。 (5) 隔热墙板与地面相接处应有防止冷桥的措施。 (6) 隔热板之间的板缝处须采用玻璃胶或其他无毒、无异味、无有害物质挥发、符合食品卫生要求并且密封性良好的胶性材料密封。 (7) 隔热板之间的联接结构应保证接缝之间的压力和接缝处连接牢固。 2.4 隔热板安装要求 库板和库板之间的接缝必须密封良好,两库板之间的拼接缝要求小于 1.5m m ,同时在结构上要求牢固可靠。库体拼接完后,所有库板接缝应涂连续均匀的密封胶。下面对各种接缝的断面结构进 行 说 明 。 库板拼接示 意 图 当 顶 板跨 度超 过 4m 或冷库顶 板要载 重 时,必须对冷库顶 板进 行 吊 装。螺 栓 位 置 要选 择 库板中点,为使库板受力尽可能均匀,必须按照图示使用铝合金角钢或蘑菇帽。 2.5 库体隔热板接缝的密封性要求 (1) 应保证墙板与地面结合处墙板的隔热材料与地坪中的隔热材料密切相接,有可靠的密封、防潮处理。 (2) 隔热板的接缝若采用现场灌注发...

1、当您付费下载文档后,您只拥有了使用权限,并不意味着购买了版权,文档只能用于自身使用,不得用于其他商业用途(如 [转卖]进行直接盈利或[编辑后售卖]进行间接盈利)。
2、本站所有内容均由合作方或网友上传,本站不对文档的完整性、权威性及其观点立场正确性做任何保证或承诺!文档内容仅供研究参考,付费前请自行鉴别。
3、如文档内容存在违规,或者侵犯商业秘密、侵犯著作权等,请点击“违规举报”。

碎片内容

冷库安装施工标准冷库安装施工标准

您可能关注的文档

确认删除?
VIP
微信客服
  • 扫码咨询
会员Q群
  • 会员专属群点击这里加入QQ群
客服邮箱
回到顶部