电脑桌面
添加小米粒文库到电脑桌面
安装后可以在桌面快捷访问

减速机检修质量标准VIP免费

减速机检修质量标准_第1页
1/6
减速机检修质量标准_第2页
2/6
减速机检修质量标准_第3页
3/6
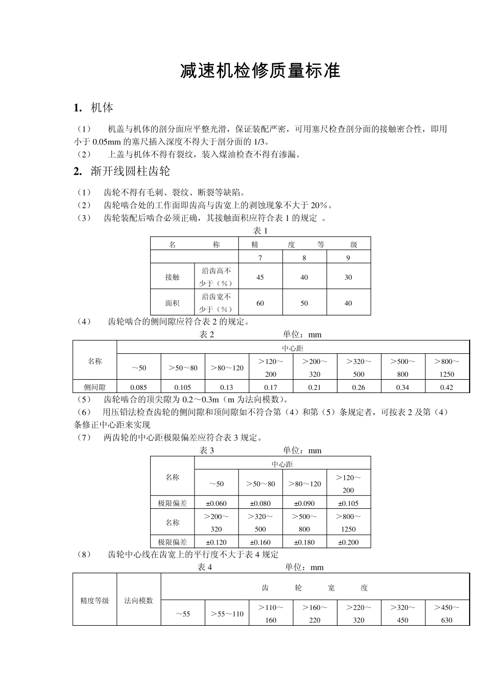
减 速 机 检 修质量标准 1 . 机体 (1) 机盖与机体的剖分面应平整光滑,保证装配严密,可用塞尺检查剖分面的接触密合性,即用小于0.05mm 的塞尺插入深度不得大于剖分面的1/3。 (2) 上盖与机体不得有裂纹,装入煤油检查不得有渗漏。 2 . 渐开线圆柱齿轮 (1) 齿轮不得有毛刺、裂纹、断裂等缺陷。 (2) 齿轮啮合处的工作面即齿高与齿宽上的剥蚀现象不大于20%。 (3) 齿轮装配后啮合必须正确,其接触面积应符合表 1 的规定 。 表 1 名 称 精 度 等 级 7 8 9 接触 沿齿高不少于(%) 45 40 30 面积 沿齿宽不少于(%) 60 50 40 (4) 齿轮啮合的侧间隙应符合表 2 的规定。 表 2 单位:mm 名称 中心距 ~50 >50~80 >80~120 >120~200 >200~320 >320~500 >500~800 >800~1250 侧间隙 0.085 0.105 0.13 0.17 0.21 0.26 0.34 0.42 (5) 齿轮啮合的顶尖隙为 0.2~0.3m(m 为法向模数)。 (6) 用压铅法检查齿轮的侧间隙和顶间隙如不符合第(4)和第(5)条规定者,可按表 2 及第(4)条修正中心距来实现 (7) 两齿轮的中心距极限偏差应符合表 3 规定。 表 3 单位:mm 名称 中心距 ~50 >50~80 >80~120 >120~200 极限偏差 ±0.060 ±0.080 ±0.090 ±0.105 名称 >200~320 >320~500 >500~800 >800~1250 极限偏差 ±0.120 ±0.160 ±0.180 ±0.200 (8) 齿轮中心线在齿宽上的平行度不大于表 4 规定 表 4 单位:mm 精度等级 法向模数 齿 轮 宽 度 ~55 >55~110 >110~160 >160~220 >220~320 >320~450 >450~630 7 1~30 0.017 0.019 0.021 0.024 0.028 0.034 0.04 8 1~30 0.021 0.024 0.026 0.03 0.036 0.042 0.05 9 2.5~50 0.026 0.03 0.034 0.038 0.045 0.052 0.06 (9) 齿轮轮缘的径向跳动不大于表5 规定 表5 单位:mm 精度等级 法向模数 齿轮直径 >50 >50~80 >80~120 >120~200 >200~320 >320~500 >500~800 >800~1250 7 1~30 0.032 0.042 0.05 0.058 0.07 0.08 0.105 0.115 8 1~30 0.05 0.065 0.08 0.105 0.11 0.12 0.15 0.19 9 >2.5~50 0.08 0.105 0.12 0.15 0.18 0.2 0.24 0.3 (10) 齿轮节圆处齿厚的最大允许磨损值应符合表6 规定。 表6 单位:mm 圆周线速...

1、当您付费下载文档后,您只拥有了使用权限,并不意味着购买了版权,文档只能用于自身使用,不得用于其他商业用途(如 [转卖]进行直接盈利或[编辑后售卖]进行间接盈利)。
2、本站所有内容均由合作方或网友上传,本站不对文档的完整性、权威性及其观点立场正确性做任何保证或承诺!文档内容仅供研究参考,付费前请自行鉴别。
3、如文档内容存在违规,或者侵犯商业秘密、侵犯著作权等,请点击“违规举报”。

碎片内容

减速机检修质量标准

您可能关注的文档

确认删除?
VIP
微信客服
  • 扫码咨询
会员Q群
  • 会员专属群点击这里加入QQ群
客服邮箱
回到顶部