电脑桌面
添加小米粒文库到电脑桌面
安装后可以在桌面快捷访问

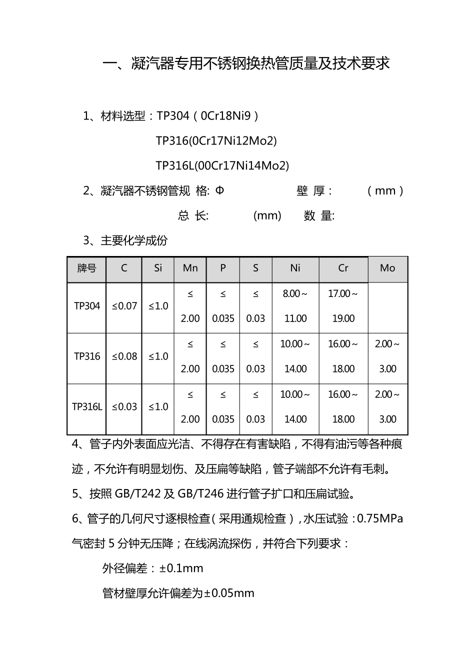
凝汽器铜管更换不锈钢管VIP免费

凝汽器铜管更换不锈钢管_第1页
1/8
凝汽器铜管更换不锈钢管_第2页
2/8
凝汽器铜管更换不锈钢管_第3页
3/8
铜 管 更 换 不 锈 钢 管 技 术 简 介 我 国 近 几 年 才 普 遍 认 可 不 锈 钢 换 热 管 取 代 铜 管 这 一 技 术 ,并 经 河 南 电 力 试 验研 究 院 试 验 结 果 表 明 , 不 锈 钢 管 经 过 壁 厚 减 薄 , 能 提 高 总 体 传 热 系 数 。 我 们 选 用不 锈 钢 管 壁 厚 一 般 在 0.5~ 0.7mm, 从 试 验 结 果 来 看 , 0.7mm 壁 厚 不 锈 钢 管 与原 来 1mm 铜 管 传 热 效 果 基 本 相 同 , 由 于 壁 厚 薄 、而且光滑、抗腐蚀性强, 所以对流放热 系 数 及凝结 放热 系 数 比铜 管 要大。 壁 厚 减 薄 、通径增大、水阻减 小、流量增加, 出水温度降低, 对数 平均温差减 小, 综合作用 的结 果 :相 对真空提 高 。不 锈 钢 管 内外表 面光滑, 不 容易结 垢, 减 少清洗次数 , 节约 成 本 , 它 具 有 耐 磨 损 、抗振 动 , 使 用 寿 命 长 达 30 年 。 壁 厚 薄 、重 量比铜 管 轻 、相 对投 资 减 小, 而且韧性强、屈 服 、拉 伸 强度都 高 于 铜 管 , 所以胀 口 只 胀 不 焊 , 即 使 受 到 受 热 胀 冷 缩 也不 会 产 生 泄 漏 现 象 。 所以说 , 不 锈 钢 管 是 铜 管 更 新 换 代 的理 想 换 热 管 。 不 锈 钢 换 热 管 具 有 以下 优 点 : 1、传 热 系 数 高 ; 2、管 壁 内外光滑, 不 易结 垢; 3、拉 伸 、弯 曲 、屈 服 强度高 于 铜 管 , 有 一 定 的补 偿 功 能 ; 4、承 压 能 力 强, 抗振 动 ; 5、耐 腐蚀性更 强, 抗氯 离 子 (TP304) 长 期200mg/L、短 期500mg/L,( TP316L) 长 期500mg/L、短 期1000mg/L。 不 锈 钢 无 缝 管 的 缺 点 : 无 缝 管 生 产 工 艺 有 两 种 , 一 种 是 冷 拔 , 另 一 种 是 冷轧 。 冷 拔 的 成 本 低 , 但 质 量 不 能 保 证 , 压 力 容 器 不 能 使 用 。 冷 轧 工 艺 复 杂 成 本 高 ,即 使 热 处 理 消 除 应 力 , 但 轧 制 过 程 中 微 观 裂 纹 和 壁 厚 的 尺 寸 不 匀 , 容 易 产 生 点 蚀现 象 等 质 量 ...

1、当您付费下载文档后,您只拥有了使用权限,并不意味着购买了版权,文档只能用于自身使用,不得用于其他商业用途(如 [转卖]进行直接盈利或[编辑后售卖]进行间接盈利)。
2、本站所有内容均由合作方或网友上传,本站不对文档的完整性、权威性及其观点立场正确性做任何保证或承诺!文档内容仅供研究参考,付费前请自行鉴别。
3、如文档内容存在违规,或者侵犯商业秘密、侵犯著作权等,请点击“违规举报”。

碎片内容

凝汽器铜管更换不锈钢管

您可能关注的文档

确认删除?
VIP
微信客服
  • 扫码咨询
会员Q群
  • 会员专属群点击这里加入QQ群
客服邮箱
回到顶部