电脑桌面
添加小米粒文库到电脑桌面
安装后可以在桌面快捷访问

地下连续墙施工总结VIP免费

地下连续墙施工总结_第1页
1/25
地下连续墙施工总结_第2页
2/25
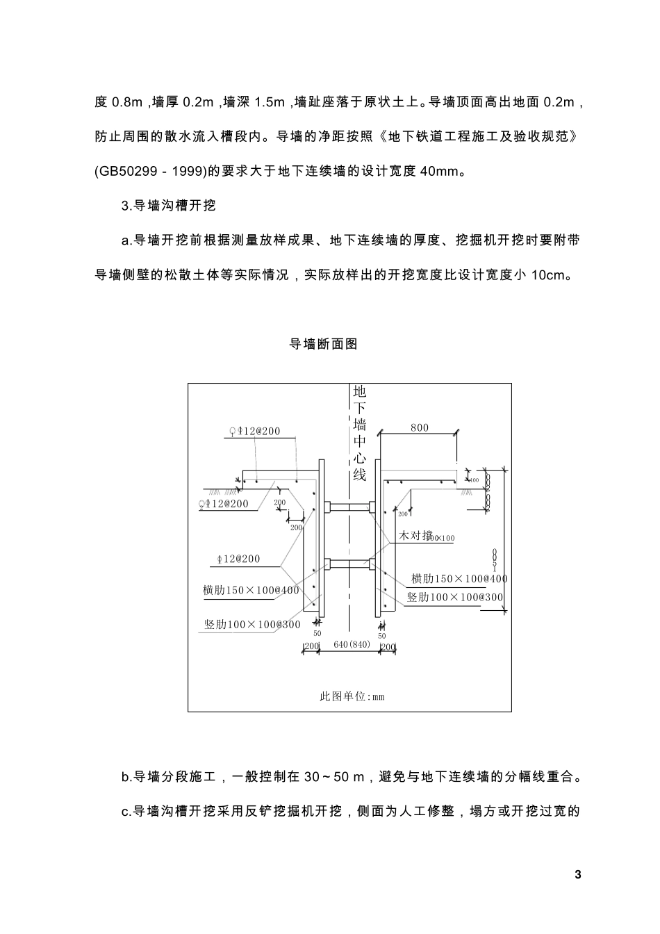
地下连续墙施工总结_第3页
3/25
1 地下连续墙施工技术总结 针对地下连续墙施工并结合我们实际情况做以简单总结。 一、连续墙施工工艺 1. 地下连续墙施工工法 本工程地下连续墙采用“地下连续墙液压抓斗”工法。 地下连续墙施工流 程见 下图 : 钢筋笼起吊入槽就位测量定位筑导墙挖槽清槽及清刷接头吊放接头管浇灌架就位插入导管拔接头管浇灌水下砼泥浆制备循环池沉淀池废浆池泥浆排放 地下连续墙施工流 程框 图 二 . 测 量 放 样 1. 定 位 、定 标 控 制 点 根 据 业 主 提 供 的 桩 点 进 行 复 核 测 量 。经 确 认 无 误 后 , 在 施工场 地北 侧 护 坡 上砌 筑 两 个 导 线 点 平 台 , 将 坐 标 引 入 。在 变 压器 主 配 电 柜 旁 引 入 一高 程点 。因 地面 2 沉 降 等 原 因 , 每 十 天 进 行 一 次 复 测 。 2.导 墙 测 量 放 样 方 法 根 据 设 计 图 纸 提 供 的 坐 标 , 计 算 出 连 续 墙 中 心 线 角 点 坐 标 , 计 算 成 果 内 部 复核 无 误 后 , 采 用 地 面 导 线 控 制 点 , 用 全 站 仪 放 样 出 地 下 连 续 墙 角 点 , 每 个 桩 点 甩出 三 个 护 桩 。 报 监 理 、 业 主 、 总 测 单 位 进 行 复 核 。 为 确 保 主 体 结 构 的 净 尺 寸 符 合 要 求 , 导 墙 中 心 轴 线 按 设 计 外 放 出 110m m 。 在 导 墙 沟 槽 开 挖 结 束 后 ,立 即 将 中 心 线 引 入 沟 槽 下 ,以 控 制 钢 筋 及 模 板 施 工 ,确 保 导 墙 中 心 线 的 正 确 无 误 。 在 导 墙 砼 浇 注 前 , 再 次 检 查 地 连 墙 轴 线 角 点 坐 标 , 满 足 要 求 后 将 导 墙 顶 面 标高 放 样 于 模 板 面 上 , 控 制 导 墙 顶 面 标 高 。 导 墙 模 板 拆 除 后 , 检 查 了 导 墙 的 中 心 线 和平整度、 垂直度。 对不符 合 规范要求 的 , 进 行 了 处理 。 导 墙 施 工 结 束 后 , 在 导 墙 顶 面 作出 了 分幅线 , 确 保 钢 筋 笼就位 的 位 置准确 。 3.钢 筋 笼标 高 控 制 在 钢 筋 笼下 放 到位 后 , 为 确 保 预埋件的 标 高 ...

1、当您付费下载文档后,您只拥有了使用权限,并不意味着购买了版权,文档只能用于自身使用,不得用于其他商业用途(如 [转卖]进行直接盈利或[编辑后售卖]进行间接盈利)。
2、本站所有内容均由合作方或网友上传,本站不对文档的完整性、权威性及其观点立场正确性做任何保证或承诺!文档内容仅供研究参考,付费前请自行鉴别。
3、如文档内容存在违规,或者侵犯商业秘密、侵犯著作权等,请点击“违规举报”。

碎片内容

地下连续墙施工总结

您可能关注的文档

小辰3+ 关注
实名认证
内容提供者

出售各种资料和文档

确认删除?
VIP
微信客服
  • 扫码咨询
会员Q群
  • 会员专属群点击这里加入QQ群
客服邮箱
回到顶部