电脑桌面
添加小米粒文库到电脑桌面
安装后可以在桌面快捷访问

地下连续墙钢筋笼吊装方案VIP免费

地下连续墙钢筋笼吊装方案_第1页
1/9
地下连续墙钢筋笼吊装方案_第2页
2/9
地下连续墙钢筋笼吊装方案_第3页
3/9
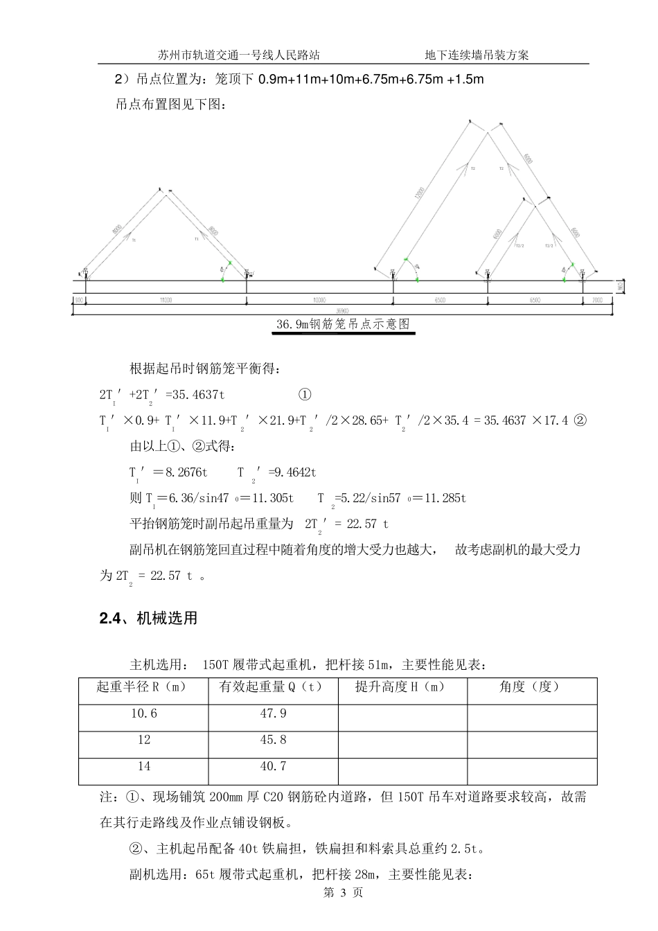
苏州市轨道交通一号线人民路站 地下连续墙吊装方案 第 1 页 一、概述 苏州市轨道交通一号线人民路站基坑围护结构采用地下连续墙,墙厚为600mm、8 00mm、1000mm 三种。本工程钢筋笼长度为36.9m(钢筋笼最重36.6383t),分别有“—”、“L”、“Z”三种形式,钢筋笼厚度为460mm、660mm、860mm。钢筋笼重量不含预埋钢板重量和接驳器重量。 本方案按 36.9m 长(1000mm 槽宽)最重钢筋笼进行计算。 计算依据:《起重吊装常用数据手册》 《建筑施工计算手册》 《钢结构设计规范》(GB50017-2003) 二、吊装施工方案 本工程虽然地下连续墙钢筋笼较长、较重,根据设计要求钢筋笼采用整体吊装、整体回直、一次入槽的施工方法,采取可靠有效的吊装施工方案,即理论计算满足要求和吊装方案满足安全施工要求。 根据上述特点和以往地铁工程施工经验,我司采取双机抬吊五点吊装、整体回直入槽的吊装方案。主机选用150T 履带吊车,副机选用65T 履带吊车。 2 .1 、钢筋笼吊装方法 钢筋笼吊放采用双机抬吊,空中回直。以 150t 作为主吊,一台65t 履带吊机作副吊机。起吊时必须使吊钩中心与钢筋笼重心相重合,保证起吊平衡。主吊机用16m(起吊绳)+10m(连接绳)长的钢丝 绳,副吊机用18m+12m 长的钢丝 绳。 钢筋笼吊放具 体分六 步 走 : 第一步 :指 挥 150t、65t 两 吊机转 移 到 起吊位 置 ,起重工分别安装吊点的卸 扣 。 第二步 :检 查 两 吊机钢丝 绳的安装情 况 及 受 力 重心后 ,开 始 同 时平吊。 第三步 :钢筋笼吊至 离 地面 0.3m~ 0.5m 后 ,应 检 查 钢筋笼是 否 平稳 ,后 150t 起钩,根据钢筋笼尾 部 距 地面 距 离 ,随 时指 挥 副机配 合起钩。 第四 步 :钢筋笼吊起后 ,150t 吊机向 左 (或 向 右 )侧 旋 转 、65t 吊机顺 转 至 合适位 置 ,让 钢筋笼垂 直于 地面 。 苏州市轨道交通一号线人民路站 地下连续墙吊装方案 第 2 页 第五步:指挥起重工卸除钢筋笼上65t 吊机起吊点的卸甲,然后远离起吊作业范围。 第六步:指挥150t 吊机吊笼入槽、定位,吊机走行应平稳,钢筋笼上应拉牵引绳。下放时不得强行入槽。 2 .2 、施工要点 钢筋笼制作前应核对单元槽段实际宽度与成型钢筋尺寸,无差异才能上平台制作。对于闭合幅槽段,应提前复测槽段宽度,根据实际宽度调整钢筋笼宽度。 钢筋笼必须严格按设计图进行焊...

1、当您付费下载文档后,您只拥有了使用权限,并不意味着购买了版权,文档只能用于自身使用,不得用于其他商业用途(如 [转卖]进行直接盈利或[编辑后售卖]进行间接盈利)。
2、本站所有内容均由合作方或网友上传,本站不对文档的完整性、权威性及其观点立场正确性做任何保证或承诺!文档内容仅供研究参考,付费前请自行鉴别。
3、如文档内容存在违规,或者侵犯商业秘密、侵犯著作权等,请点击“违规举报”。

碎片内容

地下连续墙钢筋笼吊装方案

您可能关注的文档

确认删除?
VIP
微信客服
  • 扫码咨询
会员Q群
  • 会员专属群点击这里加入QQ群
客服邮箱
回到顶部