电脑桌面
添加小米粒文库到电脑桌面
安装后可以在桌面快捷访问

地铁站通风空调施工方案VIP免费

地铁站通风空调施工方案_第1页
1/8
地铁站通风空调施工方案_第2页
2/8
地铁站通风空调施工方案_第3页
3/8
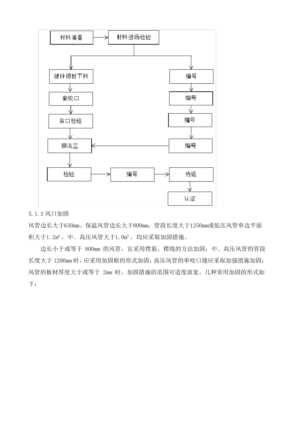
1 、通风空调系统概述 本标段车站属于高架车站,车站通风空调系统主要由车站公共区通风空调系统(简称车站大系统)和车站设备管理用房通风空调系统(简称车站小系统)两部分组成。 车站大系统以自然通风方式为主,系统主要设备包括多联式新风系统、分体空调、墙壁式排风扇等。车站小系统主要设备包括送风机、排风机、墙壁式排风扇、吸顶式排气扇、多联式空调系统、多联式新风系统、分体空调等。 2、施工组织 组织有经验的施工骨干按照图纸进行定位放线、预留预埋、加工制作与安装。协调好与其它各专业的关系,确保质量、安全和工期满足工程要求。 3、施工重点难点控制 通风空调系统由通风系统和空调系统两部分组成,其中风管的制作与风管安装、水管的安装、空调工程设备安装、管道的检验试验、管道、设备绝热施工、空调设备的单机试运转与调试和无负荷联合试运转与调试构成了通风空调施工的主线,也是影响整个系统质量的关键点,需进行重点控制。 3.1 风管制作与安装 3.1.1 材料的选择 本车站所有风管均采用镀锌钢板风管材料,镀锌钢板的厚度不小于下表规定: 风管长边尺寸b 矩形风管 中、低压系统 高压系统 B≤320 0.5 镀锌钢板 0.75 镀锌钢板 320

1、当您付费下载文档后,您只拥有了使用权限,并不意味着购买了版权,文档只能用于自身使用,不得用于其他商业用途(如 [转卖]进行直接盈利或[编辑后售卖]进行间接盈利)。
2、本站所有内容均由合作方或网友上传,本站不对文档的完整性、权威性及其观点立场正确性做任何保证或承诺!文档内容仅供研究参考,付费前请自行鉴别。
3、如文档内容存在违规,或者侵犯商业秘密、侵犯著作权等,请点击“违规举报”。

碎片内容

地铁站通风空调施工方案

确认删除?
微信客服
  • 扫码咨询
会员Q群
  • 会员专属群点击这里加入QQ群