电脑桌面
添加小米粒文库到电脑桌面
安装后可以在桌面快捷访问

井下皮带运输危险源专项辨识VIP免费

井下皮带运输危险源专项辨识_第1页
1/7
井下皮带运输危险源专项辨识_第2页
2/7
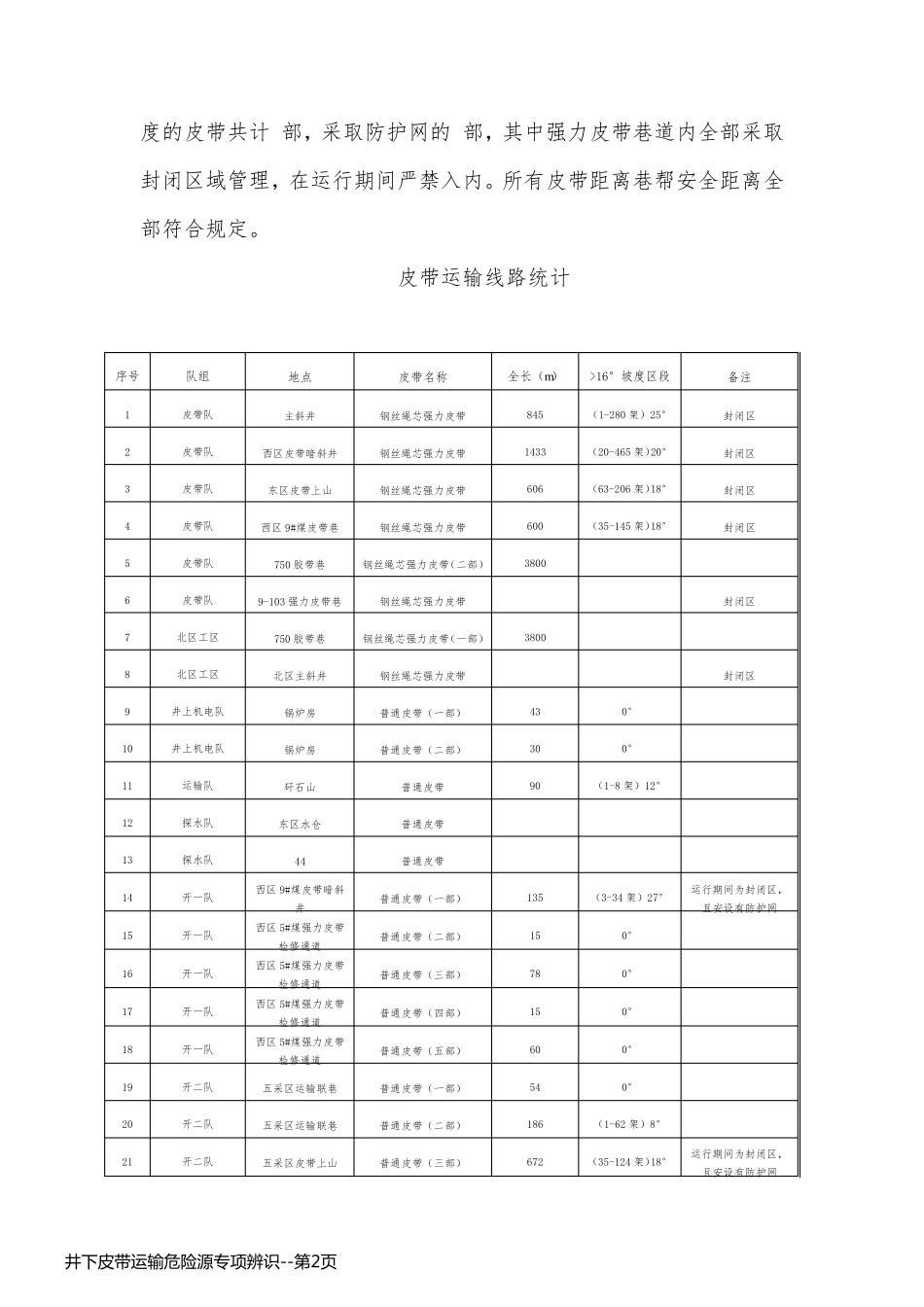
矿区井上、下皮带运输线路 安全风险专项辨识评估报告 庞庞塔煤矿2018 年二月份由机电矿长组织机电科等相关单位对矿区井上、下皮带运输线路进行现场检查会诊,并对危险源进行安全风险分级管控专项评估,现形成报告如下: 一、编制说明 根据庞庞塔矿双重预防管理系统建设要求,结合我矿近年来的生产实践,本着贯彻“安全第一、预防为主、综合治理、总体推进”的方针,坚持“管理、装备、培训”三并重的原则,对我矿井下皮带运输系统的重大危险源制定安全风险管控方案。 通过贯彻和落实安全风险管控方案,以达到预防断带等事故的发生和井下一旦发生事故时,有组织地进行矿井救灾,使受灾人员能迅速脱险,并使事故得到及时、准确、有效的处理,达到矿井尽快恢复生产的目的。 二、矿区井上、下皮带运输线路专项辨识概况 为保证我矿井上、下皮带运输的安全,根据《煤矿安全规程》第三百七十四条第(六)条规定: 在大于16°的倾斜井巷中使用的带式输送机,应当设置防护网,并采取防止物料下滑、滑落等的安全技术措施。特编制矿区井上、下皮带运输线路管理危险源安全风险管控专项风险辨识。 (一)目前皮带运输线路概况 矿井目前共计有 部皮带(含强力皮带),其中存在大于16°坡井 下 皮 带 运 输 危 险 源 专 项 辨 识 --第 1页井 下 皮 带 运 输 危 险 源 专 项 辨 识 --第 1页度的皮带共计 部,采取防护网的 部,其中强力皮带巷道内全部采取封闭区域管理,在运行期间严禁入内。所有皮带距离巷帮安全距离全部符合规定。 皮带运输线路统计 序号 队组 地点 皮带名称 全长(m) >16°坡度区段 备注 1 皮带队 主斜井 钢丝绳芯强力皮带 845 (1-280 架)25° 封闭区 2 皮带队 西区皮带暗斜井 钢丝绳芯强力皮带 1433 (20-465 架)20° 封闭区 3 皮带队 东区皮带上山 钢丝绳芯强力皮带 606 (63-206 架)18° 封闭区 4 皮带队 西区9#煤皮带巷 钢丝绳芯强力皮带 600 (35-145 架)18° 封闭区 5 皮带队 750 胶带巷 钢丝绳芯强力皮带(二部) 3800 6 皮带队 9-103 强力皮带巷 钢丝绳芯强力皮带 封闭区 7 北区工区 750 胶带巷 钢丝绳芯强力皮带(一部) 3800 8 北区工区 北区主斜井 钢丝绳芯强力皮带 封闭区 9 井上机电队 锅炉房 普通皮带(一部) 43 0° 10 井上机电队 锅炉房 普通皮带(二部) 30 0° 11 运输队 矸石山 普通皮带...

1、当您付费下载文档后,您只拥有了使用权限,并不意味着购买了版权,文档只能用于自身使用,不得用于其他商业用途(如 [转卖]进行直接盈利或[编辑后售卖]进行间接盈利)。
2、本站所有内容均由合作方或网友上传,本站不对文档的完整性、权威性及其观点立场正确性做任何保证或承诺!文档内容仅供研究参考,付费前请自行鉴别。
3、如文档内容存在违规,或者侵犯商业秘密、侵犯著作权等,请点击“违规举报”。

碎片内容

井下皮带运输危险源专项辨识

您可能关注的文档

确认删除?
VIP
微信客服
  • 扫码咨询
会员Q群
  • 会员专属群点击这里加入QQ群
客服邮箱
回到顶部