电脑桌面
添加小米粒文库到电脑桌面
安装后可以在桌面快捷访问

工程测量模拟试卷与参考答案(专科)VIP专享VIP免费

工程测量模拟试卷与参考答案(专科)_第1页
1/9
工程测量模拟试卷与参考答案(专科)_第2页
2/9
工程测量模拟试卷与参考答案(专科)_第3页
3/9
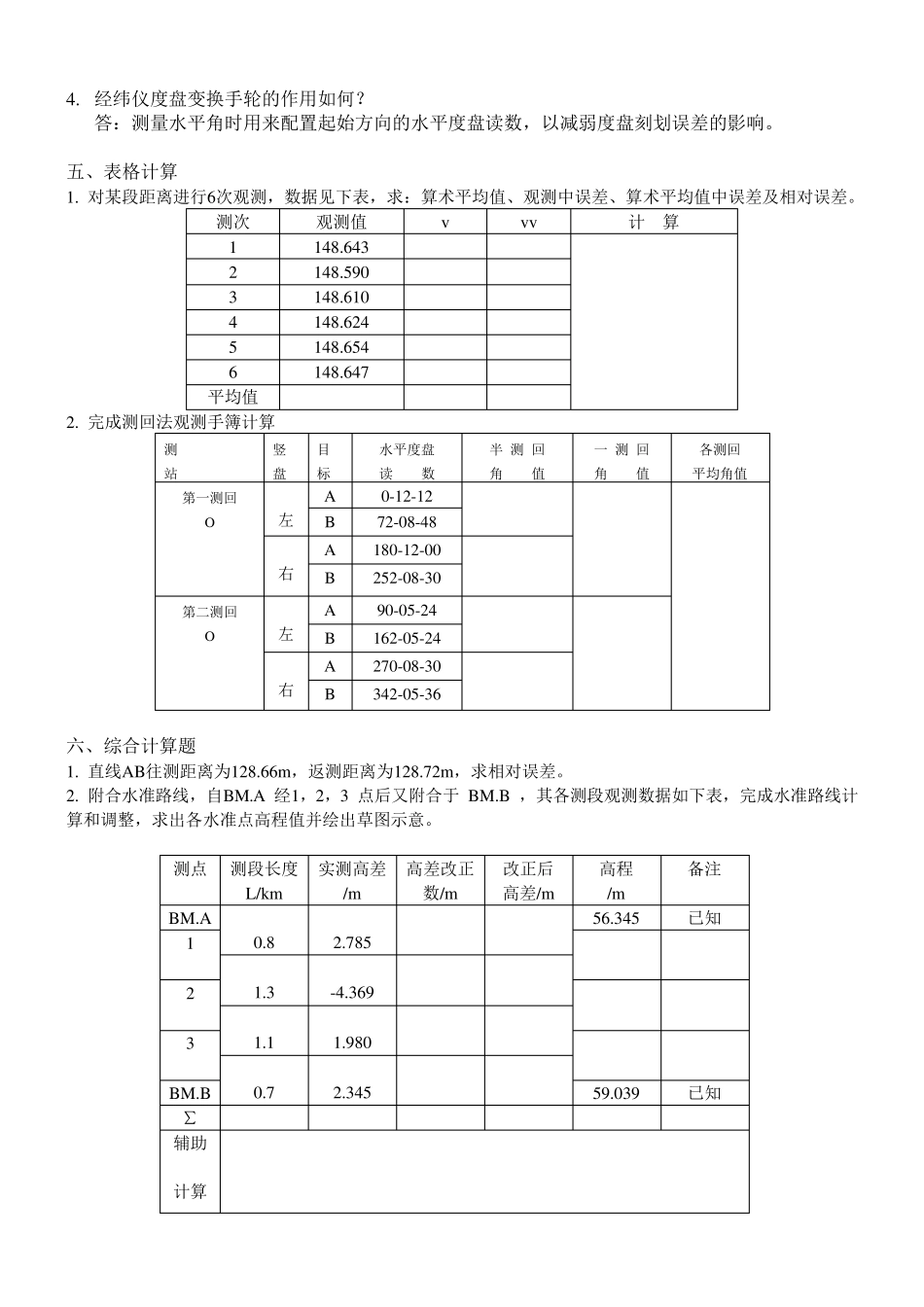
土木工程测量模拟试卷A(专科) 一、名词解释 1. 高差: 2. 比例尺精度: 3. 等高线: 4. 控制点: 二、填空题 1. 水准仪操作时,使水准管气泡居中用________,使圆水准气泡居中用________。 2. 测量工作的组织原则是_______ _ __,___________ __。 3. 经纬仪可以用来观测__________ 和__________ 。 4. 测量误差主要分为__________ 和 __________两类。 5. 表示地貌的符号为_________ _。 三、选择题: 1. 某点处真北方向与坐标北方向的夹角称为该点的________。 A. 子午线收敛角;B. 象限角;C. 磁偏角;D. 方位角。 2. A点位于20带内,在北半球,该点实际坐标m137680yA ,则该点在高斯平面直角坐标系横坐标的表示方法为 。 A. m137680yA ;B. m20137680yA ; C. m637680yA ;D. m20637680yA 。 3. 水准测量前后视距相等可消除的误差是:①视准轴不平行于水准管轴; ②水准尺零点差;③地球曲率与大气折光;。则正确的选择为: ________。 A. ①②③;B. ②③;C. ①③;D. ①②。 4. 用方向观测法测量水平角的限差不包括:________。 A. 半测回归零差;B. 同一测回内各方向2C互差;C. 各测回同一方向值较差; D. 同一测站指标差之差。 5. 地物地貌的特征点,我们把它称之为 。 A. 测站点;B. 碎部点;C. 定 位点;D. 测设 点。 四 、问 答 题 1. 水准测量原理 是什 么 ? 2. 测量的基 准面和基 准线是什 么 ? 3.常 规 测量的基 本 工作是什 么 ? 4. 经纬仪度盘 变 换 手 轮 的作用如 何 ? 参 考 答 案 : 1. 水准测量原理 是什 么 ? 答 :利 用水准仪提 供 的一条 水平视线,并 借 助 水准尺来测定 地面两点间 的高差,从 而 由 已 知 点的高程推 算 出 未 知 点的高程。 2. 测量的基 准面和基 准线是什 么 ? 答 :基 准面是大地水准面和参 考 椭 球面;基 准线是重 力 铅 垂 线和法线。 3. 常 规 测量的基 本 工作是什 么 ? 答 :常 规 测量的基 本 工作是:测量角度、水平距离 和高差。 4. 经纬仪度盘变换手轮的作用如何? 答:测量水平角时用来配置起始方向的水平度盘读数,以减弱度盘刻划误差的影响。 五、表格计算 1. 对某段距离进行6次观测,数据见下表,求:算术平均值、观测中误差、算术平均值中误差及相对误差。 测次 观测值 v...

1、当您付费下载文档后,您只拥有了使用权限,并不意味着购买了版权,文档只能用于自身使用,不得用于其他商业用途(如 [转卖]进行直接盈利或[编辑后售卖]进行间接盈利)。
2、本站所有内容均由合作方或网友上传,本站不对文档的完整性、权威性及其观点立场正确性做任何保证或承诺!文档内容仅供研究参考,付费前请自行鉴别。
3、如文档内容存在违规,或者侵犯商业秘密、侵犯著作权等,请点击“违规举报”。

碎片内容

工程测量模拟试卷与参考答案(专科)

确认删除?
VIP
微信客服
  • 扫码咨询
会员Q群
  • 会员专属群点击这里加入QQ群
客服邮箱
回到顶部