电脑桌面
添加小米粒文库到电脑桌面
安装后可以在桌面快捷访问

工程竣工验收、预验收需提供的资料VIP免费

工程竣工验收、预验收需提供的资料_第1页
1/13
工程竣工验收、预验收需提供的资料_第2页
2/13
工程竣工验收、预验收需提供的资料_第3页
3/13
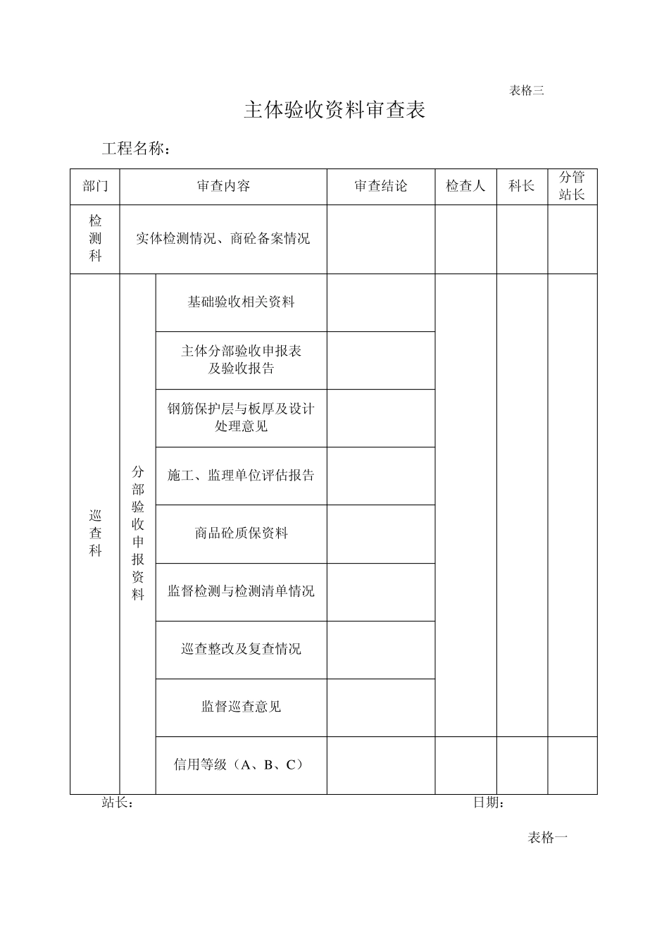
工程竣工验收需提供资料 1 、竣工验收申请表、通知书 2 、试验清单 3 、施工及监理单位试验、见证台帐 4 、竣工验收报告 5 、完整的工程资料(施工单位及监理单位) 6 、节能、初验整改回复 7 、施工单位自评报告 8 、监理单位评估报告及工作总结 住宅工程另加: 9 、质量通病控制专项验收记录 1 0 、节能验收备案表 1 1 、分户验收汇总表 1 2 、电梯、人防专项验收报告 工程预验收需提供资料 1 、试验清单 2 、城建档案馆资料审查意见书 3 、工程资料(住宅工程含分户验收资料) 节能验收应提供资料 1 、申报表 2 、节能工程质量验收资料 3 、施工图建筑说明 4 、节能计算书 5 、设计变更 表格三 主体验收资料审查表 工程名称: 部门 审查内容 审查结论 检查人 科长 分管站长 检 测 科 实体检测情况、商砼备案情况 巡 查 科 分 部 验 收 申 报 资 料 基础验收相关资料 主体分部验收申报表 及验收报告 钢筋保护层与板厚及设计处理意见 施工、监理单位评估报告 商品砼质保资料 监督检测与检测清单情况 巡查整改及复查情况 监督巡查意见 信用等级(A、B、C) 站长: 日期: 表格一 主体 分部(子分部) 工程名称: 监 督 档 案 资 料 1 、验收申报表 2 、主体分部验收报告 3 、检测清单、检测结果闭合(不合格报告及复检报告) 4 、整改通知书与完成报告(闭合) 5 、施工、监理评估报告 6 、钢筋保护层及板厚检测报告及设计处理意见 施 工 单 位 资 料 1 、涉及重大变更及图纸资料 2 、隐蔽工程验收记录 3 、各分部分项工程验收记录 4 、沉降观测记录(必要时) 5 、原材料及两块取样台帐 6 、检测报告 监 理 单 位 资 料 1 、监理旁站、巡视、平检记录 2 、原材料及两块见证取样台帐 表格一 幕墙 分部(子分部) 工程名称: 监 督 档 案 资 料 1 、验收申报表 2 、图审合格证 3 、检测清单及检测结果闭合(检测报告及复检报告) 4 、施工、监理评估报告 5 、异常情况处理方案及资料 6 、重大变更的图审资料 施 工 单 位 资 料 1 、幕墙工程的施工图、结构计算书、设计说明及其他设计文件 2 、建筑涉及单位对幕墙工程涉及的确认文件 3 、幕墙工程所用各种材料、五金配件、构件及组件的产品合格证书、性能检测报告、进场验收记录和复验报告 4 、幕墙工程所用硅酮结构胶...

1、当您付费下载文档后,您只拥有了使用权限,并不意味着购买了版权,文档只能用于自身使用,不得用于其他商业用途(如 [转卖]进行直接盈利或[编辑后售卖]进行间接盈利)。
2、本站所有内容均由合作方或网友上传,本站不对文档的完整性、权威性及其观点立场正确性做任何保证或承诺!文档内容仅供研究参考,付费前请自行鉴别。
3、如文档内容存在违规,或者侵犯商业秘密、侵犯著作权等,请点击“违规举报”。

碎片内容

工程竣工验收、预验收需提供的资料

您可能关注的文档

确认删除?
VIP
微信客服
  • 扫码咨询
会员Q群
  • 会员专属群点击这里加入QQ群
客服邮箱
回到顶部