电脑桌面
添加小米粒文库到电脑桌面
安装后可以在桌面快捷访问

工程设计行业及建设规模划分表54931VIP专享VIP免费

工程设计行业及建设规模划分表54931_第1页
1/40
工程设计行业及建设规模划分表54931_第2页
2/40
工程设计行业及建设规模划分表54931_第3页
3/40
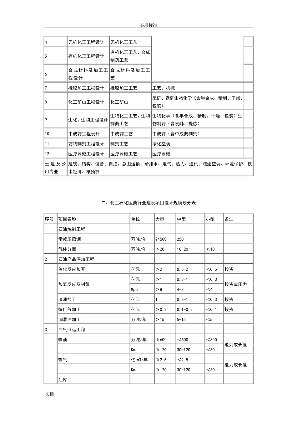
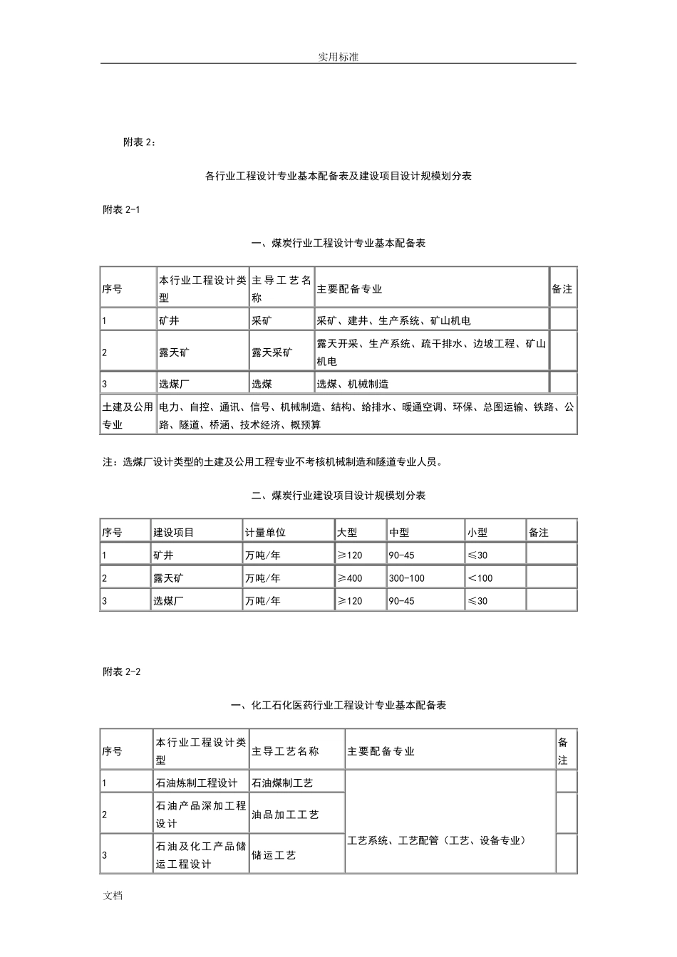
实用标准 文档 附表 1: 工程设计行业划分表 序号 行 业 备 注 (一) 煤炭 (二) 化工石化医药 含原石化、化工、医药 (三) 石油天然气 (四) 电力 含原火电、水电、核电、新能源 (五) 冶金 含原冶金、有色、黄金 (六) 军工 含原航天、航空、兵器、船舶 (七) 机械 (八) 商物粮 含原商业、物资、粮食 (九) 核工业 (十) 电子通信广电 含原电子、通信、广播电影电视 (十一) 轻纺 含原轻工、纺织 (十二) 建材 (十三) 铁道 (十四) 公路 (十五) 水运 (十六) 民航 (十七) 市政 (十八) 海洋 (十九) 水利 (二十) 农林 含原农业、林业 (二十一) 建筑 含原建筑、人防 实用标准 文档 附表2: 各行业工程设计专业基本配备表及建设项目设计规模划分表 附表2-1 一、煤炭行业工程设计专业基本配备表 序号 本行业工程设计类型 主导工艺名称 主要配备专业 备注 1 矿井 采矿 采矿、建井、生产系统、矿山机电 2 露天矿 露天采矿 露天开采、生产系统、疏干排水、边坡工程、矿山机电 3 选煤厂 选煤 选煤、机械制造 土建及公用专业 电力、自控、通讯、信号、机械制造、结构、给排水、暖通空调、环保、总图运输、铁路、公路、隧道、桥涵、技术经济、概预算 注:选煤厂设计类型的土建及公用工程专业不考核机械制造和隧道专业人员。 二、煤炭行业建设项目设计规模划分表 序号 建设项目 计量单位 大型 中型 小型 备注 1 矿井 万吨/年 ≥120 90-45 ≤30 2 露天矿 万吨/年 ≥400 300-100 <100 3 选煤厂 万吨/年 ≥120 90-45 ≤30 附表2-2 一、化工石化医药行业工程设计专业基本配备表 序号 本行业工程设计类型 主导工艺名称 主要配备专业 备注 1 石油炼制工程设计 石油煤制工艺 工艺系统、工艺配管(工艺、设备专业) 2 石油产品深加工程设计 油品加工工艺 3 石油及化工产品储运工程设计 储运工艺 实用标准 文档 4 无机化工工程设计 无机化工工艺 5 有机化工工程设计 有机化工工艺、合成制药工艺 6 合成材料及加工工程设计 合成材料及加工工艺 7 橡胶加工工程设计 橡胶加工工艺 工艺、机械 8 化工矿山工程设计 化工矿山 采矿、选矿生物化学(含半合成、精制、干燥、包装) 9 生化、生物工程设计 生物化工工艺、生物制药工艺 生物化学(含半合成、精制、干燥、包装)生物制药(...

1、当您付费下载文档后,您只拥有了使用权限,并不意味着购买了版权,文档只能用于自身使用,不得用于其他商业用途(如 [转卖]进行直接盈利或[编辑后售卖]进行间接盈利)。
2、本站所有内容均由合作方或网友上传,本站不对文档的完整性、权威性及其观点立场正确性做任何保证或承诺!文档内容仅供研究参考,付费前请自行鉴别。
3、如文档内容存在违规,或者侵犯商业秘密、侵犯著作权等,请点击“违规举报”。

碎片内容

工程设计行业及建设规模划分表54931

确认删除?
VIP
微信客服
  • 扫码咨询
会员Q群
  • 会员专属群点击这里加入QQ群
客服邮箱
回到顶部