电脑桌面
添加小米粒文库到电脑桌面
安装后可以在桌面快捷访问

工程量清单编制、计价实例VIP免费

工程量清单编制、计价实例_第1页
1/29
工程量清单编制、计价实例_第2页
2/29
工程量清单编制、计价实例_第3页
3/29
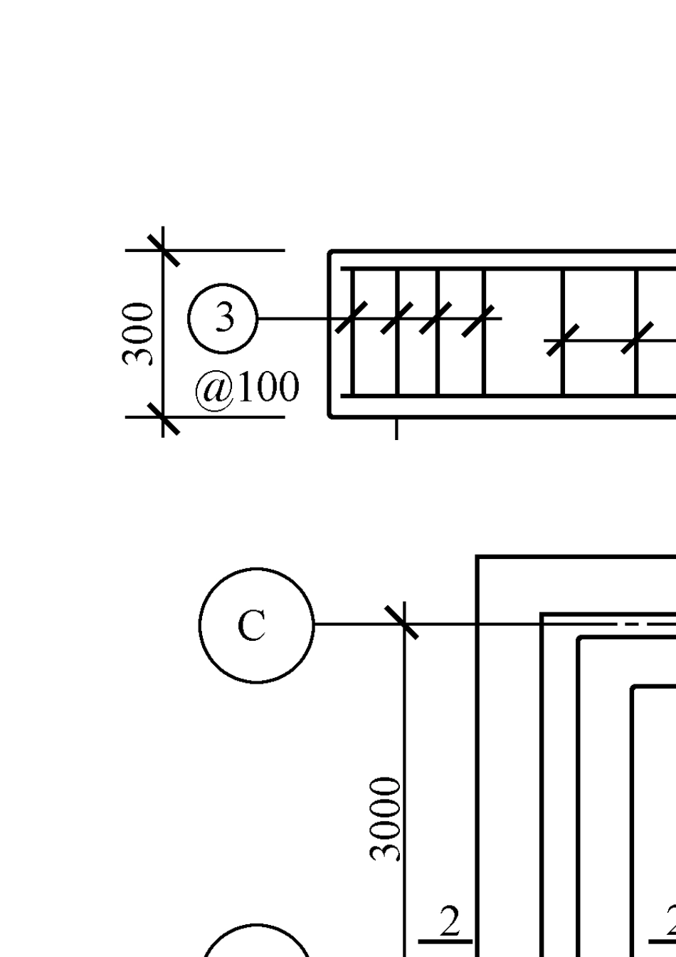
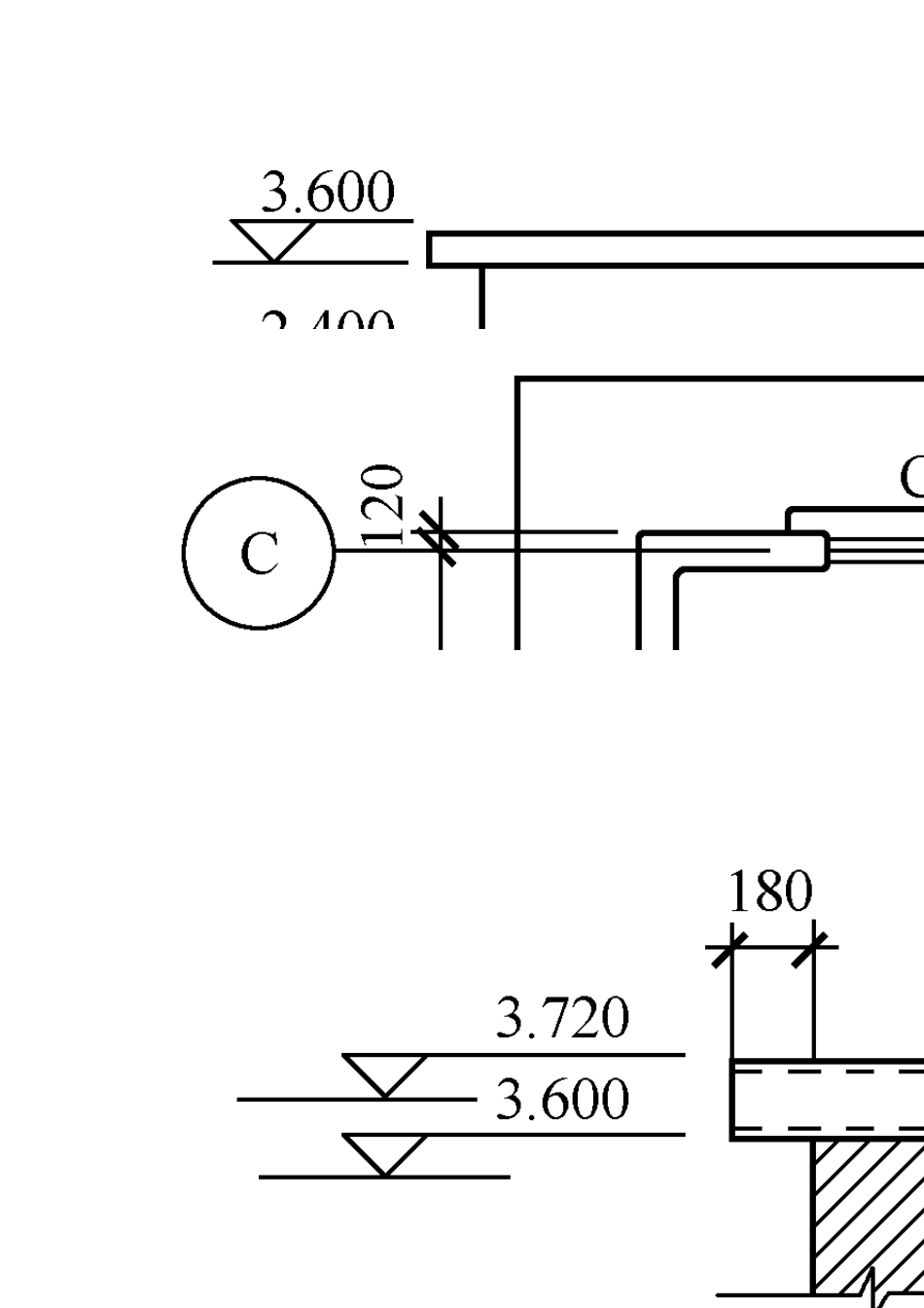
4 .9 工程量清单编制、计价实例 根据接待室工程施工图和该工程招标文件及《建设工程工程量清单计价规范》编制建筑工程工程量清单及工程量清单报价表。 接待室工程施工图设计说明: 1、结构类型及标高 本工程为砖混结构工程。室内地坪标高±0.000m ,室外地坪高-0.300m 。 2、基础 M5 水泥砂浆砌砖基础,C10 混凝土基础垫层 200m m 厚,位于-0.06m 处做 20m m 厚 1:2 水泥砂浆防潮层(加质量分数为6%的防水粉)。 3、墙、柱 M5 混合砂浆砌砖墙、砖柱。 4、地面 基层素土回填夯实,80m m 厚 C10 混凝土地面垫层,铺 400m m×400mm浅色地砖,20mm厚1:2水泥砂浆粘结层。20mm厚 1:2水泥砂浆贴瓷砖踢脚线,高150mm。 5、屋面 预制空心屋面板上铺 30mm厚 1:3水泥砂浆找平层,40mm厚 C20混凝土刚屋面,20mm厚 1:2水泥砂浆防水层(加质量分数为6%防水粉)。 6、台阶、散水 C10混凝土基层,15mm厚 1:2水泥白石子浆水磨石台阶。60mm厚 C10混凝土散水,沥青砂浆塞伸缩缝。 7、墙面、顶棚 内墙:18mm厚 1:0.5:2.5混合砂浆底灰,8mm厚 1:0.3:3混合砂浆面灰,满刮腻子 2遍,刷乳胶漆 2遍。 天棚:12mm厚 1:0.5:2.5混合砂浆底灰,5mm厚 1:0.3:3混合砂浆面灰,满刮腻子 2遍,刷乳胶漆 2遍。 外墙面、梁柱面水刷石:15mm厚 1:2.5水泥砂浆底灰,10mm厚 1:2水泥白石子浆面灰。 8、门、窗 实木装饰门:M-1、M-2洞口尺寸均为900mm×2400mm。 塑钢推拉窗:C-1洞口尺寸 1500mm×1500mm,C-2洞口尺寸 1100mm×1500mm。 9、现浇构件 圈梁:C20混凝土,钢筋 HPB235:Φ 12,116.80m;HPB235: Φ 6.5,122.64m。 矩形梁:C20混凝土,钢筋 HR335: Φ 14,18.41kg;HPB235: Φ 12,9.02kg;HPB235: Φ 6.5,8.70kg。 10、预制构件 预应力空心板:C30 混凝土,单件体积及钢筋重量如下: YKB 3962 0.164m 3/块 6.57kg/块(CRB650Φ 4) YKB 3362 0.139m 3/块 4.50kg/块(CRB650Φ 4) YKB 3062 0.126m 3/块 3.83kg/块(CRB650Φ 4) 接待室工程施工图如下 清单工程量计量表 工程名称:接待室 第 1 页 共 3 页 序号 项目编码 项 目 名 称 单位 工程量 计算式 A.1 土石方工程 1 010101001001 平整场地  51.56 S=(5.0+0.24)*(3.60+3.30+2.70+0.24) =51.56 2 010101003001 人工挖基础土方(墙基)  34.18 基础垫层底面积 =[(5.0+9.6)*2+(5.0-0...

1、当您付费下载文档后,您只拥有了使用权限,并不意味着购买了版权,文档只能用于自身使用,不得用于其他商业用途(如 [转卖]进行直接盈利或[编辑后售卖]进行间接盈利)。
2、本站所有内容均由合作方或网友上传,本站不对文档的完整性、权威性及其观点立场正确性做任何保证或承诺!文档内容仅供研究参考,付费前请自行鉴别。
3、如文档内容存在违规,或者侵犯商业秘密、侵犯著作权等,请点击“违规举报”。

碎片内容

工程量清单编制、计价实例

您可能关注的文档

确认删除?
VIP
微信客服
  • 扫码咨询
会员Q群
  • 会员专属群点击这里加入QQ群
客服邮箱
回到顶部