电脑桌面
添加小米粒文库到电脑桌面
安装后可以在桌面快捷访问

海特克叶片泵VIP免费

海特克叶片泵_第1页
1/66
海特克叶片泵_第2页
2/66
海特克叶片泵_第3页
3/66
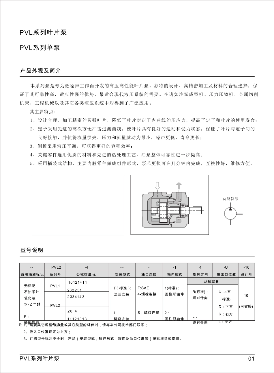
PVL系 列 叶 片 泵 本 系 列 泵 是 专 为 低 噪 声 工 作 而 开 发 的 高 压 高 性 能 叶 片 泵 。 独 特 的 设 计 、 高 精 密 加 工 及 材 料 的 合 理 选 择 , 保证 了 其 可 靠 性 高 , 适 应 性 强 的 优 势 , 最 适 合 现 代 液 压 系 统 的 需 要 。 在 诸 如 注 塑 成 型 机 、 压 力 压 铸 机 、 金 属 切 削机 床 、 工 程 机 械 以 及 其 它 各 类 液 压 系 统 中 均 得 到 了 广 泛 应 用 。 其 主 要 特 点 : 1、 设 计 合 理 、 加 工 精 密 的 圆 弧 叶 片 , 降 低 了 叶 片 对 定 子 内 曲 线 的 压 应 力 , 提 高 了 定 子 和 叶 片 的 使 用 寿 命 ; 2、 定 子 采 用 先 进 的 高 次 方 无 冲 击 过 渡 曲 线 , 使 叶 片 具 有 良 好 的 运 动 和 受 力 状 态 , 保 证 了 叶 片 与 定 子 间 的 良 好 接 触 , 并 使 得 流 量损失、 压 力 和 流 量脉动 为 最 小, 噪 声 更低 、 寿 命 更长; 3、 侧板采 用 液 压 平衡, 可 获得 更好 的 容积效率; 4、 关键零件选 用 优 质的 材 料 和 先 进 的 热处理 工 艺, 油泵 整体可 靠 性 进 一步提 高 ; 5、 采 用 插装式结 构 , 主 要 内 脏 零件做 成 组 件形 式, 泵 芯 更换 可 在 几 分 钟 内 完 成 , 互 换 性 好 , 维 修 方 便 。F- PVL2-47 -F R -U -10适 用 油 液 标 记系 列 号公 称 排 量 mL/r安 装 型 式旋 转 方 向输 出 口 位 置设 计 号 1、 需 要 其 它 规 格 的 排 量 或 其 它 类 型 的 轴 伸 时 , 请 与 本 公 司 技 术 部 门 联 系 ; 2、 吸 入 口 位 置 设 定 为 上 方 ; 3、 订 购 型 号 标 注 不 全 时 , 产 品 ( 安 装 型 式 , 轴 伸 形 式 , 旋 向 及 油 口 位 置 等 ) 按 标 准 型 式 提 供 。PVL1PVL2PVL36,8,10,12,14,17,19,23,25,28,3126,33,41,47,53,59,65,7552,60,66,76,85,94,116,125,136,153无 标 记石 油 系 油乳 化 液水 -乙 二 醇F:磷 酸 酯 液F...

1、当您付费下载文档后,您只拥有了使用权限,并不意味着购买了版权,文档只能用于自身使用,不得用于其他商业用途(如 [转卖]进行直接盈利或[编辑后售卖]进行间接盈利)。
2、本站所有内容均由合作方或网友上传,本站不对文档的完整性、权威性及其观点立场正确性做任何保证或承诺!文档内容仅供研究参考,付费前请自行鉴别。
3、如文档内容存在违规,或者侵犯商业秘密、侵犯著作权等,请点击“违规举报”。

碎片内容

海特克叶片泵

确认删除?
VIP
微信客服
  • 扫码咨询
会员Q群
  • 会员专属群点击这里加入QQ群
客服邮箱
回到顶部