电脑桌面
添加小米粒文库到电脑桌面
安装后可以在桌面快捷访问

涂装前处理和电泳线方案介绍VIP免费

涂装前处理和电泳线方案介绍_第1页
1/23
涂装前处理和电泳线方案介绍_第2页
2/23
涂装前处理和电泳线方案介绍_第3页
3/23
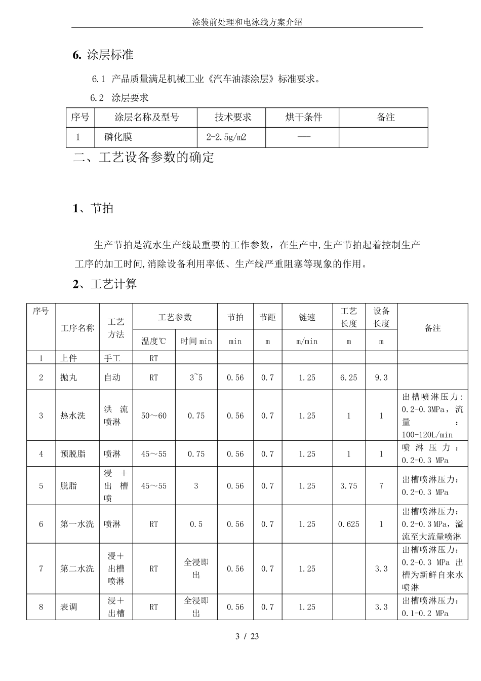
涂装前处理和电泳线方案介绍 1 / 2 3 第一部分 涂装前处理及电泳线 供货内容及分项设备方案描述 (方案图附后) 一、供货范围 1.供货设备一览表 序号 设备名称 数量 交货时间 交货地点 1 涂装前处理及喷粉线 1 套 2.供货程度:完成以上供货设备一览表中所列各项设备的设计、制造、运输、安装、调试(试运行)、培训、陪产以及售后服务等工作,整个项目为交钥匙工程。 3.交货地点: 4.项目进度: 方案会审: 预验收: 到厂时间: 安装调试: 试生产: 二、分项设备方案描述 一、设计输入条件 1 . 工艺设计依据 1.1 产品为真空阀体。 1.2 阀体参数: 序号 工件 参数 外型尺寸 重量 1 真空阀体 Φ395×46 50 150×150×36 40 涂装前处理和电泳线方案介绍 2 / 2 3 2 . 车间现状 2.1 长度(不限)×宽7 米×高6.5 米 3 .设计边界条件 3.1 气象条件 3.1.1 环境温度: 夏季:最热月平均温度 28℃ ;最高温度 38℃ 冬季:最冷月平均温度 8 ℃ ;最低温度 -1℃ 3.1.2 环境湿度:90%(Max)。相对湿度:最大95%。 3.2 车间动能条件 3.2.1 电源:380V±10%、220V±10%、50HZ±5%。 3.2.2 蒸汽:10 KPa 3.2.3 压缩空气: 0.5~0.6Mpa 。经过初级过滤。 4 .车间任务及生产纲领 4.1 车间任务 承担真空阀体前处理及喷粉任务。 4.2 生产纲领 年产 24 万件。 4.3 产品特点 最大车外形尺寸:Φ395×46 最大重量: 50Kg 。 最大面积: 0.21m 2。 5 .工作制度和年时基数 全年工作日:312 天 工作班制: 一班制 班工作时制:8 小时 设备开动率:90% 生产节拍:0.56 分钟/件。 涂装前处理和电泳线方案介绍 3 / 2 3 6 . 涂层标准 6.1 产品质量满足机械工业《汽车油漆涂层》标准要求。 6.2 涂层要求 序号 涂层名称及型号 技术要求 烘干条件 备注 1 磷化膜 2-2.5g/m2 --- 二、工艺设备参数的确定 1 、节拍 生产节拍是流水生产线最重要的工作参数,在生产中,生产节拍起着控制生产工序的加工时间,消除设备利用率低、生产线严重阻塞等现象的作用。 2 、工艺计算 序号 工序名称 工艺方法 工艺参数 节拍 节距 链速 工艺长度 设备长度 备注 温度℃ 时间min min m m/min m m 1 上件 手工 RT 2 抛丸 自动 RT 3~5 0.56 0.7 1.25 6.25 9.3 3 热水洗 洪流喷淋 50~60 0.75 0.56 0.7 1.25 ...

1、当您付费下载文档后,您只拥有了使用权限,并不意味着购买了版权,文档只能用于自身使用,不得用于其他商业用途(如 [转卖]进行直接盈利或[编辑后售卖]进行间接盈利)。
2、本站所有内容均由合作方或网友上传,本站不对文档的完整性、权威性及其观点立场正确性做任何保证或承诺!文档内容仅供研究参考,付费前请自行鉴别。
3、如文档内容存在违规,或者侵犯商业秘密、侵犯著作权等,请点击“违规举报”。

碎片内容

涂装前处理和电泳线方案介绍

确认删除?
VIP
微信客服
  • 扫码咨询
会员Q群
  • 会员专属群点击这里加入QQ群
客服邮箱
回到顶部