电脑桌面
添加小米粒文库到电脑桌面
安装后可以在桌面快捷访问

消防检测收费标准VIP免费

消防检测收费标准_第1页
1/10
消防检测收费标准_第2页
2/10
消防检测收费标准_第3页
3/10
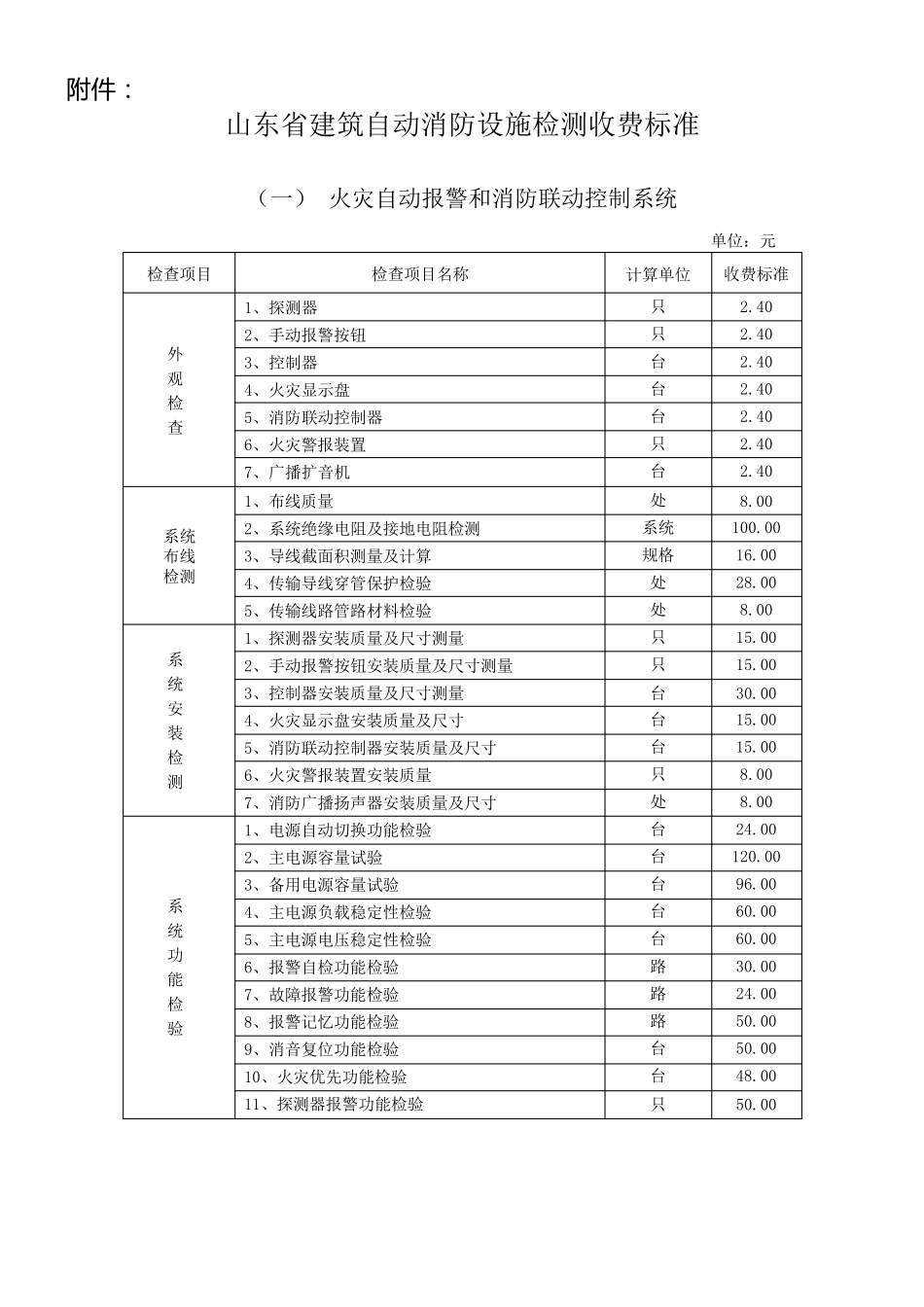
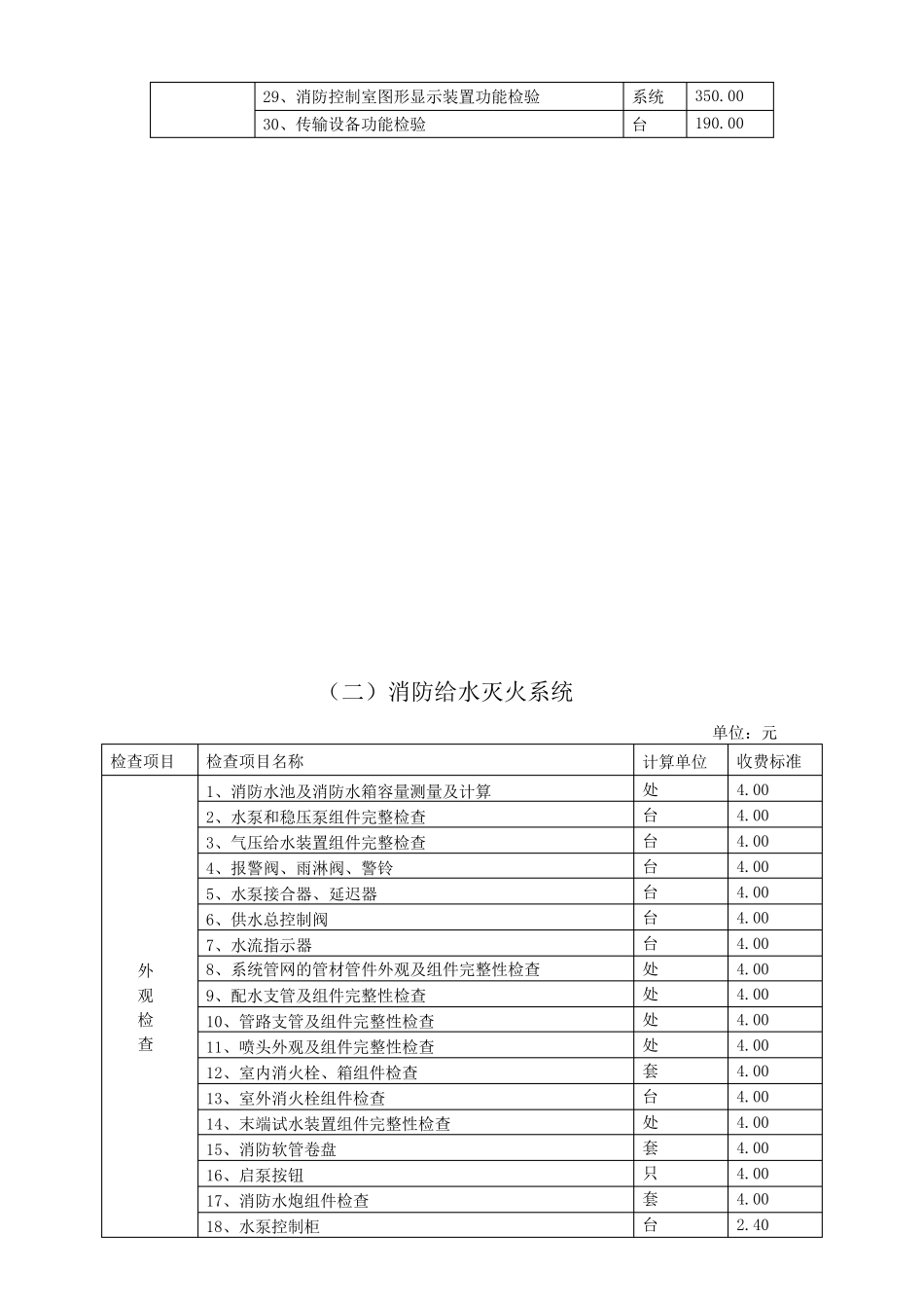
附 件: 山东省建筑自动消防设施检测收费标准 (一) 火灾自动报警和消防联动控制系统 单位:元 检查项目 检查项目名称 计算单位 收费标准 外 观 检 查 1、探测器 只 2.40 2、手动报警按钮 只 2.40 3、控制器 台 2.40 4、火灾显示盘 台 2.40 5、消防联动控制器 台 2.40 6、火灾警报装置 只 2.40 7、广播扩音机 台 2.40 系统 布线 检测 1、布线质量 处 8.00 2、系统绝缘电阻及接地电阻检测 系统 100.00 3、导线截面积测量及计算 规格 16.00 4、传输导线穿管保护检验 处 28.00 5、传输线路管路材料检验 处 8.00 系 统 安 装 检 测 1、探测器安装质量及尺寸测量 只 15.00 2、手动报警按钮安装质量及尺寸测量 只 15.00 3、控制器安装质量及尺寸测量 台 30.00 4、火灾显示盘安装质量及尺寸 台 15.00 5、消防联动控制器安装质量及尺寸 台 15.00 6、火灾警报装置安装质量 只 8.00 7、消防广播扬声器安装质量及尺寸 处 8.00 系 统 功 能 检 验 1、电源自动切换功能检验 台 24.00 2、主电源容量试验 台 120.00 3、备用电源容量试验 台 96.00 4、主电源负载稳定性检验 台 60.00 5、主电源电压稳定性检验 台 60.00 6、报警自检功能检验 路 30.00 7、故障报警功能检验 路 24.00 8、报警记忆功能检验 路 50.00 9、消音复位功能检验 台 50.00 10、火灾优先功能检验 台 48.00 11、探测器报警功能检验 只 50.00 13、民用建筑广播音响功能检验 14、工业建筑广播音响功能检验 区域 15.00 15、火灾事故广播强行切换功能检验 次 30.00 16、选层广播功能检验 次 15.00 17、消防通讯功能检验 次 30.00 18、探测器清洗与功能检验 只 50.00 19、探测器与控制功能检验 区域 190.00 20、消防控制设备功能检验 种 70.00 21、消防控制设备配电 项 25.00 22、火灾显示盘功能检验 台 100.00 23、报警音响检验 项 10.00 24、电梯功能检验 部 70.00 25、火灾警报装置功能检验 只 10.00 26、二次报警功能检验 台 24.00 27、广播扩音机功能检验 台 30.00 28、总线隔离器功能检验 只 30.00 29、消防控制室图形显示装置功能检验 系统 350.00 30、传输设备功能检验 台 190.00 (二)消防给水灭火系统 单位:元 检查项目 检查项目名称 计算单位 收费标准 外 观 检 查 1、消防水池及消防水箱容量...

1、当您付费下载文档后,您只拥有了使用权限,并不意味着购买了版权,文档只能用于自身使用,不得用于其他商业用途(如 [转卖]进行直接盈利或[编辑后售卖]进行间接盈利)。
2、本站所有内容均由合作方或网友上传,本站不对文档的完整性、权威性及其观点立场正确性做任何保证或承诺!文档内容仅供研究参考,付费前请自行鉴别。
3、如文档内容存在违规,或者侵犯商业秘密、侵犯著作权等,请点击“违规举报”。

碎片内容

消防检测收费标准

您可能关注的文档

小辰5+ 关注
实名认证
内容提供者

出售各种资料和文档

确认删除?
VIP
微信客服
  • 扫码咨询
会员Q群
  • 会员专属群点击这里加入QQ群
客服邮箱
回到顶部