电脑桌面
添加小米粒文库到电脑桌面
安装后可以在桌面快捷访问

消防泵性能要求和试验方法VIP免费

消防泵性能要求和试验方法_第1页
1/7
消防泵性能要求和试验方法_第2页
2/7
消防泵性能要求和试验方法_第3页
3/7
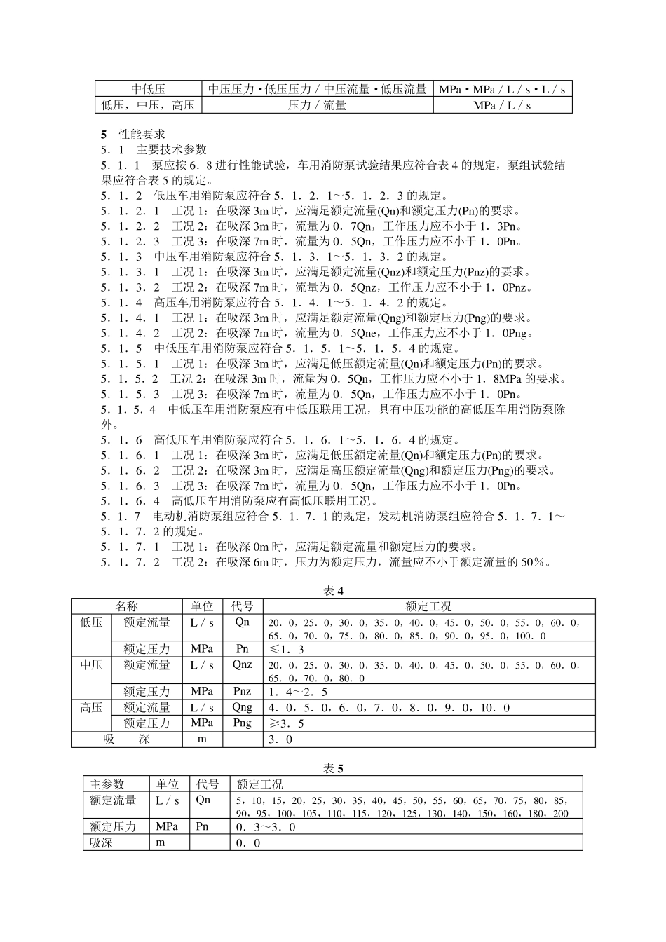
消防泵性能要求和试验方法 GB 6245—1998 国家质量技术监督局1998—07—15 批准 1999—06—01 实施 前言 由于消防泵尚无国际标准,国外各主要技术先进国家的消防泵标准在内容、要求等方面差异很大。因此,本标准是根据我国消防泵生产和使用的具体国情,参考国外消防泵标准修订的。 本标准一方面修改原《车用消防泵性能要求和试验方法》标准,另一方面将标准的范围扩大到消防泵。与前版比较,修订后的标准主要做了以下一些改变:按 GB/T1.1—1993 规定修改标准的编写;适用范围由车用消防泵扩大到消防泵;新增加高压、高低压、中压和中低压车用消防泵、消防泵组性能要求和试验方法的内容;统一了型号的编制;经多次讨论,反复协调规定了泵的中压与低压范围的划分;明确了振动应符合 JB/T 8097—95;修改了水压试验方法;增加了引水装置连续运转试验方法。 引用车用消防泵性能要求和试验方法标准制定的消防泵或车用消防泵产品标准,应按修订后的版本执行。 本标准从生效之日起,同时代替 GB 6245—86。 本标准由中华人民共和国公安部提出。 本标准由全国消防标准化技术委员会第四分技术委员会归口。 本标准由公安部上海消防科学研究所起草。 本标准主要起草人:汪寰、贡祥蕾、武镜华、陈庆沅、田骅、闵永林。 本标准 1986 年 4 月首次发布。 本标准 1998 年 7 月第一次修订。 1 范围 本标准规定了消防泵,包括消防水泵及消防泵组(以下简称泵组)的性能要求、试验方法和检验规则等。 本标准适用于以水为主要灭火剂的消防泵或泵组,如车用消防泵、固定消防泵等。 本标准不适用于船用消防泵、手抬消防泵、微型车用消防泵。 2 引用标准 下列标准所包含的条文,通过在本标准中引用而构成为本标准的条文。本标准出版时,所示版本均为有效。所有标准都会被修订,使用本标准的各方应探讨使用下列标准最新版本的可能性。 GB/T 3214—91 水泵流量的测定方法 GB 3216—89 离心泵、混流泵、轴流泵和旋涡泵试验方法 GB 3797—89 电控设备 第二部分:装有电子器件的电控设备 GB 4720—84 电控设备 第一部分:低压电器电控设备 JB/T 8097—95 泵的振动测量与评价方法 3 定义 本标准采用下列定义。 3.1 车用消防泵 安装在消防车底盘上的消防泵。 3.2 引水时间 自引水装置开始工作至消防泵的出口压力表显示压力的时间。 3.3 吸深 泵基准面和吸入液面之间的高度差,单位:m 。 3.4 低压...

1、当您付费下载文档后,您只拥有了使用权限,并不意味着购买了版权,文档只能用于自身使用,不得用于其他商业用途(如 [转卖]进行直接盈利或[编辑后售卖]进行间接盈利)。
2、本站所有内容均由合作方或网友上传,本站不对文档的完整性、权威性及其观点立场正确性做任何保证或承诺!文档内容仅供研究参考,付费前请自行鉴别。
3、如文档内容存在违规,或者侵犯商业秘密、侵犯著作权等,请点击“违规举报”。

碎片内容

消防泵性能要求和试验方法

确认删除?
VIP
微信客服
  • 扫码咨询
会员Q群
  • 会员专属群点击这里加入QQ群
客服邮箱
回到顶部