电脑桌面
添加小米粒文库到电脑桌面
安装后可以在桌面快捷访问

液压回路分析总题库VIP免费

液压回路分析总题库_第1页
1/37
液压回路分析总题库_第2页
2/37
液压回路分析总题库_第3页
3/37
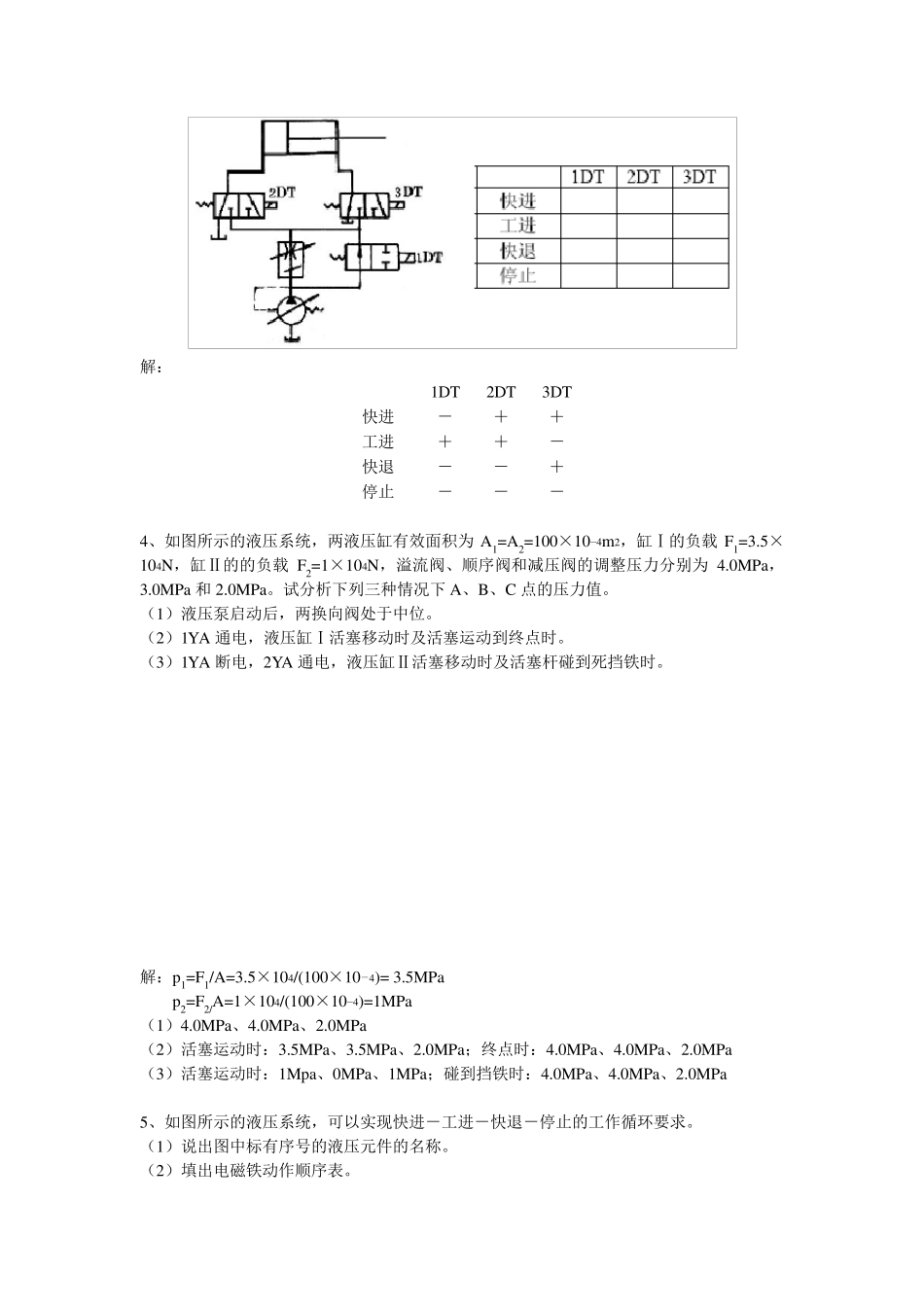
六、回路分析 1、下图所示液压系统是采用蓄能器实现快速运动的回路,试回答下列问题: (1)液控顺序阀3 何时开启,何时关闭? (2)单向阀2 的作用是什么? (3)分析活塞向右运动时的进油路线和回油路线。 答:(1)当蓄能器内的油压达到液控顺序阀3 的调定压力时,阀3 被打开,使液压泵卸荷。当蓄能器内的油压低于液控顺序阀3 的调定压力时,阀3 关闭。 (2)单向阀2 的作用是防止液压泵卸荷时蓄能器内的油液向液压泵倒流。 (3)活塞向右运动时: 进油路线为:液压泵1 → 单向阀2 → 换向阀5 左位→ 油缸无杆腔。 蓄能器→ 换向阀5 左位→ 油缸无杆腔。 回油路线为:油缸有杆腔→ 换向阀5 左位→ 油箱。 2、在图示回路中,如pY1=2MPa,pY2=4MPa,卸荷时的各种压力损失均可忽略不计,试列表表示A、B 两点处在不同工况下的压力值。(单位:MPa) 解: 1DT(+) 2DT(+) 1DT(+) 2DT(-) 1DT(-) 2DT(+) 1DT(-) 2DT(-) A 4 0 4 0 B 6 2 4 0 3、如图所示的液压回路,试列出电磁铁动作顺序表(通电“+”,失电“-”)。 解: 1DT 2DT 3DT 快进 - + + 工进 + + - 快退 - - + 停止 - - - 4、如图所示的液压系统,两液压缸有效面积为A1=A2=100×10−4m2,缸Ⅰ的负载 F1=3.5×104N,缸Ⅱ的的负载 F2=1×104N,溢流阀、顺序阀和减压阀的调整压力分别为4.0MPa,3.0MPa 和 2.0MPa。试分析下列三种情况下 A、B、C 点的压力值。 (1)液压泵启动后,两换向阀处于中位。 (2)1YA 通电,液压缸Ⅰ活塞移动时及活塞运动到终点时。 (3)1YA 断电,2YA 通电,液压缸Ⅱ活塞移动时及活塞杆碰到死挡铁时。 解:p1=F1/A=3.5×104/(100×10-4)= 3.5MPa p2=F2/A=1×104/(100×10−4)=1MPa (1)4.0MPa、4.0MPa、2.0MPa (2)活塞运动时:3.5MPa、3.5MPa、2.0MPa;终点时:4.0MPa、4.0MPa、2.0MPa (3)活塞运动时:1Mpa、0MPa、1MPa;碰到挡铁时:4.0MPa、4.0MPa、2.0MPa 5、如图所示的液压系统,可以实现快进-工进-快退-停止的工作循环要求。 (1)说出图中标有序号的液压元件的名称。 (2)填出电磁铁动作顺序表。 答:(1)1-变量泵,2-调速阀,3-二位二通电磁换向阀,4-二位三通电磁换向阀,5-单杆液压缸。 (2) 动作 电磁铁 1YA 2Y A 3Y A 快进 - + + 工进 + + - 快退 - - + 停止 - - - 6、如图所...

1、当您付费下载文档后,您只拥有了使用权限,并不意味着购买了版权,文档只能用于自身使用,不得用于其他商业用途(如 [转卖]进行直接盈利或[编辑后售卖]进行间接盈利)。
2、本站所有内容均由合作方或网友上传,本站不对文档的完整性、权威性及其观点立场正确性做任何保证或承诺!文档内容仅供研究参考,付费前请自行鉴别。
3、如文档内容存在违规,或者侵犯商业秘密、侵犯著作权等,请点击“违规举报”。

碎片内容

液压回路分析总题库

确认删除?
VIP
微信客服
  • 扫码咨询
会员Q群
  • 会员专属群点击这里加入QQ群
客服邮箱
回到顶部