电脑桌面
添加小米粒文库到电脑桌面
安装后可以在桌面快捷访问

主要钛产品生产工艺流程图VIP免费

主要钛产品生产工艺流程图_第1页
1/8
主要钛产品生产工艺流程图_第2页
2/8
主要钛产品生产工艺流程图_第3页
3/8
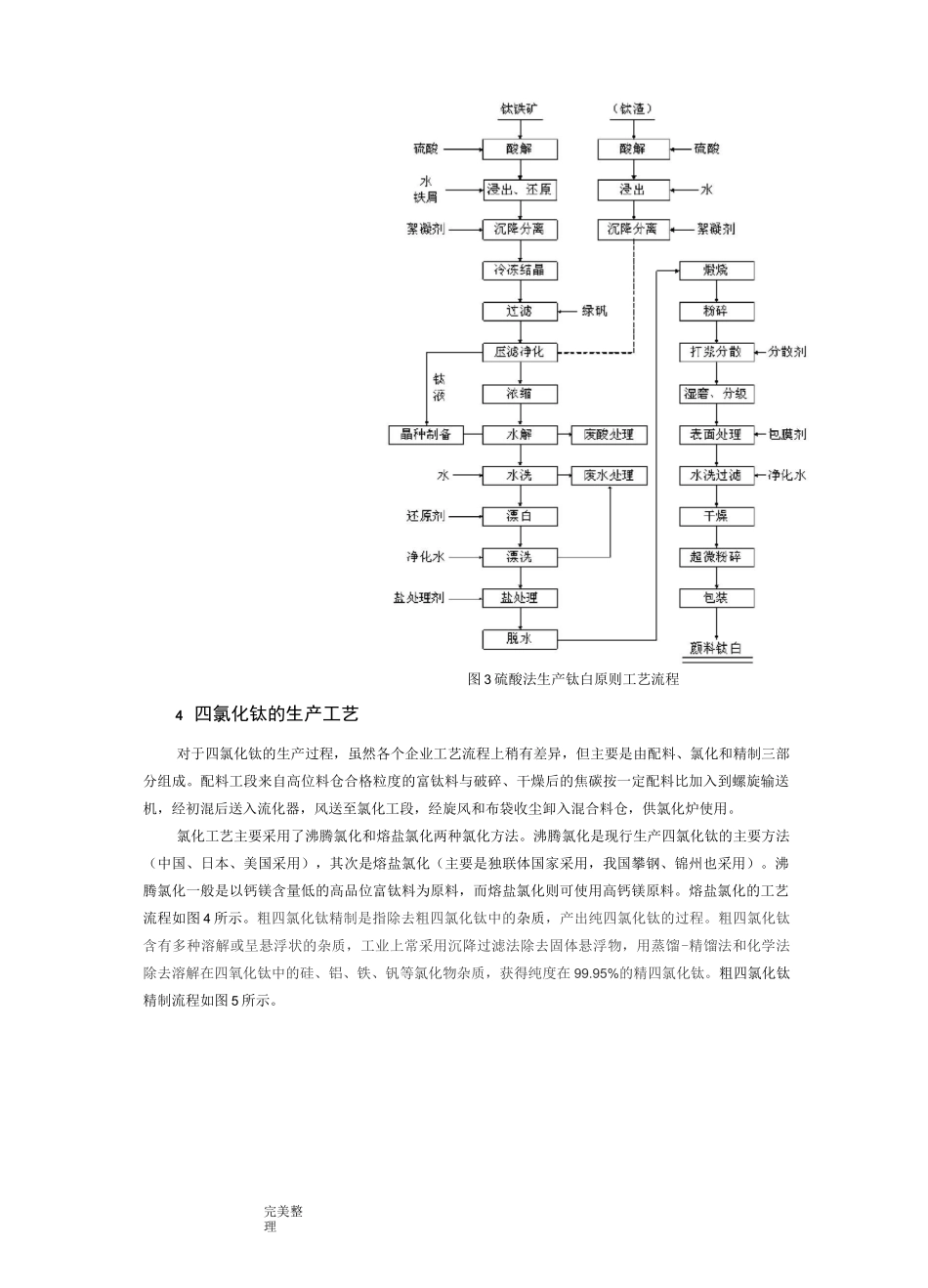
钛ait完美整理[还原1还读产电fflTiCMgCljrMg(NaCl}海石油碟:人逝!金虹石飢气呦威人诒金红MSftp——-—桂出削「歳I~I图 1 钛产品生产原则工艺流程主要钛产品生产工艺流程成都工业学院材料工程学院邹建新攀枝花学院材料工程学院彭富昌1钛产品生产原则流程所有钛产品的最初原料都是含钛矿物,通常为钛铁矿。最终钛产品有两种,一是单质的金属钛,二是氧化物 Ti02,前者作为结构性钛(合金)材料,广泛用于航空航天、海洋、化工及高档民用等领域,后者作为功能性钛白粉颜料,广泛用于涂料、造纸、塑料及电子等领域。钛铁矿经选矿工艺后成为钛精矿,钛精矿经熔炼为钛渣或经湿法冶金处理为人造金红石或富钛料,钛精矿或酸溶性钛渣作为硫酸法钛白的原料,与浓硫酸酸解后生产钛白粉,氯化钛渣或人造金红石经氯化后生成四氯化钛,再用镁高温还原生产海绵钛,海绵钛经高温熔融为钛锭,即可进一步加工成钛材。工艺流程如图 1 所示。2钛渣生产工艺电炉熔炼钛渣的工艺流程包括:配料,制团(可选),电炉熔炼,渣铁分离,冷却炉前钛渣,破碎,磁选,获得成品高钛渣等步骤。钛精矿与碳还原剂一起置于高温电弧炉中熔炼,铁氧化物被还原为金属铁,余下部分为二氧化钛、氧化钙、氧化镁、二氧化硅的熔融混合物,冷却后即为钛渣。如图 2 所示。其中的半钢是指电炉熔炼后获得的含碳较高的铁水。完美整理钛白生产方法包括如下三种:①硫酸法,可生产金红石型和锐钛型钛白;②氯化法,国内仅中信锦州钛业、云南新立、洛阳万基、漯河兴茂、攀钢在生产或在建,国外 55%企业采用,只能生产金红石型钛白;③盐酸法,尚未产业化,新西兰曾进行试生产,国内不少学者也开展过实验研究。生产钛白的硫酸法与氯化法各有优缺点,业界评价褒贬不一。硫酸法会产生绿矾和废酸,但可综合利用,氯化法产生的氯化废渣处理难度较大,一般只能深埋,国内攀钢集团已开发了一种可以有效回收利用氯化废渣的专有技术。硫酸法可生产锐钛型钛白,但氯化法不行。随着环保成本的增加,硫酸法钛白粉厂只要愿意增大资金投入,其“三废”污染问题是可以得到较好解决的。硫酸法生产钛白是成熟的生产方法,使用的原料为钛精矿或钛渣,以及矿渣混合物。硫酸法钛白生产,实际上是一个通过分离、提纯等化学和物理方法,去除钛精矿(钛渣)中的杂质,只保留 90%以上no?的一个化工过程。硫酸法钛白生产的主要环节包括:① 酸解;②钛液水解;③偏钛酸盐处理;④偏钛酸煅烧;⑤钛白后处理。生产钛白...

1、当您付费下载文档后,您只拥有了使用权限,并不意味着购买了版权,文档只能用于自身使用,不得用于其他商业用途(如 [转卖]进行直接盈利或[编辑后售卖]进行间接盈利)。
2、本站所有内容均由合作方或网友上传,本站不对文档的完整性、权威性及其观点立场正确性做任何保证或承诺!文档内容仅供研究参考,付费前请自行鉴别。
3、如文档内容存在违规,或者侵犯商业秘密、侵犯著作权等,请点击“违规举报”。

碎片内容

主要钛产品生产工艺流程图

确认删除?
VIP
微信客服
  • 扫码咨询
会员Q群
  • 会员专属群点击这里加入QQ群
客服邮箱
回到顶部