电脑桌面
添加小米粒文库到电脑桌面
安装后可以在桌面快捷访问

屋面工程技术交底记录VIP免费

屋面工程技术交底记录_第1页
1/6
屋面工程技术交底记录_第2页
2/6
屋面工程技术交底记录_第3页
3/6
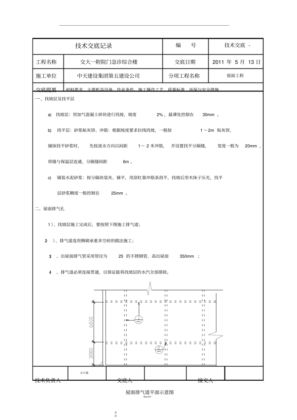
技术交底记录编号技术交底 - 工程名称交大一附院门急诊综合楼交底日期2011 年 5 月 13 日施工单位中天建设集团第五建设公司分项工程名称屋面工程交底提要材料要求、主要机具设备、作业条件、施工操作工艺、质量标准、环保与安全措施一、找坡层及找平层a)找坡层:用加气混凝土碎块进行找坡,坡度2% ,最薄处控制在30mm 。b)找平层:砂浆帖灰饼、冲筋:根据坡度要求拉线找坡,一般按1 ~2m 贴灰饼,铺抹找平砂浆时,先按流水方向以间距1~ 2 米冲筋,并设置找平分隔缝,宽度一般为20mm ,将缝与保温层连通,分隔缝间距6m 。c)铺装水泥砂浆:按分隔块装灰、铺平,用刮杠靠冲筋条刮平,找坡后用木抹子压光,找平层砂浆稠度一般控制在25mm 。二、屋面排气孔1 )、找坡层施工完成后,要按照下图施工排气道;2) )、排气道选用侧砌承重多空砖的做法施工;3) 、出屋面排气管采用管径为25 的不锈钢管,高出屋面350mm ;4) 、排气道必须连接贯通,以保证能将找坡层的水汽全部排除。女儿墙技术负责人交底人接交人屋面排气道平面示意图精品资料各层做精品资料技术交底记录编号技术交底 - 交底提要材料要求、主要机具设备、作业条件、施工操作工艺、质量标准、环保与安全措施1、本表由施工单位填写,交底单位与接受交底单位各存一份。2、当做分项工程施工技术交底时,应填写“分项工程名称”栏,其它技术交底可不填写。工程名称交大一附院门急诊综合楼交底日期2011 年 5 月 13 日施工单位中天建设集团第五建设公司分项工程名称屋面工程精品资料三、卷材防水层施工1、卷材防水层的施工流程:基层表面清理→涂刷基层处理剂→节点附加层增强处理→定位、弹线、试铺→铺贴卷材→收头处理、节点密封→清理检查修整→保护层施工。2、在确保上道工序表面清洁、干燥的情况下进行。先从流水坡度的下坡开始,按卷材规格弹出基准铺贴线,并使卷材的长向与流水方向垂直。3、自粘型橡胶沥青聚乙烯防水卷材施工前,应先做好节点、附加层和屋面排水比较集中的部位(如屋面与落水口连接处、檐口、天沟、屋面转角等)的处理,然后由屋面最低标高处向上施工;4、卷材的搭接:上下层卷材及相邻卷材的搭接缝应相互错开,短向及长向搭接均为80mm ,端头接茬要错开250mm 。5、分隔缝处防水构造做法:找平层的分格缝位置应留设在板端缝处,当采用水泥砂浆、细石砼时,其纵横缝的最大间距不宜大于6m ,缝内应嵌填密封材料。6、水落口处防水构造做法技...

1、当您付费下载文档后,您只拥有了使用权限,并不意味着购买了版权,文档只能用于自身使用,不得用于其他商业用途(如 [转卖]进行直接盈利或[编辑后售卖]进行间接盈利)。
2、本站所有内容均由合作方或网友上传,本站不对文档的完整性、权威性及其观点立场正确性做任何保证或承诺!文档内容仅供研究参考,付费前请自行鉴别。
3、如文档内容存在违规,或者侵犯商业秘密、侵犯著作权等,请点击“违规举报”。

碎片内容

屋面工程技术交底记录

您可能关注的文档

确认删除?
VIP
微信客服
  • 扫码咨询
会员Q群
  • 会员专属群点击这里加入QQ群
客服邮箱
回到顶部