电脑桌面
添加小米粒文库到电脑桌面
安装后可以在桌面快捷访问

屋面木基层构件制作分项工程质量检验评定表VIP专享VIP免费

屋面木基层构件制作分项工程质量检验评定表_第1页
1/1
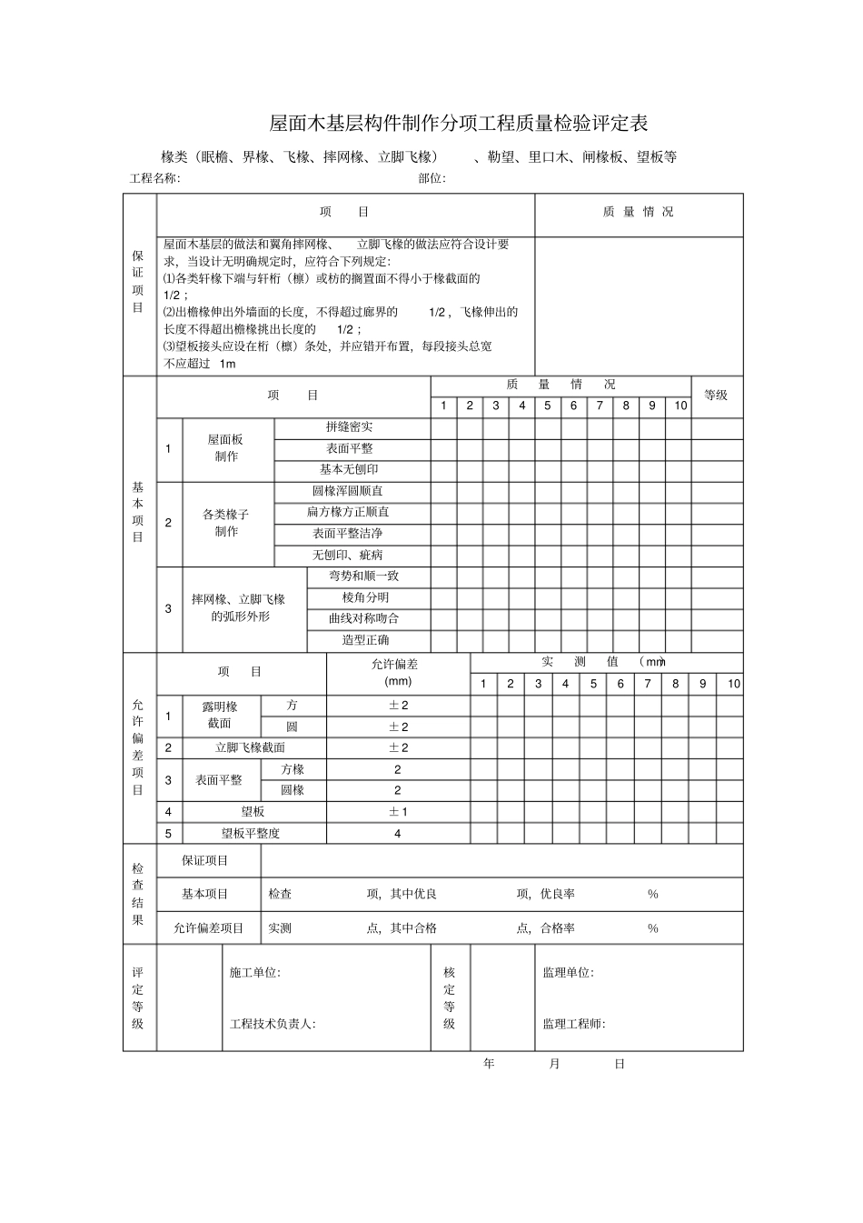
屋面木基层构件制作分项工程质量检验评定表椽类(眠檐、界椽、飞椽、摔网椽、立脚飞椽)、勒望、里口木、闸椽板、望板等工程名称:部位:保证项目项目质 量 情 况屋面木基层的做法和翼角摔网椽、立脚飞椽的做法应符合设计要求,当设计无明确规定时,应符合下列规定:⑴各类轩椽下端与轩桁(檩)或枋的搁置面不得小于椽截面的1/2 ;⑵出檐椽伸出外墙面的长度,不得超过廊界的1/2 ,飞椽伸出的长度不得超出檐椽挑出长度的1/2 ;⑶望板接头应设在桁(檩)条处,并应错开布置,每段接头总宽不应超过 1m基本项目项目质量情况等级123456789101屋面板制作拼缝密实表面平整基本无刨印2各类椽子制作圆椽浑圆顺直扁方椽方正顺直表面平整洁净无刨印、疵病3摔网椽、立脚飞椽的弧形外形弯势和顺一致棱角分明曲线对称吻合造型正确允许偏差项目项目允许偏差(mm)实测值( mm)123456789101露明椽截面方± 2圆± 22立脚飞椽截面± 23表面平整方椽2圆椽24望板± 15望板平整度4检查结果保证项目基本项目检查项,其中优良项,优良率%允许偏差项目实测点,其中合格点,合格率%评定等级施工单位:工程技术负责人:核定等级监理单位:监理工程师:年月日

1、当您付费下载文档后,您只拥有了使用权限,并不意味着购买了版权,文档只能用于自身使用,不得用于其他商业用途(如 [转卖]进行直接盈利或[编辑后售卖]进行间接盈利)。
2、本站所有内容均由合作方或网友上传,本站不对文档的完整性、权威性及其观点立场正确性做任何保证或承诺!文档内容仅供研究参考,付费前请自行鉴别。
3、如文档内容存在违规,或者侵犯商业秘密、侵犯著作权等,请点击“违规举报”。

碎片内容

屋面木基层构件制作分项工程质量检验评定表

确认删除?
VIP
微信客服
  • 扫码咨询
会员Q群
  • 会员专属群点击这里加入QQ群
客服邮箱
回到顶部