电脑桌面
添加小米粒文库到电脑桌面
安装后可以在桌面快捷访问

(09建筑工程)土力学与地基基础课程设计任务书VIP免费

(09建筑工程)土力学与地基基础课程设计任务书_第1页
1/14
(09建筑工程)土力学与地基基础课程设计任务书_第2页
2/14
(09建筑工程)土力学与地基基础课程设计任务书_第3页
3/14
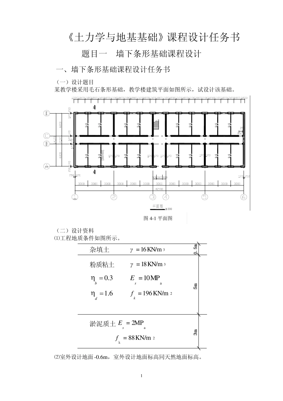
1 《土力学与地基基础》课程设计任务书 题目一 墙下条形基础课程设计 一、墙下条形基础课程设计任务书 (一)设计题目 某教学楼采用毛石条形基础,教学楼建筑平面如图所示,试设计该基础。 (二)设计资料 ⑴工程地质条件如图所示。 杂填土 3KN/m16=γ 粉质粘土 3KN/m18=γ 3.0b aMP10=sE 6.1d 2KN/m196=kf 淤泥质土a2MP=sE 2KN/m88=kf ⑵室外设计地面-0.6m ,室外设计地面标高同天然地面标高。 图4-1 平面图 2 ⑶由上部结构传至基础顶面的竖向力值分别为外纵墙(两窗中心间 3.3m 墙体)∑F1K=558.57kN,山墙(1m 墙体)∑F2K=168.61kN,内横墙(1m 墙体)∑F3K=162.68kN,内纵墙(轴线间两门中心间 8.26m 墙体)∑F4K=1533.15kN。 ⑷基础采用 M5 水泥砂浆砌毛石,标准冻深为 1.2m。 (三)设计内容 ⑴荷载计算 (包括选计算单元、确定其宽度)。 ⑵确定基础埋置深度。 ⑶确定地基承载力特征值。 ⑷确定基础的宽度和剖面尺寸。 ⑸承载力验算(持力层强度验算和软弱下卧层强度验算)。 ⑹绘制施工图(平面图、详图)。 (四)设计要求 ⑴计算书要求 书写工整、数字准确、图文并茂。 ⑵制图要求 绘制 2 号图纸一张,包括基础平面布置图和基础剖面图,并编写施工说明。绘图比例:基础平面布置图 1︰100;基础剖面图 1︰30。所有图线、图例尺寸和标注方法均应符合新的制图标准,图纸上所有汉字和数字均应书写端正、排列整齐、笔画清晰,中文书写为仿宋字 二、墙下条形基础课程设计指导书 (一)荷载计算 1.选定计算单元 对有门窗洞口的墙体,取洞口间墙体为计算单元;对无 门窗洞口的墙体,则可取1m 为计算单元(在计算书上应表示出来)。 2.荷载计算 计算每个计算单元上的竖向力值(已知竖向力值除以计算单元宽度)。 (二)确定基础埋置深度 d 根据工程地质条件、建筑物使用要求以及地下水等因素,确定基础埋置深度。GB50007-2002 规定 dmin=Zd-h max 或经验确定 dmin=Z0+(100~200)mm。 式中 Zd——设计冻深,Zd= Z0·ψ zs·ψ zw·ψ ze; Z0——标准冻深; ψ zs——土的类别对冻深的影响系数,按规范中表5.1.7-1; ψ zw ——土的冻胀性对冻深的影响系数,按规范中表5.1.7-2; ψ ze ——环境对冻深的影响系数,按规范中表5.1.7-3; (三)确定地基承载力特征值 fa )5.0()3(mdbakadbff 式中 fa——修正后的地基承载力特征值(kPa...

1、当您付费下载文档后,您只拥有了使用权限,并不意味着购买了版权,文档只能用于自身使用,不得用于其他商业用途(如 [转卖]进行直接盈利或[编辑后售卖]进行间接盈利)。
2、本站所有内容均由合作方或网友上传,本站不对文档的完整性、权威性及其观点立场正确性做任何保证或承诺!文档内容仅供研究参考,付费前请自行鉴别。
3、如文档内容存在违规,或者侵犯商业秘密、侵犯著作权等,请点击“违规举报”。

碎片内容

(09建筑工程)土力学与地基基础课程设计任务书

您可能关注的文档

确认删除?
VIP
微信客服
  • 扫码咨询
会员Q群
  • 会员专属群点击这里加入QQ群
客服邮箱
回到顶部