电脑桌面
添加小米粒文库到电脑桌面
安装后可以在桌面快捷访问

01062007管道支吊架制作安装施工工艺VIP免费

01062007管道支吊架制作安装施工工艺_第1页
1/6
01062007管道支吊架制作安装施工工艺_第2页
2/6
01062007管道支吊架制作安装施工工艺_第3页
3/6
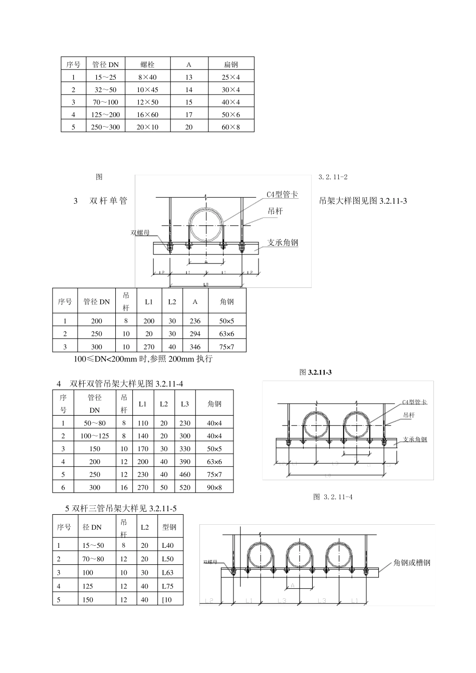
武汉建工安装工程有限公司企业标准 管道支吊架制作安装施工工艺标准 Q/JB 01-06-2006 1 适用范围 适用于建筑工程中室内给排水管道、空调水管道、热力管道固定支架、滑动支架,导向支架及吊架的制作安装。 2 施工准备 2 .1 材料的质量要求 2 .1 .1 各种材料应具有出厂质量证明文件 2 .1 .2 型钢等材料外观表面应平整,厚度均匀,无明显伤痕、裂纹、弯曲、锈蚀等质量 缺陷。 2 .2 主要机具 2 .2 .1 机械设备:型材切割机、台钻、电焊机、冲击电钻等。 2 .2 .2 专用和通用机具:铁锤、板手、样冲、划规、划针、电钻等。 2 .2 .3 测量、检测和试验设备:直尺、钢卷尺。 2 .3 作业条件 2 .3 .1 施工现场地面平整、洁净、宽敞、明亮。 2 .3 .2 机具设备和相应的电源能满足连续施工的要求。 2 .3 .3 工序前要有施工员书面技术、质量、安全交底。 3 操作工艺 3 .1 管道支吊架制作 3 .1 .1 管道支、吊架一般用型钢制作,制作前首先检查钢材的钢号及规格应符合图纸 或 有关 标准图的要求,加 工前对 进 场的钢材进 行 调直和校 正 。 3 .1 .2 下 料前先在 材料上 用划规、划针、石 笔 等划线 ,划出的线 应平整清 晰 ,需 要钻孔 的材料,先在 光 滑的一面上 画 出十 字 中心 线 ,用样冲冲出中心 线 孔 ,需 加 弯曲的材料应先放 样画 出弯曲线 样。 3 .1 .3 制作支架材料采 用机械切割下 料,钻孔 采 用台钻或 手钻加 工,加 工时 将 钻头 中心 对 准钻孔 中心 ,将 工件放 平,选 用的钻头 大 小 要合适。批 量加 工时 ,先加 工样板,用杆 件试穿 后 夹 紧 集 中加 工,钻孔 后 用锉 刀 将 毛 边 锉 平。 3 .1 .4 吊卡 一般用扁 钢弯制,用扁 钢制作时 ,卡 件内径 应与 管子 外径 相等,对 口 部 位 要留 出吊杆 的空位 ,扁 钢下 料后 可 以 冷 弯或 热弯之 后 再 钻孔 ,便 于对 准螺 栓 孔 板,用圆 钢制作吊卡 时 ,下 料长 度要考 虑 煨 制螺 栓 圈 的用料。 3 .1 .5 吊杆 套 丝 要选 用合适的板牙 ,加 工好 的丝 头 用标准螺 母 进 行 试装,以 调整套 丝 的板数 。 3 .1 .6 应对 滑动支架接 触 面进 行 加 工,使 其 粗 糙 度达 到 制造 说 明要求。 3 .1 .7 对 需 要组 装焊接 的支架,先划...

1、当您付费下载文档后,您只拥有了使用权限,并不意味着购买了版权,文档只能用于自身使用,不得用于其他商业用途(如 [转卖]进行直接盈利或[编辑后售卖]进行间接盈利)。
2、本站所有内容均由合作方或网友上传,本站不对文档的完整性、权威性及其观点立场正确性做任何保证或承诺!文档内容仅供研究参考,付费前请自行鉴别。
3、如文档内容存在违规,或者侵犯商业秘密、侵犯著作权等,请点击“违规举报”。

碎片内容

01062007管道支吊架制作安装施工工艺

您可能关注的文档

确认删除?
VIP
微信客服
  • 扫码咨询
会员Q群
  • 会员专属群点击这里加入QQ群
客服邮箱
回到顶部