电脑桌面
添加小米粒文库到电脑桌面
安装后可以在桌面快捷访问

180度砂石基础及检查井工程量计算VIP免费

180度砂石基础及检查井工程量计算_第1页
1/54
180度砂石基础及检查井工程量计算_第2页
2/54
180度砂石基础及检查井工程量计算_第3页
3/54
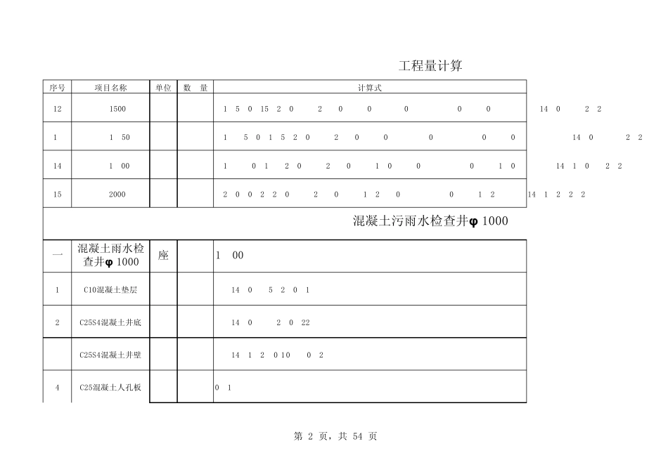
序号 项目名称 单位数 量计算式1D300m3#NAME?(0.3+0.03*2+0.4*2+(0.1+0.18)*0.67)*(0.1+0.18)-3.14*0.18^2/22D400m3#NAME?(0.4+0.04*2+0.4*2+(0.1+0.24)*0.67)*(0.1+0.24)-3.14*0.24^2/23D500m3#NAME?(0.5+0.05*2+0.4*2+(0.1+0.3)*0.67)*(0.1+0.3)-3.14*0.3^2/24D600m3#NAME?(0.6+0.06*2+0.5*2+(0.1+0.36)*0.67)*(0.1+0.36)-3.14*0.36^2/25D700m3#NAME?(0.7+0.07*2+0.5*2+(0.15+0.42)*0.67)*(0.15+0.42)-3.14*0.42^2/26D800m3#NAME?(0.8+0.08*2+0.5*2+(0.15+0.48)*0.67)*(0.15+0.48)-3.14*0.48^2/27D900m3#NAME?(0.9+0.09*2+0.5*2+(0.2+0.54)*0.67)*(0.2+0.54)-3.14*0.54^2/28D1000m3#NAME?(1+0.1*2+0.5*2+(0.2+0.6)*0.67)*(0.2+0.6)-3.14*0.6^2/29D1100m3#NAME?(1.1+0.11*2+0.6*2+(0.2+0.66)*0.67)*(0.2+0.66)-3.14*0.66^2/210D1200m3#NAME?(1.2+0.12*2+0.6*2+(0.25+0.72)*0.67)*(0.25+0.72)-3.14*0.72^2/211D1350m3#NAME?(1.35+0.135*2+0.6*2+(0.25+0.81)*0.67)*(0.25+0.81)-3.14*0.81^2/2工程量计算第 1 页,共 54 页序号 项目名称 单位数 量计算式工程量计算12D1500m3#NAME?(1.5+0.15*2+0.6*2+(0.3+0.9)*0.67)*(0.3+0.9)-3.14*0.9^2/213D1650m3#NAME?(1.65+0.165*2+0.8*2+(0.3+0.99)*0.67)*(0.3+0.99)-3.14*0.99^2/214D1800m3#NAME?(1.8+0.18*2+0.8*2+(0.3+1.08)*0.67)*(0.3+1.08)-3.14*1.08^2/215D2000m3#NAME?(2.0+0.2*2+0.8*2+(0.3+1.2)*0.67)*(0.3+1.2)-3.14*1.2^2/2一混凝土雨水检查井φ 1000座#####1.001C10混凝土垫层m3#NAME?3.14*0.85^2*0.12C25S4混凝土井底m3#NAME?3.14*0.8^2*0.223C25S4混凝土井壁m3#NAME?3.14*1.2*(1.8+0.06)*0.24C25混凝土人孔板m3#NAME?0.13混凝土污雨水检查井φ 1000第 2 页,共 54 页序号 项目名称 单位数 量计算式工程量计算5人孔板螺纹钢Kg#NAME?20.696φ 700预制C30混凝土井筒(井座)m3#NAME?3.14*0.816*(4.6-0.1-0.22-0.06-1.8-0.12)*0.1167铸铁踏步个#NAME?((4.6-0.6)/0.36+1)8井壁螺纹钢 kg#NAME?#NAME?⑴水平筋(井身)kg#NAME?((1.8+0.06-0.035*2)/0.2+1)*((3.14*1)+(3.14*1.4))*0.888⑵ 竖向内侧筋 kg#NAME?(3.14*1.2/0.2+1)*(1.8+0.06+33*0.012-0.035)*0.888⑶ 竖向外侧筋 kg#NAME?((3.14*1.2/0.2+1)*((1.8+0.06-0.035)+(0.22-0.04))+8.12)*0.888①圆面积Sm2#NAME?3.14*0.7^2②对应圆面积的正方形边长am#NAME?sqrt(1.54)第 3 页,共 54 页序号 项目名...

1、当您付费下载文档后,您只拥有了使用权限,并不意味着购买了版权,文档只能用于自身使用,不得用于其他商业用途(如 [转卖]进行直接盈利或[编辑后售卖]进行间接盈利)。
2、本站所有内容均由合作方或网友上传,本站不对文档的完整性、权威性及其观点立场正确性做任何保证或承诺!文档内容仅供研究参考,付费前请自行鉴别。
3、如文档内容存在违规,或者侵犯商业秘密、侵犯著作权等,请点击“违规举报”。

碎片内容

180度砂石基础及检查井工程量计算

小辰9+ 关注
实名认证
内容提供者

出售各种资料和文档

确认删除?
VIP
微信客服
  • 扫码咨询
会员Q群
  • 会员专属群点击这里加入QQ群
客服邮箱
回到顶部