电脑桌面
添加小米粒文库到电脑桌面
安装后可以在桌面快捷访问

1箱变基础分部、分项、检验批VIP专享VIP免费

1箱变基础分部、分项、检验批_第1页
1/50
1箱变基础分部、分项、检验批_第2页
2/50
1箱变基础分部、分项、检验批_第3页
3/50
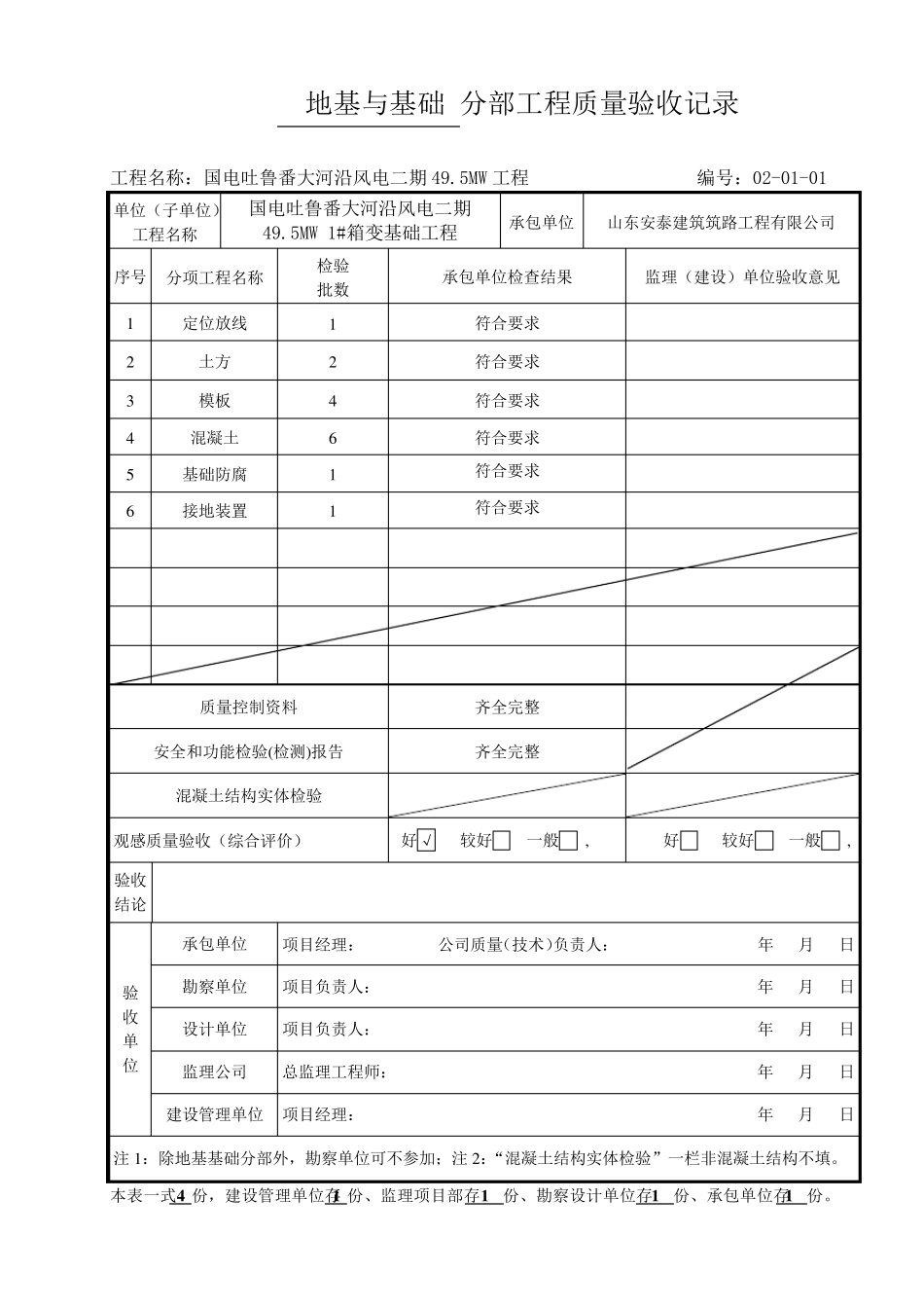
地基与基础分部工程质量验收申请表 表号:DJH-B-07 工程名称:国电吐鲁番大河沿风电二期49.5MW 工程 编号:GDTLF-DHY2-SDAT-01-XBFB 致:甘肃华研水电咨询有限公司国电吐鲁番大河沿风电二期49.5MW 工程 监理项目部: 根据施工承包合同的规定, 1#箱变基础地基与基础 分部工程已施工完毕,经项目部自检,质量符合国家标准和技术规范以及本工程设计的要求,请审查和验收。 附件:1、 地基与基础 分部工程质量验收记录表(土建工程) 1 页; 承包单位(章): 项目经理: 日 期: 年 月 日 专业监理工程师查验意见: 专业监理工程师: 日 期: 年 月 日 监理项目部审查意见: 监理项目部(章): 总 监理工程师 : 日 期: 年 月 日 本表一式 4 份,由承包单位填报,建设管理单位存 2 份,监理项目部存 1 份,承包单位存 1 份。 地 基 与 基 础 分 部 工 程 质 量 验 收 记 录 工 程 名 称 : 国 电 吐 鲁 番 大 河 沿 风 电 二 期 49.5MW 工 程 编 号 : 02-01-01 单 位 ( 子 单 位 )工 程 名 称 国 电 吐 鲁 番 大 河 沿 风 电 二 期49.5MW 1#箱 变 基 础 工 程 承 包 单 位 山 东 安 泰 建 筑 筑 路 工 程 有 限 公 司 序 号 分 项 工 程 名 称 检 验 批 数 承 包 单 位 检 查 结 果 监 理 ( 建 设 ) 单 位 验 收 意 见 1 定 位 放 线 1 符 合 要 求 2 土 方 2 符 合 要 求 3 模 板 4 符 合 要 求 4 混 凝 土 6 符 合 要 求 5 基 础 防 腐 1 符 合 要 求 6 接 地 装 置 1 符 合 要 求 质 量 控 制 资 料 齐 全 完 整 安 全 和 功 能 检 验 (检 测 )报 告 齐 全 完 整 混 凝 土 结 构 实 体 检 验 观 感 质 量 验 收 ( 综 合 评 价 ) 好 √ 较 好 一 般 , 好 较 好 一 般 , 验 收结 论 验 收 单 位 承 包 单 位 项 目 经 理 : 公 司 质 量( 技 术 )负 责 人 : 年 月 日 勘 察 单 位 项 目 负 责 人 : 年 月 日 设 计 单 位 项 目 负 责 人 : 年 月 日 监 理 公 司 总 监 理 工 程 师 : 年 月 日 建 设 管 理 单 位 项 目 经 理 : 年 月 日 注 ...

1、当您付费下载文档后,您只拥有了使用权限,并不意味着购买了版权,文档只能用于自身使用,不得用于其他商业用途(如 [转卖]进行直接盈利或[编辑后售卖]进行间接盈利)。
2、本站所有内容均由合作方或网友上传,本站不对文档的完整性、权威性及其观点立场正确性做任何保证或承诺!文档内容仅供研究参考,付费前请自行鉴别。
3、如文档内容存在违规,或者侵犯商业秘密、侵犯著作权等,请点击“违规举报”。

碎片内容

1箱变基础分部、分项、检验批

确认删除?
VIP
微信客服
  • 扫码咨询
会员Q群
  • 会员专属群点击这里加入QQ群
客服邮箱
回到顶部