电脑桌面
添加小米粒文库到电脑桌面
安装后可以在桌面快捷访问

2.危险源辨识、评价、分类、分级表VIP免费

2.危险源辨识、评价、分类、分级表_第1页
1/9
2.危险源辨识、评价、分类、分级表_第2页
2/9
2.危险源辨识、评价、分类、分级表_第3页
3/9
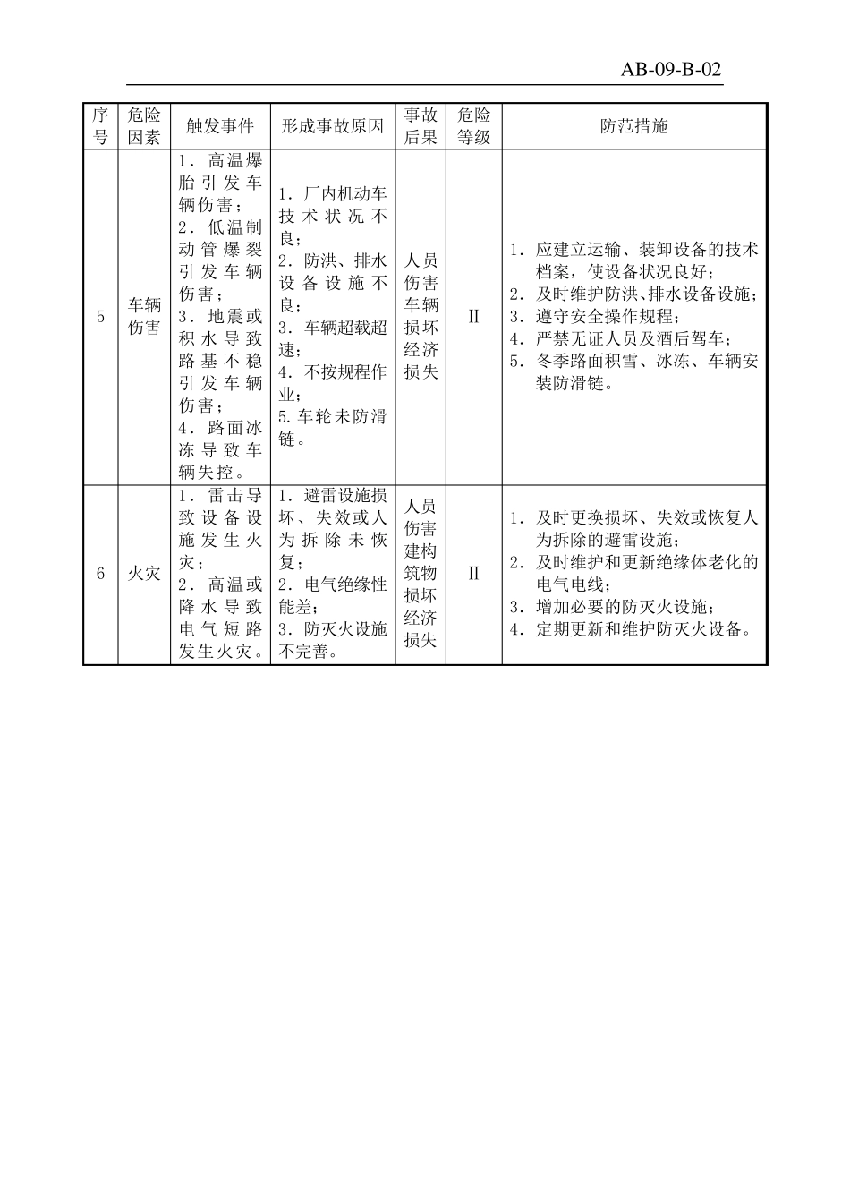
AB-09-B-02 危 险 源 辨 识 、 评 价 、 分 类 、 分 级 表 本 表 依 据 日 常 及 专 项 安 全 检 查 结 果 辨 识 、 编 制 自 然 条 件 危 险 源 辨 识 与 风 险 评 估 序号 危 险因 素 触 发 事 件 形 成 事 故 原 因 事 故后 果 危 险等 级 防 范 措 施 1 雷 击触 电 1. 夏季雷电季节季节自然直接 雷 击 ; 2. 雷电二次 作 用 , 沿着电气线路 、 金 属 管道 侵 入 。 1.烟 囱 高 耸 建筑 且 未 安 装 避雷 设 施 ; 2.变 配 电 变 压器 、 电 杆 等 未安 装 避 雷 器 ; 3.避 雷 设 施 损坏 、 失 效 或 人为拆除未恢复 。 人 员伤 亡建 构筑 物损 坏供 电中 断经 济损 失 Ⅲ 1.安 装 避 雷 设 施 、 避 雷 器 ; 2.及 时 更 换 损 坏 、失 效 或 恢 复 人 为拆 除 的 避 雷 设 施 。 2 高 低温 1. 夏 季 酷暑 , 室 外 温度高达40℃以上; 2. 冬季 寒冷, 最低 温度 -18.4 ℃以下。 1 防 暑 降温 用品未发放到位; 2.空调、 风 扇等 设 备工作 不正常 ; 3. 通风不畅通; 4. 防 寒用 品未发 放到位。 人 员伤 害 Ⅱ 1.加强防 暑 降温 和防 寒用 品的 管理; 2.及 时 维修制 热、 制 冷及 通风 设备; 3 地 震 1. 断层错动 ; 2. 岩溶塌陷 ; 3.陨 石撞 击 ; 4.地函物质相变 化 。 工程 建 ( 构 )筑 物 设 防 等 级低 于 所 在 区 域地 震 烈 度 人 员伤 亡 建 构筑 物损 坏经 济损 失 Ⅲ 1. 及 时 维护 老 化 的 建(构 )筑 物 ; 2.定 期 对 工作 人 员 举 行 逃 生 演 习 ,加强工作 人 员 的 防 震 能 力 ; 4 内 涝水 灾 1. 雨 季 积累大量降水 ; 2. 排 水 不畅通。 1. 防 洪 设 备设施 不完 善 2. 排 水 设 备设施 不畅通 人 员伤 害 建 构筑 物损 坏经 济损 失 Ⅱ 1.及 时 维护 和增 设 必 要 的 防 洪 设备设 施 。 2.定 期 对 排 水 设 备设 施 进 行 维护 ,对 可 能 造 成 淤 塞 的 位置 进 行 清 理,保 证 排 水 畅通。 AB-09-B-02 序号 危险因素 触发事件 形成事故原因 事故后果 危险等级 防范措...

1、当您付费下载文档后,您只拥有了使用权限,并不意味着购买了版权,文档只能用于自身使用,不得用于其他商业用途(如 [转卖]进行直接盈利或[编辑后售卖]进行间接盈利)。
2、本站所有内容均由合作方或网友上传,本站不对文档的完整性、权威性及其观点立场正确性做任何保证或承诺!文档内容仅供研究参考,付费前请自行鉴别。
3、如文档内容存在违规,或者侵犯商业秘密、侵犯著作权等,请点击“违规举报”。

碎片内容

2.危险源辨识、评价、分类、分级表

确认删除?
VIP
微信客服
  • 扫码咨询
会员Q群
  • 会员专属群点击这里加入QQ群
客服邮箱
回到顶部