电脑桌面
添加小米粒文库到电脑桌面
安装后可以在桌面快捷访问

PST1200主变运行说明VIP免费

PST1200主变运行说明_第1页
1/18
PST1200主变运行说明_第2页
2/18
PST1200主变运行说明_第3页
3/18
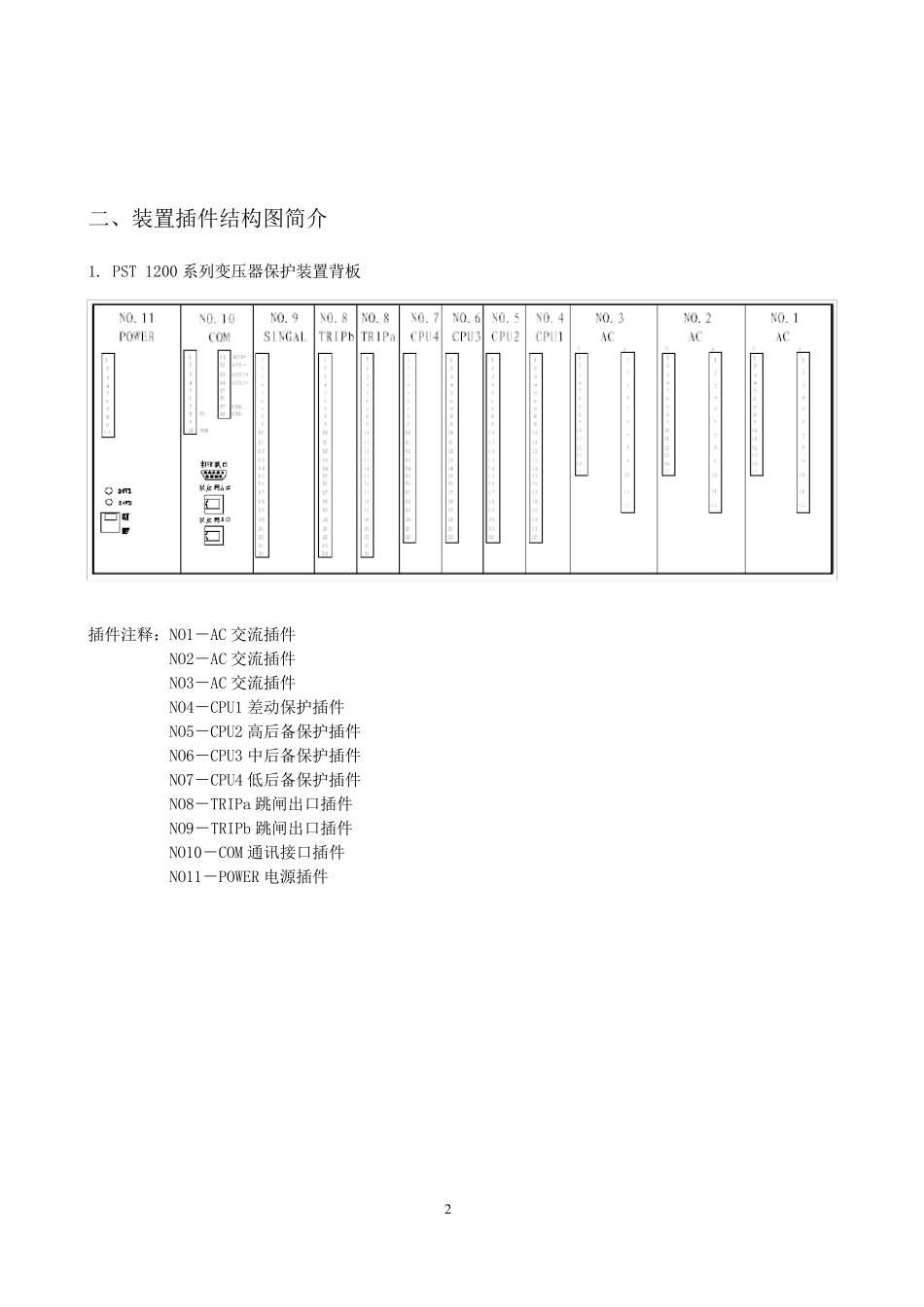
1 PST-1200变压器保护装置运行说明 一、装置功能概述 1 .保护功能整体描述: PST-1200 系列数字式变压器保护装置是以差动保护、后备保护和本体保护为基本配置的成套变压器保护装置,适用于 500KV、330KV、220KV、110KV 等大型电力变压器。本系列数字式变压器保护装置有两种不同原理的差动保护。本系列保护装置基本配置设有完全相同的 CPU 插件,分别完成差动保护功能,高压侧后备保护功能, 中压侧后备保护功能,低压侧后备保护功能,各种保护功能均由软件实现。瓦斯保护由独立机箱实现。 保护的逻辑关系符合国家设计原则。本系列数字式变压器保护装置的保护配置和各保护时限的跳闸逻辑可在线编程。 2.保护装置 CPU 分工描述:本保护装置采用一体化设计,包括所有的变压器电量保护,其中有二次谐波闭锁原理的差动保护、高压侧后备保护、中压侧后备保护、低压侧后备保护;适用于 220KV 电压等级的变压器。差动保护和后备保护共用 TA 回路、出口回路、信号回路、直流电源回路等;CPU1-差动保护,CPU2-高后备保护,CPU3-中后备保护,CPU4-低后备保护。 3.其它功能描述:通信接口方式选择灵活,与变电站自动化系统配合,可实现远方定值修改和切换、事件记录及录波数据上传、压板遥控投退和遥测、遥信、遥控跳合闸。记录保护内部各元件动作行为和录波数据;记录各元件动作时内部各计算值。 4.保护主 要 参 数: 额 定直流电压: 220V 或 110V( 订 货 注 明 ) 额 定交 流数据: a) 相电压 3/1 0 0V b) 开 口三 角 电压 100V 或 300V ( 订 货 注 明 ) c) 交 流电流 5A或 1A( 订 货 注 明 ) d) 额 定频 率 50Hz 2 二、装置插件结构图简介 1. PST 1200 系列变压器保护装置背板 插件注释:NO1-AC 交流插件 NO2-AC 交流插件 NO3-AC 交流插件 NO4-CPU1 差动保护插件 NO5-CPU2 高后备保护插件 NO6-CPU3 中后备保护插件 NO7-CPU4 低后备保护插件 NO8-TRIPa 跳闸出口插件 NO9-TRIPb 跳闸出口插件 NO10-COM 通讯接口插件 NO11-POWER 电源插件 2. PST 1206B 断路器失灵保护装置背板 注1:本书的保护背板图和各插件端子图都是通用模式;根据不同工程要求可能被更改,应以各工程图为准。 注1:本装置的NO.6 为信号开入插件,为非标工程使用。如:本体保护可以与其共机箱。也可以提供用户提出的他特殊配置。 插件注释: NO1-AC 交...

1、当您付费下载文档后,您只拥有了使用权限,并不意味着购买了版权,文档只能用于自身使用,不得用于其他商业用途(如 [转卖]进行直接盈利或[编辑后售卖]进行间接盈利)。
2、本站所有内容均由合作方或网友上传,本站不对文档的完整性、权威性及其观点立场正确性做任何保证或承诺!文档内容仅供研究参考,付费前请自行鉴别。
3、如文档内容存在违规,或者侵犯商业秘密、侵犯著作权等,请点击“违规举报”。

碎片内容

PST1200主变运行说明

确认删除?
VIP
微信客服
  • 扫码咨询
会员Q群
  • 会员专属群点击这里加入QQ群
客服邮箱
回到顶部