电脑桌面
添加小米粒文库到电脑桌面
安装后可以在桌面快捷访问

帷幕灌浆施工组织VIP免费

帷幕灌浆施工组织_第1页
1/13
帷幕灌浆施工组织_第2页
2/13
帷幕灌浆施工组织_第3页
3/13
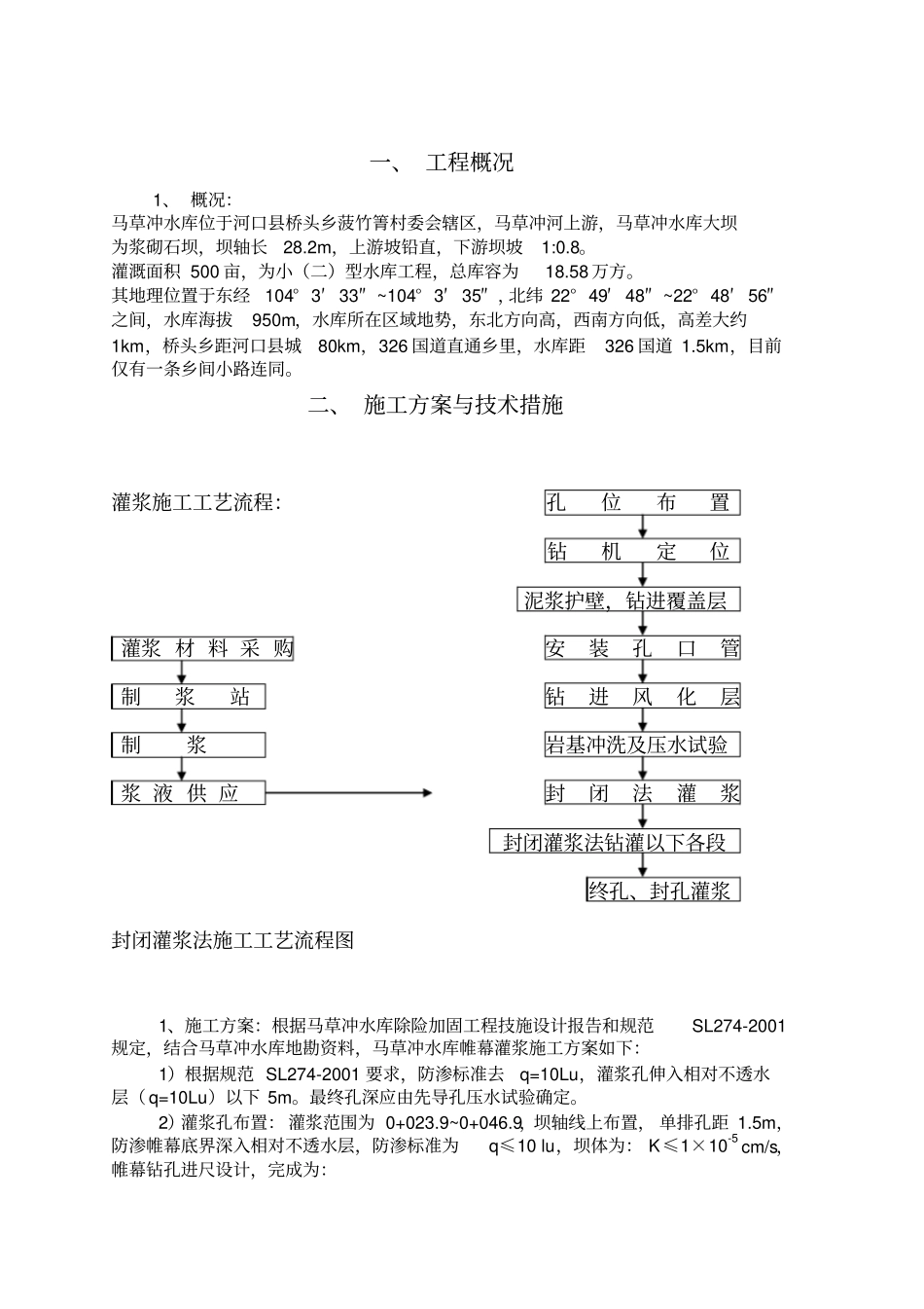
河口县马草冲水库除险加固工程帷幕灌浆施工组织设计河口县马草冲水库除险加固工程水库指挥部红河州水利水电工程安装处日期: 2012 年月日一、 工程概况1、 概况:马草冲水库位于河口县桥头乡菠竹箐村委会辖区,马草冲河上游,马草冲水库大坝为浆砌石坝,坝轴长28.2m,上游坡铅直,下游坝坡1:0.8。灌溉面积 500 亩,为小(二)型水库工程,总库容为18.58 万方。其地理位置于东经104° 3′ 33″ ~104° 3′ 35″ ,北纬 22° 49′ 48″ ~22° 48′ 56″之间,水库海拔950m,水库所在区域地势,东北方向高,西南方向低,高差大约1km,桥头乡距河口县城80km,326 国道直通乡里,水库距326 国道 1.5km,目前仅有一条乡间小路连同。二、 施工方案与技术措施灌浆施工工艺流程:孔位布置钻机定位泥浆护壁,钻进覆盖层灌浆 材 料 采 购安装孔口管制浆站钻进风化层制浆岩基冲洗及压水试验浆 液 供 应封闭法灌浆封闭灌浆法钻灌以下各段终孔、封孔灌浆封闭灌浆法施工工艺流程图1、施工方案:根据马草冲水库除险加固工程技施设计报告和规范SL274-2001规定,结合马草冲水库地勘资料,马草冲水库帷幕灌浆施工方案如下:1)根据规范 SL274-2001 要求,防渗标准去q=10Lu,灌浆孔伸入相对不透水层( q=10Lu)以下 5m。最终孔深应由先导孔压水试验确定。2)灌浆孔布置: 灌浆范围为 0+023.9~0+046.9,坝轴线上布置, 单排孔距 1.5m,防渗帷幕底界深入相对不透水层,防渗标准为q≤10 lu,坝体为: K≤1×10-5 cm/s,帷幕钻孔进尺设计,完成为:灌浆进尺: 422.85m,检查孔进尺: 41.72m;其中灌浆孔基岩进尺: 394.75m,检查孔基岩进尺 41.72m;覆盖进尺总: 26m,其中灌浆孔: 21.5m,检查孔 4.5m。3)钻孔:坝身采用冲击干钻、套管护壁,基岩采用回转式钻进,用金刚石或硬质合金钻头钻进,终孔孔径为75mm。钻机安置必须水平、稳固,开孔位置偏差应控制在 10cm 之内,孔斜率应控制在1%以内,钻孔进入相对不透水层内5m 左右。4)简易压水试验:钻孔达到设计深度后,应采用清水冲洗钻孔,直至回水澄清为止,残留岩芯不应超过0.2m。帷幕灌浆孔在灌浆前,对先导灌浆孔均应进行简易压水试验,根据其所测得透水率q 值来确定开灌水灰比及了解岩层的透水情况。5)灌浆参数的选取灌浆段长度:灌浆段长度根据岩石裂隙发育程度,破碎情况、渗透性及设备条件决定。设计要求灌浆段一般长5~8m,基岩条件较好的灌浆段取大值,较...

1、当您付费下载文档后,您只拥有了使用权限,并不意味着购买了版权,文档只能用于自身使用,不得用于其他商业用途(如 [转卖]进行直接盈利或[编辑后售卖]进行间接盈利)。
2、本站所有内容均由合作方或网友上传,本站不对文档的完整性、权威性及其观点立场正确性做任何保证或承诺!文档内容仅供研究参考,付费前请自行鉴别。
3、如文档内容存在违规,或者侵犯商业秘密、侵犯著作权等,请点击“违规举报”。

碎片内容

帷幕灌浆施工组织

文库当当响+ 关注
实名认证
内容提供者

该用户很懒,什么也没介绍

确认删除?
VIP
微信客服
  • 扫码咨询
会员Q群
  • 会员专属群点击这里加入QQ群
客服邮箱
回到顶部