电脑桌面
添加小米粒文库到电脑桌面
安装后可以在桌面快捷访问

平面静水总压力试验VIP免费

平面静水总压力试验_第1页
1/3
平面静水总压力试验_第2页
2/3
平面静水总压力试验_第3页
3/3
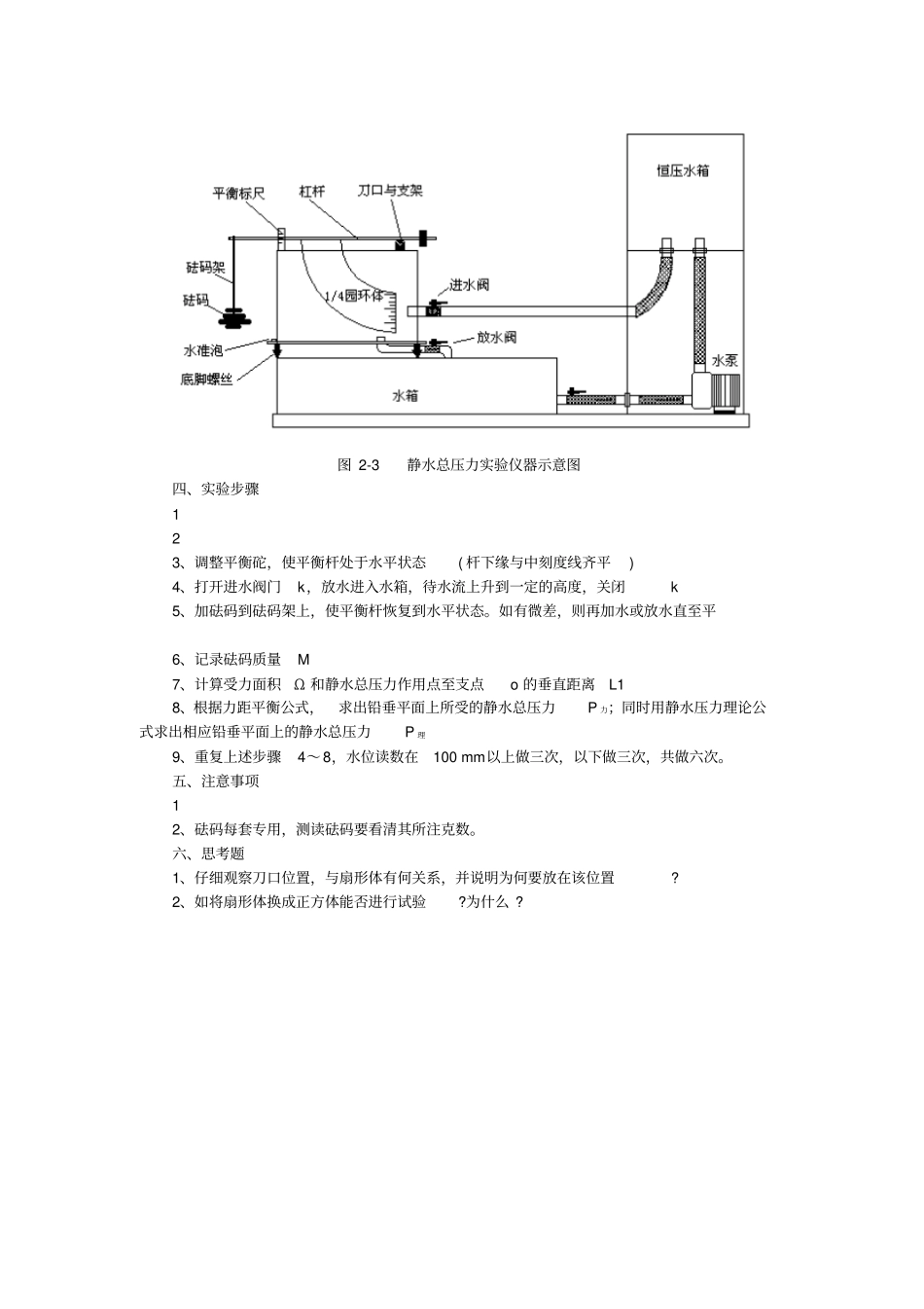
实验二平面静水总压力实验一、实验目的12二、实验原理作用于任意形状平面上的静水总压力P 等于该平面形心点的压强与平面面积A 的乘积。即P=pc·A矩形平面上的静水总压力等于压强分布图的体积。即P=V=Ω ·bP=(1/2) ·H2be=(1/3)· HP=(1/2) ·(H1+H2)abe=(a/3)·(2H1+H2)/(H1+H2)由力矩平衡:G·L=P·L1式中 L1=y-e 图 2-1 三、实验设备实验设备及各部分名称见图(2-2 、 2-3) 。图 2-2 图 2-3 静水总压力实验仪器示意图四、实验步骤123、调整平衡砣,使平衡杆处于水平状态( 杆下缘与中刻度线齐平)4、打开进水阀门k,放水进入水箱,待水流上升到一定的高度,关闭k5、加砝码到砝码架上,使平衡杆恢复到水平状态。如有微差,则再加水或放水直至平6、记录砝码质量M7、计算受力面积Ω 和静水总压力作用点至支点o 的垂直距离L18、根据力距平衡公式,求出铅垂平面上所受的静水总压力P 力;同时用静水压力理论公式求出相应铅垂平面上的静水总压力P 理9、重复上述步骤4~8,水位读数在100 mm以上做三次,以下做三次,共做六次。五、注意事项12、砝码每套专用,测读砝码要看清其所注克数。六、思考题1、仔细观察刀口位置,与扇形体有何关系,并说明为何要放在该位置? 2、如将扇形体换成正方体能否进行试验?为什么 ?

1、当您付费下载文档后,您只拥有了使用权限,并不意味着购买了版权,文档只能用于自身使用,不得用于其他商业用途(如 [转卖]进行直接盈利或[编辑后售卖]进行间接盈利)。
2、本站所有内容均由合作方或网友上传,本站不对文档的完整性、权威性及其观点立场正确性做任何保证或承诺!文档内容仅供研究参考,付费前请自行鉴别。
3、如文档内容存在违规,或者侵犯商业秘密、侵犯著作权等,请点击“违规举报”。

碎片内容

平面静水总压力试验

您可能关注的文档

文库当当响+ 关注
实名认证
内容提供者

该用户很懒,什么也没介绍

相关文档

确认删除?
VIP
微信客服
  • 扫码咨询
会员Q群
  • 会员专属群点击这里加入QQ群
客服邮箱
回到顶部