电脑桌面
添加小米粒文库到电脑桌面
安装后可以在桌面快捷访问

2025年路基挡土墙技术交底VIP免费

2025年路基挡土墙技术交底_第1页
1/10
2025年路基挡土墙技术交底_第2页
2/10
2025年路基挡土墙技术交底_第3页
3/10
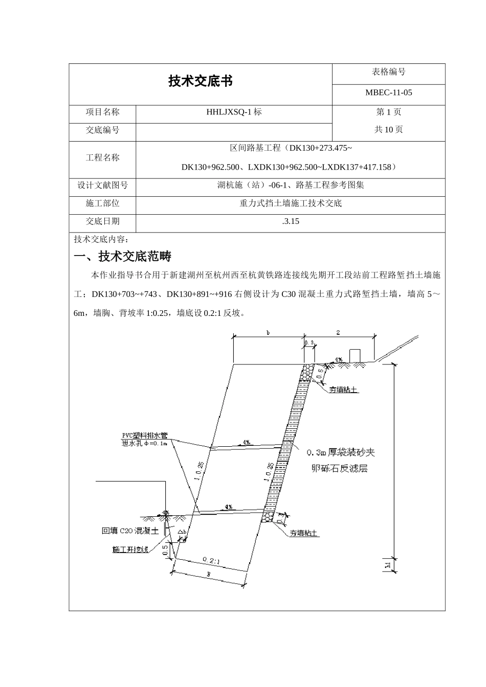
技术交底书表格编号MBEC-11-05项目名称HHLJXSQ-1 标第 1 页共 10 页交底编号工程名称区间路基工程(DK130+273.475~ DK130+962.500、LXDK130+962.500~LXDK137+417.158)设计文献图号湖杭施(站)-06-1、路基工程参考图集施工部位重力式挡土墙施工技术交底交底日期.3.15技术交底内容:一、技术交底范畴本作业指导书合用于新建湖州至杭州西至杭黄铁路连接线先期开工段站前工程路堑挡土墙施工;DK130+703~+743、DK130+891~+916 右侧设计为 C30 混凝土重力式路堑挡土墙,墙高 5~6m,墙胸、背坡率 1:0.25,墙底设 0.2:1 反坡。挡墙尺寸表墙高(m)断面尺寸(m)σ 趾σ 踵HbBh1△b5.01.171.230.240.1229316.01.41.510.30.1526145明挖基坑各部尺寸允许偏差、检查数量及检查办法序号项目允许偏差检查数量检查办法1台阶尺寸±100mm每个基坑 4 点尺量2斜面基底坡率±1%每个基坑 4 点水平尺或楔形尺量计算3基底高程mm每个基坑 5 点测量仪器测量明挖基础各部尺寸允许偏差、检查数量及检查办法序号项目允许偏差检查数量检查办法1基础顶面高程±20mm每基坑 3 点测量仪器测量2前边沿距路基中线距离mm每基坑 3 点钢尺量3基础宽度±50mm每基坑 3 点尺量4基础襟边宽度(高度)±20mm每明挖基坑基础段 3 组尺量5起讫里程(长度)±100mm每不同构造尺寸段 1 处测量仪器测量、尺量6沉降缝(伸缩缝)位置±50mm每道尺量7沉降缝(伸缩缝)宽度±4mm每基坑 3 处尺量挡土墙墙身各部尺寸允许偏差、检查数量及检查办法序号项目允许偏差检查数量检查办法1距中线距离mm3 处测量仪器测量、尺量2墙身厚度(前缘至后缘)mm3 处尺量3顶面高程±20mm3 点测量仪器测量4泄水孔间距±20mm抽样检查 10%尺量5起讫里程±100mm全部检查测量仪器测量、尺量6沉降缝(伸缩缝)位置±50mm每道缝尺量7沉降缝(伸缩缝)宽度±4mm6 处尺量挡土墙墙面的允许偏差、检查数量及检查办法序号项目允许偏差检查数量检查办法1垂直度h≤6m10mm3 处吊线尺量2h>6m15mm3 处吊线尺量3斜度±3%设计斜度3 处坡度尺或吊线尺量4平整度20mm3 处3.0m 直尺,尺量明挖基坑基底面地基承载力应符合设计规定。首段基坑地基承载力应经设计、施工、监理三方共同检查合格后方能进入下道施工工序检查数量:每个基坑抽样检查 2 点。监理单位见证检查 1 点。勘察设计单位参加首段基坑地基承载力验收。检查办法:土质基坑采用动力触探(N63.5),击数原则经实验拟定或满足设计规定;石质基坑采用现场目...

1、当您付费下载文档后,您只拥有了使用权限,并不意味着购买了版权,文档只能用于自身使用,不得用于其他商业用途(如 [转卖]进行直接盈利或[编辑后售卖]进行间接盈利)。
2、本站所有内容均由合作方或网友上传,本站不对文档的完整性、权威性及其观点立场正确性做任何保证或承诺!文档内容仅供研究参考,付费前请自行鉴别。
3、如文档内容存在违规,或者侵犯商业秘密、侵犯著作权等,请点击“违规举报”。

碎片内容

2025年路基挡土墙技术交底

您可能关注的文档

确认删除?
VIP
微信客服
  • 扫码咨询
会员Q群
  • 会员专属群点击这里加入QQ群
客服邮箱
回到顶部