电脑桌面
添加小米粒文库到电脑桌面
安装后可以在桌面快捷访问

2025年空调水系统的补水量及膨胀罐精VIP免费

2025年空调水系统的补水量及膨胀罐精_第1页
1/8
2025年空调水系统的补水量及膨胀罐精_第2页
2/8
2025年空调水系统的补水量及膨胀罐精_第3页
3/8
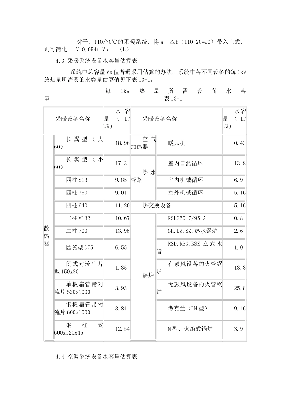
空调水系统的补水量1、空调水系统运行中,普通来说,总是不同程度地存在漏水问题,如阀门、水泵等设备由于密封因素造成漏水,也由于管理因素造成水量损失。因此,在空调水系统中,为补充系统漏水量,需要设立补水系统。2、理论补水量应当等于漏水量,为了设计计算简朴,在拟定补给水泵的流量时,可按系统的循环水量估算。普通,取循环水量的 1%作为正常补给水量。但是选择补给水泵时,补给水泵的流量应满足上述水系统的正常补水量外,还应考虑发生事故时所增加的补水量,因此,补给水泵的流量不不大于正常补水量的 4 倍。6.2 补给水泵扬程及设计问题 1、补给水泵的扬程:不应不大于补水点压力加 30-50kPa 的富裕量。2、精确计算公式 Hp=1.15(PA+H1+H2-рgh) Pa 式中:PA-系统补水点压力(应通过对供热系统水压图的分析拟定,取回水干管起点压力。即最远顾客回水干管末端压力),Pa H1-补给水泵吸入管路的总阻力损失,Pa H2-补给水泵压出管路的总阻力损失,Pa h-补给水箱最低水位高出系统补水点的高度,m 3、补给水泵宜设两台,一用一备,以确保系统的可*补水。 4、补给水泵加压装置中采用的压力调节阀及电接点压力表应确保敏捷可*。电接点压力表上下触点的压力根据承压能力和系统不汽化两个因素决定。 5、热水采暖系统安全阀泄压装置应装设在锅炉的进口侧,以避免锅炉承受超压危害。泄压装置的排放能力,可按供暖系统每分钟膨胀量的 2-3 倍考虑。 6、每台补给水泵在压水管侧应装上止回阀,以免当水泵停止工作时,水泵和吸水管要承受到过多的压力。7、补水泵压力管侧的阀门应为截止阀,方便于调节给水量及便于很快地把水泵关掉。在补给水泵的吸水侧应装设闸阀,方便减少水流阻力,避免水泵的气蚀现象。 备注:补给水泵单台水量如何选用,与否能够取系统循环水量的 2%,两台一用一备,事故时两台同时启动。6.3 补给水箱的选择及安装 1、给水箱的容量及个数的拟定。1)补水箱的容积可按贮存 1.0-1.5 小时的补水量来拟定。补给水箱普通应设两个独立的水箱,或一种矩形水箱隔开成二,以备一种检修时,另一种仍能运行。两个水箱应有水连通管,以备互相切换使用。当水箱容量在 20 立方米以上时,建议采用圆形水箱,以节省钢材。 2)在补给水箱内加药解决给水时,补给水箱不可少于两个。2、水箱附件 普通补给水箱应有人孔、水位计、温度计、溢水管、放水管、软水管、出水管、放气管等附件。溢水管应比给水管大 0.5-1 倍,溢...

1、当您付费下载文档后,您只拥有了使用权限,并不意味着购买了版权,文档只能用于自身使用,不得用于其他商业用途(如 [转卖]进行直接盈利或[编辑后售卖]进行间接盈利)。
2、本站所有内容均由合作方或网友上传,本站不对文档的完整性、权威性及其观点立场正确性做任何保证或承诺!文档内容仅供研究参考,付费前请自行鉴别。
3、如文档内容存在违规,或者侵犯商业秘密、侵犯著作权等,请点击“违规举报”。

碎片内容

2025年空调水系统的补水量及膨胀罐精

您可能关注的文档

读万卷书+ 关注
实名认证
内容提供者

各类经典PPT文档分享

确认删除?
VIP
微信客服
  • 扫码咨询
会员Q群
  • 会员专属群点击这里加入QQ群
客服邮箱
回到顶部