电脑桌面
添加小米粒文库到电脑桌面
安装后可以在桌面快捷访问

2025年磷酸锌的应用VIP免费

2025年磷酸锌的应用_第1页
1/5
2025年磷酸锌的应用_第2页
2/5
2025年磷酸锌的应用_第3页
3/5
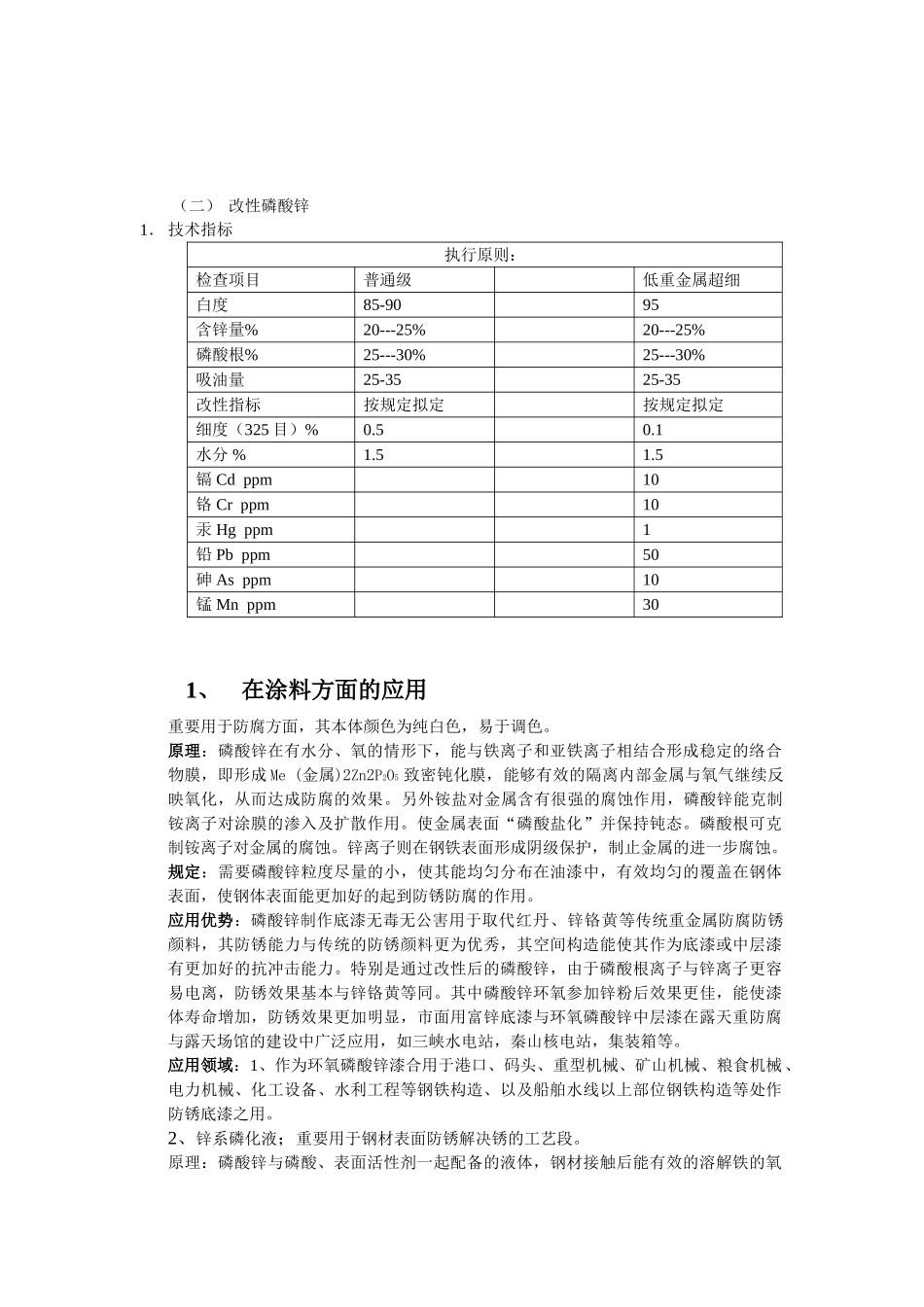
三、磷酸锌系列(一)普通磷酸锌1. 技术指标执行原则:检查项目合格品优级品出口级白度85-9090-9595含锌量%≥43≥46≥48磷酸根%40-4545-4746-48吸油量25-3525-3525-35pH 值5-85-75-7细度(325 目)%0.50.50.1水分 %1.51.51.5镉 Cd ppm10铬 Cr ppm10汞 Hg ppm1铅 Pb ppm50砷 As ppm10锰 Mn ppm202. 特性阐明无色斜方结晶或白色微晶粉末、易潮解,不溶于水。表观密度 0.8~1g/cm3。溶于无机酸、氢氧化钠、氨水、铵盐溶液。不溶于水、乙醇。易溶解于无机酸氢氧化钠溶液。加热到 100℃时失去 2 个结晶水而成无水物。有潮解性。腐蚀性。由磷酸与氧化锌进行反映,在 30℃下列加入晶种进行结晶,经过滤,热水洗涤,粉碎,干燥而制得。3. 用途磷酸锌是一种白色无毒无公害的防锈颜料,它能够有效的替代含有重金属铅、铬的传统防锈颜料,是使用效果抱负的防锈颜料新产品。缩合磷酸锌对三价铁离子含有很强的络合能力,这种磷酸锌的根离子与铁阳极反映,可形成以磷酸铁为主体的复杂的保护膜,这种致密的纯化膜不溶于水,硬度高,附着力优秀呈现出卓越的防锈性能,由于磷酸锌基因含有较好活性,能与诸多金属离子作用生成络合物。因此,含有良好的防锈效果。磷酸锌不含铅、铬等重金属,无毒、无污染,对皮肤也无刺激作用,热稳定性好,防锈好,防锈力强,同时由于是白色,因此可根据需要调色,配套面漆可不受限制,从而可简化漆装工艺涂装工艺,减少涂装单位成本减少环境风险。用磷酸锌调剂制成的涂料含有优秀的防锈性能及耐水性,于多个漆基的涂料中、用于制备多个耐水、耐酸、防腐蚀涂料,如:酚醛漆、环氧漆、炳烯酸漆、醇酸漆以及水溶性树脂漆、广泛应用于船舶、钢架构造件、汽车、集装箱、工业机械、轻金属、家用电器及食品用金属容器等方面的防锈漆。本产品可用于作醇酸,酚醛,环氧等各类涂料的基料,也可作为无毒防锈颜料、防锈涂料和水溶性涂料,另外还可作生产氯化橡胶和合成高分子材料的阻燃剂、电子、低温玻璃、透明陶瓷中的粘合烧结添加剂。(二) 改性磷酸锌1. 技术指标执行原则:检查项目普通级低重金属超细白度85-9095含锌量%20---25%20---25%磷酸根%25---30%25---30%吸油量25-3525-35改性指标按规定拟定按规定拟定细度(325 目)%0.50.1水分 %1.51.5镉 Cd ppm10铬 Cr ppm10汞 Hg ppm1铅 Pb ppm50砷 As ppm10锰 Mn ppm301、在涂料方面的应用重要用于防腐方面,其本体颜色为纯白色,易于调色。原理:磷酸...

1、当您付费下载文档后,您只拥有了使用权限,并不意味着购买了版权,文档只能用于自身使用,不得用于其他商业用途(如 [转卖]进行直接盈利或[编辑后售卖]进行间接盈利)。
2、本站所有内容均由合作方或网友上传,本站不对文档的完整性、权威性及其观点立场正确性做任何保证或承诺!文档内容仅供研究参考,付费前请自行鉴别。
3、如文档内容存在违规,或者侵犯商业秘密、侵犯著作权等,请点击“违规举报”。

碎片内容

2025年磷酸锌的应用

您可能关注的文档

读万卷书+ 关注
实名认证
内容提供者

各类经典PPT文档分享

确认删除?
VIP
微信客服
  • 扫码咨询
会员Q群
  • 会员专属群点击这里加入QQ群
客服邮箱
回到顶部