电脑桌面
添加小米粒文库到电脑桌面
安装后可以在桌面快捷访问

S7200PLC编程及应用期末试题VIP免费

S7200PLC编程及应用期末试题_第1页
1/33
S7200PLC编程及应用期末试题_第2页
2/33
S7200PLC编程及应用期末试题_第3页
3/33
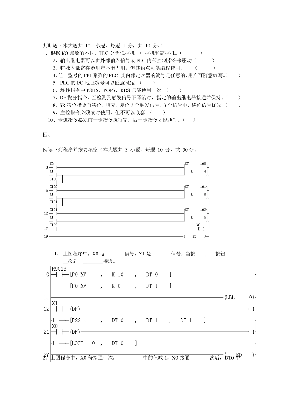
2008 ~ 2009 学年 第2 学期期末考试 S7-200PLC 编程及应用期末试题试卷 (B) 答题时间120 分钟 一、 选择题(本大题共 15 小题,每题2 分,共 30 分。) 1、世界上第1 台 PLC 诞生于( ) A、日本松下公司,1970 年; B、德国西门子公司,1969 年; C、美国通用汽车公司,1968 年; D、美国数字设备公司,1969 年。 2、下列不属于 PLC 主要技术指标的是:( ) A 输入/输出点数 B、内存容量 C、扫描速度 D、扩展接口 3、PLC 控制系统的工作方式是( ) A、等待命令 B、循环扫描 C、只扫描一次 D、初始扫描 4、一个 1000 步的 PLC 程序,占用的内存是() A、 1KB; B、 2KB; C、 2MB; D、 2GB; 5、如何删除梯形图中的竖线( ) A、光标在竖线右侧,用DEL 键 B、光标在竖线右侧,用ESC 键 C、光标在竖线右侧,用F3 键 D、光标在竖线右侧,用BACKSPACE 键 6、下面哪种不属于 PLC 可编程语言( ) A.指令表 B.顺序功能图 C.梯形图 D.格式文本 7、对于下面的梯形图,哪种描述是正确的( ) A.X 0 接通时 Y 1 接通 B.X 0 接通时 Y 2 接通 C.X 0 断开时 Y 1 接通 D.X 0 断开时 Y 0 接通 8、下图程序中 X 0 接通 1 分钟后再断开,则 Y 0 和 Y 1 ( ) A.同时接通 B.Y 0 先接通,Y 1 后接通 C.Y 1 先接通,Y 2 后接通 D.Y 0,Y 1 都不接通。 9、KP 保持指令的功能与( )指令相同。 A.逻辑与指令 B.逻辑或指令 C.置位、复位指令 D.空操作指令 10、下图程序中若 V 0 拨码器的值调为 100,则定时时间为( ) A.5 秒 B.10 秒 C.15 秒 D.20 秒 11、下图程序 X0 接通几次后 Y0 会接通?( ) A、2 B、3 C、4 D、5 12、定期对 PLC 进行维护,下面不属于维护项目的是( ) A、电源电压 B、环境检查 C、安装情况 D、工作人员 13、当索引寄存器与 K 一起编程时,当 IX=K20 时,执行[F0 MV ,IXK100 ,DT20],执行的结果是( ) A、DT20=100 B、DT20=80 C、DT20=120 D、DT20=20 14、影响扫描周期的最主要因素是( ) A、读入一点时间 B、输入点数 C、输出点数 D、程序步数 15、PLC 编程软件 FPWIN-GR 在线菜单下的监控方式错误的是( ) A、数据监控 B、触点监控 C、时序监控 D、离线监控 二、 填空题(本大题共 10 小题,,每空 2 分,...

1、当您付费下载文档后,您只拥有了使用权限,并不意味着购买了版权,文档只能用于自身使用,不得用于其他商业用途(如 [转卖]进行直接盈利或[编辑后售卖]进行间接盈利)。
2、本站所有内容均由合作方或网友上传,本站不对文档的完整性、权威性及其观点立场正确性做任何保证或承诺!文档内容仅供研究参考,付费前请自行鉴别。
3、如文档内容存在违规,或者侵犯商业秘密、侵犯著作权等,请点击“违规举报”。

碎片内容

S7200PLC编程及应用期末试题

小辰7+ 关注
实名认证
内容提供者

出售各种资料和文档

相关文档

确认删除?
VIP
微信客服
  • 扫码咨询
会员Q群
  • 会员专属群点击这里加入QQ群
客服邮箱
回到顶部