电脑桌面
添加小米粒文库到电脑桌面
安装后可以在桌面快捷访问

SG3525工作原理以及输出电路驱动电路VIP专享VIP免费

SG3525工作原理以及输出电路驱动电路_第1页
1/11
SG3525工作原理以及输出电路驱动电路_第2页
2/11
SG3525工作原理以及输出电路驱动电路_第3页
3/11
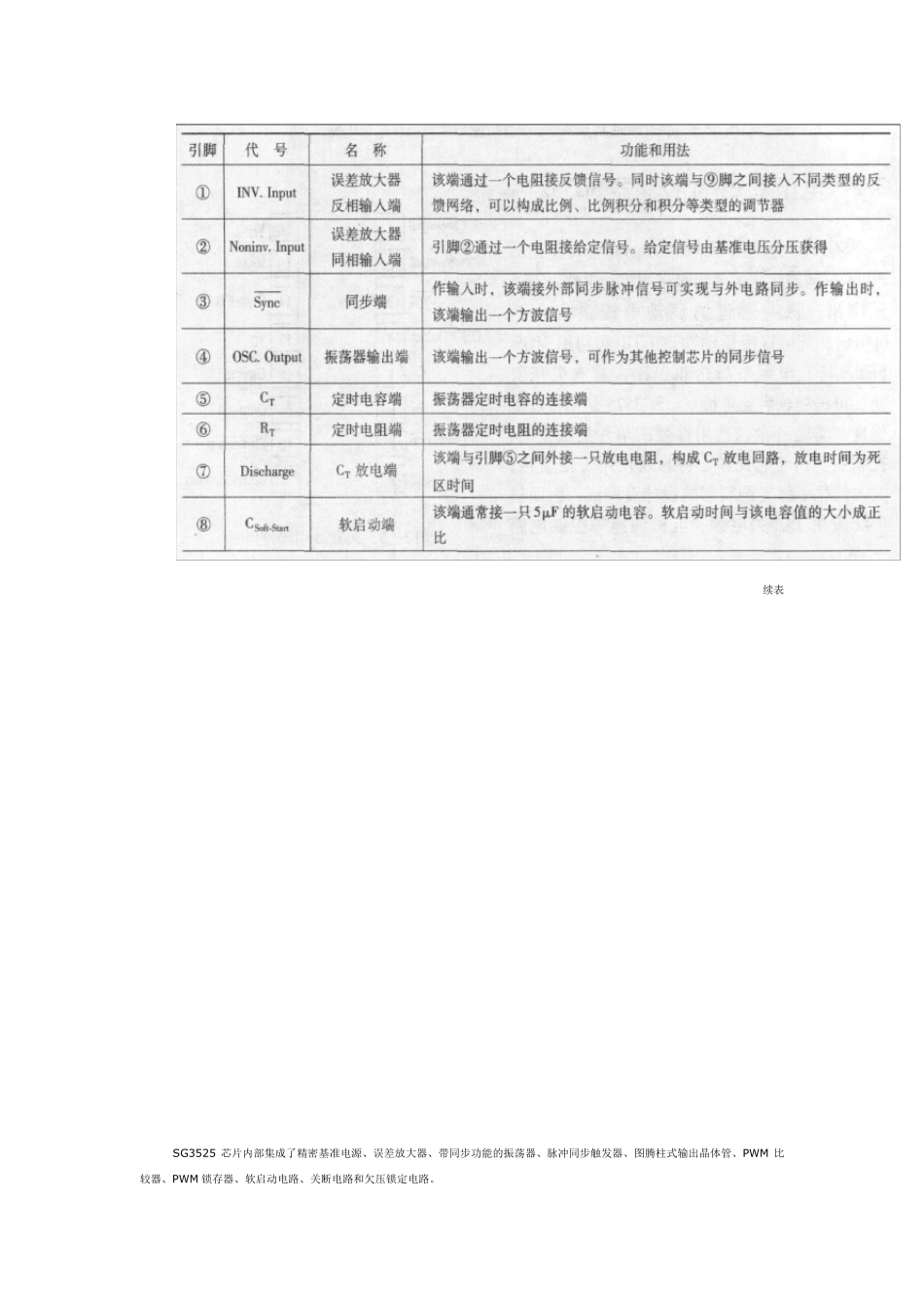
3.2 电压型PWM 控制器SG3525 字体 [大] [中] [小] SG3525 是美国Silicon General 公司推出的 PWM 控制器,它的输出级采用推挽电路,双通道输出,每一通道的驱动电流最大值达 500mA,能够直接驱动功率GTR 和功率MOSFET。其工作频率高达400kHz,具有欠压关断、可编程软启动等特点。SG3525是一种性能优良、功能齐全、通用性强的单片集成 PWM 控制器。由于它简单、可靠及使用方便灵活,大大简化了脉宽调制器的设计及调试,因而被广泛应用于开关电源、电机调速等控制电路中。 图 3— 9 SG3525 引脚排列图 SG3525 的引脚排列如图 3— 9 所示,内部结构如图 3— 10 所示。各引脚名称、功能和用法如表 3— 2 所示。 图3— 10 SG3525 内部结构图 表3— 2 SG3525 引脚的名称、功能和用法 续表 SG3525 芯片内部集成了精密基准电源、误差放大器、带同步功能的振荡器、脉冲同步触发器、图腾柱式输出晶体管、PW M 比较器、PW M 锁存器、软启动电路、关断电路和欠压锁定电路。 芯片+5.1V 基准电压精度为±1%,由于基准电压值在误差放大器的输入共模范围内,因此,无须外接电阻。SG3525 可以工作在主从模式,也可以与外部时钟同步。通过CT端(引脚⑤) 与放电端之间的电阻可以设置死区时间。 SG3525 采用电压模式控制方式,工作原理波形如图 3—11 所示。振荡器输出的时钟信号触发 PWM 锁存器(Latch),形成 PWM信号的上升沿,使主电路的开关器件开通。误差放大器的输出信号与振荡器输出的三角波信号相比较,当三角波的瞬时值高于误差放大器的输出时,PWM 比较器翻转,触发 PWM 锁存器,形成 PWM 信号的下降沿,使主电路的开关器件关断。F/F 触发器用作分频器,将PWM 锁存器的输出分频,得到占空比为0.5、频率为振荡器频率一半的方波。 1. 软启动 SG3525 的软启动电容接入端(引脚⑧) 上通常接一个 5μF 的软启动电容。充电过程中,由于电容两端的电压不能突变,因此,与软启动电容接入端相连的PWM 比较器反相输入端处于低电平,PWM 比较器输出为高电平。此时,PWM 锁存器的输出也为高电平,该高电平通过两个或非门加到输出晶体管上,使之无法导通。只有当软启动电容的充电电压使引脚⑧处于高电平时,SG3525 才能开始工作。 图 3—11 SG3525 的工作原理波形 2. 关断操作 通过引脚⑩(关断端)来关闭 SG3525 的输出。当引脚⑩上的信号为高电平时,可以实现两个功能: PWM 锁存器...

1、当您付费下载文档后,您只拥有了使用权限,并不意味着购买了版权,文档只能用于自身使用,不得用于其他商业用途(如 [转卖]进行直接盈利或[编辑后售卖]进行间接盈利)。
2、本站所有内容均由合作方或网友上传,本站不对文档的完整性、权威性及其观点立场正确性做任何保证或承诺!文档内容仅供研究参考,付费前请自行鉴别。
3、如文档内容存在违规,或者侵犯商业秘密、侵犯著作权等,请点击“违规举报”。

碎片内容

SG3525工作原理以及输出电路驱动电路

确认删除?
VIP
微信客服
  • 扫码咨询
会员Q群
  • 会员专属群点击这里加入QQ群
客服邮箱
回到顶部