电脑桌面
添加小米粒文库到电脑桌面
安装后可以在桌面快捷访问

SMT供应商评鉴表VIP免费

SMT供应商评鉴表_第1页
1/8
SMT供应商评鉴表_第2页
2/8
SMT供应商评鉴表_第3页
3/8
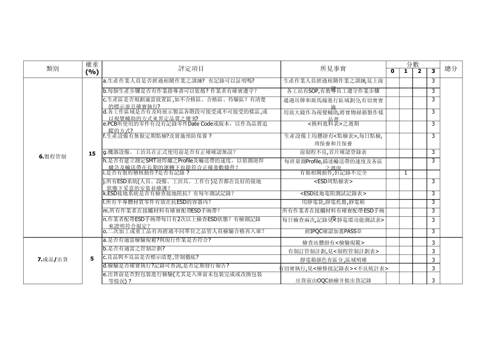
0123a.品質政策及目標是否由管理階層定義清楚且公佈 ?有<2004年品質目標>,由經理簽核并在公佈實施35b.是否有明確之組織圖?且各部門之權責訂立清楚 ?有明確之組織架構,訂定各部門之權責3c.是否有專責獨立性之品質部門 ? 人力建制是否合宜?設有品管部,并劃分為IPQC,FQC,OQC.3d.是否確實每半年執行內部審查機制並保存完整的記錄 ?每半年做內部評審,相關資料建檔保存3a.ISO-9000/ISO-14000是否通過認証或有計劃地實施 ?參與SUNON之QS9000稽核輿認證,并通過了ISO-9000/ISO-14000認証35b.是否實施5S活動或品質提昇活動 ?有5S內部稽核和品質改善活動,見5S稽核資料和品質改善專案資料3c.是否訂定提昇品質的中、長程期計劃 ?<品質改善專案>3d.是否有定期品質報告?且定期探討改進 ?有定期品質報告,見<每月品質總匯>3a.進料檢驗的機制是否能有效地管理原物料的品質 ?b.進料檢驗員是否經過相關作業之訓練?有記錄可以証明?3c.進料檢驗是否有作業指導書可以依循 ,如抽樣計劃,免檢作業,矯正 措施…等之驗証程序?d.進料檢驗區是否規劃有待驗區,合格區,退貨區? 有清楚的標示?e.客戶所提供的材料是否有經合宜的進料檢驗 ?f.當查有不合格品時,是否將檢驗結果回饋給材料供應商要求改善?g .檢驗所發現的不良品是否做適當之標示與處置 ?a.各製程品質檢驗記錄報告是否有妥善管理及歸檔?<不良統計表>每日歸檔并保存3b.各作業場所有無有效版本的文件? (如:SOP、SIP、Drawing …)見現場懸掛之SOP33c.對過時無效之文件是否迅速撤銷?過時和無效之文件有做撤銷3d.文件發行是否經授權人員核准?發行之文件有審核和核準欄,并送 DCC加蓋發行章3e.客戶圖面合約或品質資訊是否妥善管理、歸檔?機板圖有建檔,并在辦公室保存3a.對於新進人員訓練是否進行訓練?新進人員根據教育訓練資料進行訓練并考核35b.教育訓練除了基本品管人員外,是否擴及其他單位人員?特殊崗位教育訓練及上崗考核3c.有無訓練計劃的實施?是否有記錄來證明?有制訂年度教育訓練計劃,見<年度訓練計劃表>3d.有無安排適當員工做專業的教育訓練?特殊崗位教育訓練及上崗考核,頒發上崗證3品質評分1.管理責任權重(%)建準電機工業股份有限公司【計算方式】1.各類別得分 = (各類別分數之總分 ÷ 各類別項目之最高分數總合) × 各類別權重(%) 2.全部各類別之得分總合 = 品質評分3.進料檢驗2.品質制度類別所見事實分數 供應商品質評鑑表進料之PCB輿電子元件檢驗由SUNON IQC完成,我部對照客戶之工單...

1、当您付费下载文档后,您只拥有了使用权限,并不意味着购买了版权,文档只能用于自身使用,不得用于其他商业用途(如 [转卖]进行直接盈利或[编辑后售卖]进行间接盈利)。
2、本站所有内容均由合作方或网友上传,本站不对文档的完整性、权威性及其观点立场正确性做任何保证或承诺!文档内容仅供研究参考,付费前请自行鉴别。
3、如文档内容存在违规,或者侵犯商业秘密、侵犯著作权等,请点击“违规举报”。

碎片内容

SMT供应商评鉴表

确认删除?
VIP
微信客服
  • 扫码咨询
会员Q群
  • 会员专属群点击这里加入QQ群
客服邮箱
回到顶部