电脑桌面
添加小米粒文库到电脑桌面
安装后可以在桌面快捷访问

出租汽车企业安全生产达标考评表VIP免费

出租汽车企业安全生产达标考评表_第1页
1/26
出租汽车企业安全生产达标考评表_第2页
2/26
出租汽车企业安全生产达标考评表_第3页
3/26
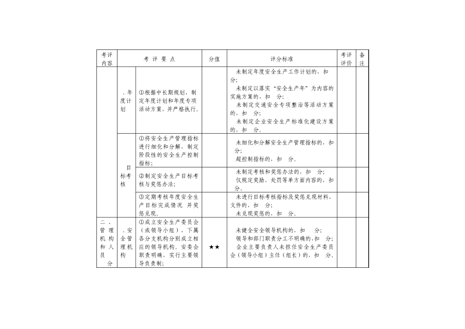
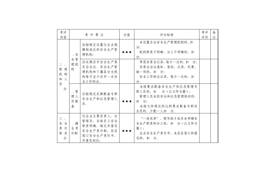
出租汽车企业安全生产达标考评表 考评内容 考 评 要 点 分值 评分标准 考评 评价 备注 一、安全目标35分 1.安全工作方针与目标 ①制定企业安全生产方针、目标和不低于上级下达的安全控制指标; 5 ★★★ 1.未制定以“强化责任、细化措施、预防为主、重在落实”为主要内容的企业安全生产方针的,扣 5分; 2.未制定以“杜绝重特大事故,遏制较大事故,减少一般事故和人员伤亡财产损失”为主要内容的安全生产目标和安全生产控制指标的,扣 5分。 ②制定实现安全工作方针与目标的措施。 5 1.未制定保证本企业实现安全工作方针与目标措施的,扣 5分; 2.安全生产控制指标超过上级下达指标的,扣 5分; 3.三年内发生较大以上事故的,扣 5分。 2.中长期规划 ①制订和实施企业安全生产中长期规划和跨年度专项工作方案。 5 ★★ 1.未制订中长期计划和“百日安全”等跨年度安全活动工作方案的,扣 5分; 2.未制订安全标准化方案和“双基”建设工作方案的,扣 3分。 考评内容 考 评 要 点 分值 评分标准 考评 评价 备注 3.年度计划 ①根据中长期规划,制定年度计划和年度专项活动方案,并严格执行。 5 1.未制定年度安全生产工作计划的,扣5分; 2.未制定以落实“安全生产年”为内容的实施方案的,扣3分; 3.未制定交通安全专项整治等活动方案的,扣5分; 4.未制定企业安全生产标准化建设方案的,扣3分。 4.目标考核 ①将安全生产管理指标进行细化和分解,制定阶段性的安全生产控制指标; 5 1.未细化和分解安全生产管理指标的,扣3分; 2.超控制指标的,扣5分。 ②制定安全生产目标考核与奖惩办法; 5 1.未制定考核和奖惩办法的,扣5分; 2.仅规定奖励、处罚等单方面内容的,扣3分。 ③定期考核年度安全生产目标完成情况,并奖惩兑现。 5 1.未进行目标考核指标及奖惩兑现材料、文件的,扣3分; 2.未兑现奖惩的,扣2分。 二 、管 理机 构和人员 40分 1.安全管理 机构 ①成立安全生产委员会(或领导小组),下属各分支机构分别成立相应的领导机构。安委会职责明确,实行主要领导负责制; 10 ★★ 1.未健全安全领导机构的,扣10分; 2.领导和部门职责分工不明确的,扣5分; 3.企业主要负责人未担任安全生产委员会(领导小组)主任(组长)的,扣5分。 考评内容 考 评 要 点 分值 评分标准 考评 评价 备注 二、管理机构和人员 40分 1.安全管理机构 ②按规定设置与...

1、当您付费下载文档后,您只拥有了使用权限,并不意味着购买了版权,文档只能用于自身使用,不得用于其他商业用途(如 [转卖]进行直接盈利或[编辑后售卖]进行间接盈利)。
2、本站所有内容均由合作方或网友上传,本站不对文档的完整性、权威性及其观点立场正确性做任何保证或承诺!文档内容仅供研究参考,付费前请自行鉴别。
3、如文档内容存在违规,或者侵犯商业秘密、侵犯著作权等,请点击“违规举报”。

碎片内容

出租汽车企业安全生产达标考评表

确认删除?
VIP
微信客服
  • 扫码咨询
会员Q群
  • 会员专属群点击这里加入QQ群
客服邮箱
回到顶部