电脑桌面
添加小米粒文库到电脑桌面
安装后可以在桌面快捷访问

广东建设工程安全监理统一用表VIP免费

广东建设工程安全监理统一用表_第1页
1/28
广东建设工程安全监理统一用表_第2页
2/28
广东建设工程安全监理统一用表_第3页
3/28
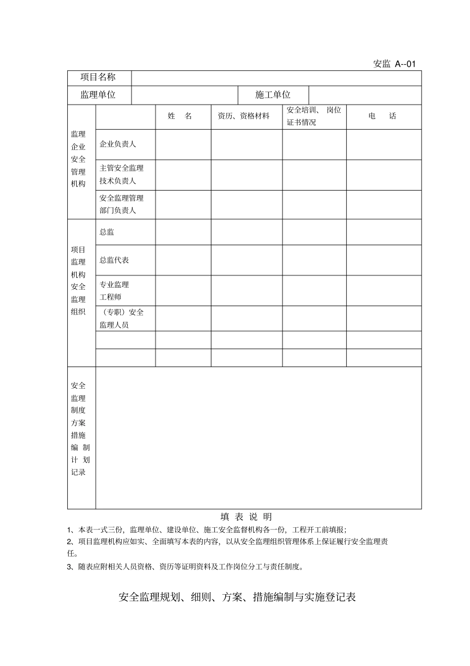
关于发布《 广东省建设工程安全监理统一用表》的通知各监理企业:国务院 2004 年 2 月颁布实施的《建设工程安全生产管理条例》从行政法规上明确了监理单位的安全监理责任,即“工程监理单位和监理工程师应当按照法律、法规和工程建设强制性标准实施监理,并对建设工程安全生产承担监理责任”。从此,实施安全监理是国家为保证建设工程安全生产的重要举措,安全监理已成为建设单位必须委托监理单位的重要工作内容之一。为了进一步落实《建设工程安全生产管理条例》,切实加强我省安全监理工作,统一我省监理人员对安全监理工作责任、范围、方法、深度及要求等方面的认识,促进我省建设工程安全生产管理, 我协会经过一年多时间调研, 组织有关专业人士编写了本 《广东省建设工程安全监理统一用表》 (试行),共包括 26 份表格及填表说明,以此来规范我省现阶段施工安全监理的工作及其资料管理,请各监理企业遵照实行。对于在实践过程遇到的困难和问题,请及时并与本协会秘书处联系,电话,传真83181730。广东省建设监理协会二OO七年六月十八日附:《广东省建设工程安全监理统一用表》《广东省建设工程安全监理统一用表》目录1、项目监理机构安全管理体系记录表2、安全监理规划、细则、方案、措施编制与实施登记表3、施工安全涉及强制性规定落实情况记录表4、安全监理专项活动登记表5、项目监理机构安全检查记录汇总表6、施工安全技术方案、措施落实情况监理检查记录表7、建筑施工现场安全管理监理检查记录表8、施工安全管理资料监理检查记录表9、安全隐患整改跟踪记录汇总表10、安全隐患整改通知单11、安全隐患整改通知单回复12、安全隐患暂时停工通知书13、安全整改复工报审表14、施工安全隐患监理快报表15、施工安全监理月报表16、施工安全监理总结评价表17、施工单位安全管理体系审查登记表18、分包单位安全资格报审表19、专项施工安全方案与措施审查登记20、专项安全施工方案(技术措施)报审表21、特种作业人员安全资质审查登记22、施工安全教育培训、技术交底审查记录23、施工企业各级安全生产检查与验收登记表24、施工机械设备设施安全审查登记表25、施工机械设备设施安全报审表26、施工安全事故监理分析报告表项目监理机构安全管理体系记录表安监 A--01 项目名称监理单位施工单位监理企业安全管理机构姓名资历、资格材料安全培训、 岗位证书情况电话企业负责人主管安全监理技术负责人安全监理管理部门负责人项目监理机构安...

1、当您付费下载文档后,您只拥有了使用权限,并不意味着购买了版权,文档只能用于自身使用,不得用于其他商业用途(如 [转卖]进行直接盈利或[编辑后售卖]进行间接盈利)。
2、本站所有内容均由合作方或网友上传,本站不对文档的完整性、权威性及其观点立场正确性做任何保证或承诺!文档内容仅供研究参考,付费前请自行鉴别。
3、如文档内容存在违规,或者侵犯商业秘密、侵犯著作权等,请点击“违规举报”。

碎片内容

广东建设工程安全监理统一用表

确认删除?
VIP
微信客服
  • 扫码咨询
会员Q群
  • 会员专属群点击这里加入QQ群
客服邮箱
回到顶部