电脑桌面
添加小米粒文库到电脑桌面
安装后可以在桌面快捷访问

10.工艺管道施工方案VIP免费

10.工艺管道施工方案_第1页
1/13
10.工艺管道施工方案_第2页
2/13
10.工艺管道施工方案_第3页
3/13
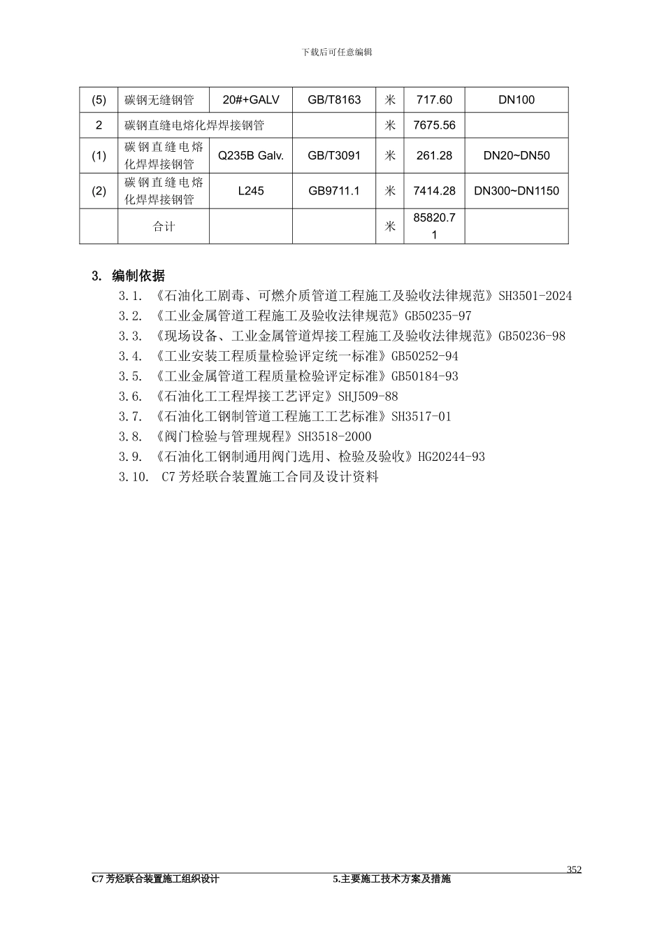
下载后可任意编辑5.1.2.8 工艺管道安装施工方案1. 概述芳烃联合装置中共有管道 85800 多米,管道安装的工作量大。主要涉及的材质有 : 碳 钢20# 、 20G 、 Q235B 、 L245 、 A335 P22 、 A691 2 1/4CrCL22、00Cr19Ni10、0Cr18Ni10Ti 等。芳烃联合装置属甲类生产装置,主要危险介质为甲类可燃气体、氢气及甲 B 类可燃液体,如苯、甲苯、二甲苯等。管道焊接质量要求高,焊接难度大。由于本装置工期紧任务重,管道安装时间短,需提前做好管道的预制工作,建立管道预制加工厂,投入大量的管工、管道焊工及配套工种和良好的施工机械才能保证管道安装的工期目标。2. 主要工作量序号管道类型材质制造标准单位数量备注一不锈钢管子米809.41不 锈 钢 无 缝 钢管00Cr19Ni10GB/T14976米248.9DN20~DN402不 锈 钢 无 缝 钢管0Cr18Ni10TiGB/T14976米560.5DN80~DN300二合金钢管子792.31合金钢无缝管P22ASTM A335米371.45DN20~DN4002合 金 钢 直 缝 电熔 化 焊 焊 接 钢管2 1/4Cr CL22ASTM A691米420.85DN600~DN750三碳钢管子米84219.011碳钢无缝钢管米76543.45(1)碳钢无缝钢管20#GB/T8163米62454.2DN20~DN500(2)碳钢无缝钢管20#GB9948米149.96DN15/DN150(3)碳钢无缝钢管20#GB3087米11053.25DN20~DN250(4)碳钢无缝钢管20GGB5310米2168.44DN15~DN300C7 芳烃联合装置施工组织设计 5.主要施工技术方案及措施351下载后可任意编辑(5)碳钢无缝钢管20#+GALVGB/T8163米717.60DN1002碳钢直缝电熔化焊焊接钢管米7675.56(1)碳 钢 直 缝 电 熔化焊焊接钢管Q235B Galv.GB/T3091米261.28DN20~DN50(2)碳 钢 直 缝 电 熔化焊焊接钢管L245GB9711.1米7414.28DN300~DN1150合计米85820.713. 编制依据3.1. 《石油化工剧毒、可燃介质管道工程施工及验收法律规范》SH3501-20243.2. 《工业金属管道工程施工及验收法律规范》GB50235-973.3. 《现场设备、工业金属管道焊接工程施工及验收法律规范》GB50236-983.4. 《工业安装工程质量检验评定统一标准》GB50252-943.5. 《工业金属管道工程质量检验评定标准》GB50184-933.6. 《石油化工工程焊接工艺评定》SHJ509-883.7. 《石油化工钢制管道工程施工工艺标准》SH3517-013.8. 《阀门检验与管理规程》SH3518-20003.9. 《石油化工钢制通用阀门选用、检验及验收》HG20244-933.10. C7 芳烃联合装置施工合同及设计资料C7 芳烃联合装置施工组织设计 5.主要施工技术方案及措...

1、当您付费下载文档后,您只拥有了使用权限,并不意味着购买了版权,文档只能用于自身使用,不得用于其他商业用途(如 [转卖]进行直接盈利或[编辑后售卖]进行间接盈利)。
2、本站所有内容均由合作方或网友上传,本站不对文档的完整性、权威性及其观点立场正确性做任何保证或承诺!文档内容仅供研究参考,付费前请自行鉴别。
3、如文档内容存在违规,或者侵犯商业秘密、侵犯著作权等,请点击“违规举报”。

碎片内容

10.工艺管道施工方案

您可能关注的文档

确认删除?
VIP
微信客服
  • 扫码咨询
会员Q群
  • 会员专属群点击这里加入QQ群
客服邮箱
回到顶部