电脑桌面
添加小米粒文库到电脑桌面
安装后可以在桌面快捷访问

13、不合格医药器械产品的管理制度VIP免费

13、不合格医药器械产品的管理制度_第1页
1/6
13、不合格医药器械产品的管理制度_第2页
2/6
13、不合格医药器械产品的管理制度_第3页
3/6
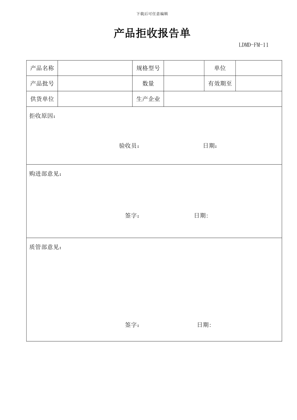
下载后可任意编辑文件名称不合格医药器械产品的管理制度文件编号LDMD-ZD-013起草部门质量管理部起草时间审 核 人审核日期批 准 人批准日期版 本第 1 版执行日期不合格医药器械产品的管理制度一、目的:对不合格医疗器械产品进行控制,确保不合格产品不入库、不出库。二、范围:适用于本公司入库验收、在库养护、出库复核和销售过程中发现的不合格医疗器械产品的管理。三、职责:质管、购进、销售、仓储、财务部门对本制度的实施负责。四、内容:5.1 定义:不合格医疗器械产品系指产品质量(包括外观质量、包装质量和内在质量)不符合医疗器械产品标准和有关规定的产品。5.2 对于不合格医疗器械产品,不得购进和销售。5.2.1 在医疗器械产品购进入库验收时,如发现不符合有关规定,验收员应填写拒收报告,报质管部和购进部;并按有关规定进行退货处理。5.2.2 在库养护检查中,经质管部复核确认为不合格的医疗器械产品,应移入红色标志的不合格品区,并停止销售发货。5.2.3 对于售后使用过程中出现一般质量问题的医疗器械产品,由质管部与客户协商处理。对于售后临床使用过程中出现热源反应、过敏反应和重大质量事故的产品,须暂停销售使用该产品,并立即报告质管部进行处理;质管部调查核实后,应发文回收该产品,并按规定向食品药品监督管理部门报告。5.2.4 出库复核过程中发现质量疑问的医疗器械产品,应报告质管部处理。必要时,应抽样送法定医疗器械检验机构检验。在未明确是否合格时,该产品(包括库存产品)应暂停销售和使用。5.3 对于确定为不合格的医疗器械产品,责任在本公司的,填写《不合格产品报损审批表》报质管部、购进部、财务部及总经理审批,进行销毁处理。并做好记录。5.5 属于不合格且无使用价值的特别医疗器械产品,必须清点登记,列表逐级上报当地下载后可任意编辑食品药品监督管理部门,在质管部和当地食品药品监督管理部门的监督下集中销毁,并有监毁记录,监毁人员签字。5.6 销毁工作应由熟知所销毁产品的性能结构及组成的人员指导,要估量到销毁过程中可能发生的不良反应及结果。5.8 对不合格医疗器械产品的确认、报告、报损、销毁应有完善的手续和记录。五、相关记录 编 号1 产品拒收报告单LDMD-FM-11 2 不合格产品统计表LDMD-FM-12 3 不合格产品报损审批表LDMD-FM-134 不合格医疗器械产品销毁记录LDMD-FM-14下载后可任意编辑产品拒收报告单LDMD-FM-11产品名称规格型号单位产品批号数量有效期至...

1、当您付费下载文档后,您只拥有了使用权限,并不意味着购买了版权,文档只能用于自身使用,不得用于其他商业用途(如 [转卖]进行直接盈利或[编辑后售卖]进行间接盈利)。
2、本站所有内容均由合作方或网友上传,本站不对文档的完整性、权威性及其观点立场正确性做任何保证或承诺!文档内容仅供研究参考,付费前请自行鉴别。
3、如文档内容存在违规,或者侵犯商业秘密、侵犯著作权等,请点击“违规举报”。

碎片内容

13、不合格医药器械产品的管理制度

您可能关注的文档

确认删除?
VIP
微信客服
  • 扫码咨询
会员Q群
  • 会员专属群点击这里加入QQ群
客服邮箱
回到顶部