电脑桌面
添加小米粒文库到电脑桌面
安装后可以在桌面快捷访问

18#地下车库模板支撑体系施工方案-secretVIP专享VIP免费

18#地下车库模板支撑体系施工方案-secret_第1页
1/14
18#地下车库模板支撑体系施工方案-secret_第2页
2/14
18#地下车库模板支撑体系施工方案-secret_第3页
3/14
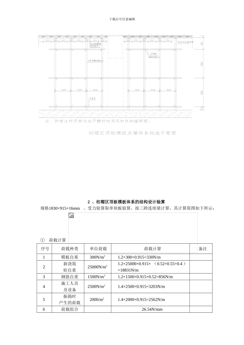
下载后可任意编辑一、编制依据及说明1 、编制依据(1 )地下车库施工图及施工现场实际情况。(2 )本项目施工组织设计。(3 )《建筑施工手册 ( 第四版) 》。(4 )《建筑施工扣件式钢管脚手架安全技术法律规范(JGJ130-2001 )》。(5 )《建筑施工高处作业安全技术法律规范》(JGJ80-91 )(6 )《建筑施工安全检查标准》(JGJ59-99 )(7 )《钢管脚手架扣件》(GB 15831-2024 )(8 )《混凝土模板用胶合板模板(GB/T17656-1999)》(9 )《大庆市建筑工程危险性较大工程专项施工方案编制及专家论证审查实施细则》的通知) 。(10)大庆市建筑工程局文件2 、编制说明本方案仅为地下车库厚大顶板、梁的模板支撑体系的专项施工方案,地下车库的墙体及框架柱模板设计另见《地下车库模板分项工程施工方案》。地下车库的墙体及顶板及柱砼采纳一次性浇筑成型的施工工艺,便于顶板竖向支撑立杆可与其固结牢固,以增加整体刚度。二、工程概况地下车库总建筑面积约为22500 ㎡,其室内结构净高均为4500mm ,具体参见下述:三、模板及支撑方案设计(一)顶板模板顶板模板设计按有柱帽设计:顶板厚度为400mm1 、顶板模板设计(1 )模板选择顶板模板采纳18mm 厚木质胶合板,规格为1830×915mm ,板材粘结剂为溶剂型。在进行受力验算时,取板厚为16mm 。模板拼缝处选用50×100mm 木方,背楞选用50×100mm 木方,间距250mm。(2 )支撑体系顶板模板支撑系统采纳φ48×3.5 钢管扣件式满堂脚手架,板下竖向钢管支撑纵横向间距600×600 ,扫地杆离地175 ,水平横杆步距自下而上为别为1500、1500、525 。(3 )柱帽区顶板模板支撑体系构造图下载后可任意编辑2 、柱帽区顶板模板体系的结构设计验算规格1830×915×16mm。受力验算取单块板验算,按三跨连续梁计算,其计算简图如下所示: ①荷载计算序号荷载种类单位荷载荷载计算备注1模板自重300N/m21.2×300×0.915=330N/m2新浇筑砼自重25000N/m31.2×25000×0.915× (0.52×0.55+0.4 )=18831N/m3钢筋自重1500N/m31.2×1500×0.915×0.52=856N/m4施工人员及设备2500N/m21.4×2500×0.915=3203N/m5振捣时产生的荷载2000/m21.4×2000×0.915=2562N/m6荷载组合26.54N/mm下载后可任意编辑面板截面抵抗矩W=1/6×bh2 =(1/6)×915×162 =3.90×104mm3面板弹性模量E=5850N/mm2I=(1/12 )bh3 =(1/12)×915mm×(16mm )3=3.12×105mm4面板容许抗变强度fm=10N/ mm2② 强度验...

1、当您付费下载文档后,您只拥有了使用权限,并不意味着购买了版权,文档只能用于自身使用,不得用于其他商业用途(如 [转卖]进行直接盈利或[编辑后售卖]进行间接盈利)。
2、本站所有内容均由合作方或网友上传,本站不对文档的完整性、权威性及其观点立场正确性做任何保证或承诺!文档内容仅供研究参考,付费前请自行鉴别。
3、如文档内容存在违规,或者侵犯商业秘密、侵犯著作权等,请点击“违规举报”。

碎片内容

18#地下车库模板支撑体系施工方案-secret

确认删除?
VIP
微信客服
  • 扫码咨询
会员Q群
  • 会员专属群点击这里加入QQ群
客服邮箱
回到顶部