电脑桌面
添加小米粒文库到电脑桌面
安装后可以在桌面快捷访问

19-2自动扶梯安装施工方案1VIP免费

19-2自动扶梯安装施工方案1_第1页
1/11
19-2自动扶梯安装施工方案1_第2页
2/11
19-2自动扶梯安装施工方案1_第3页
3/11
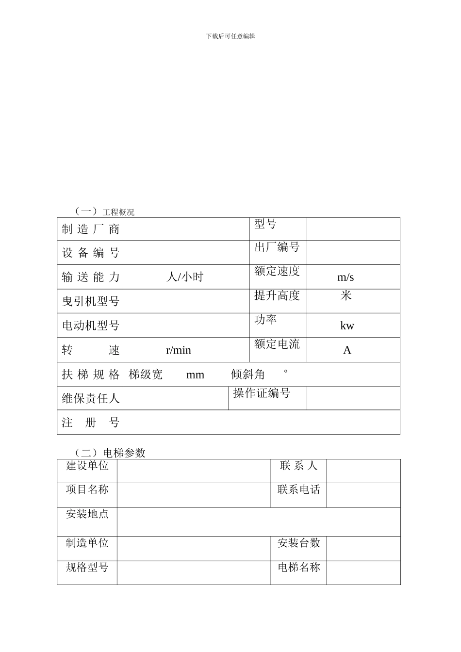
下载后可任意编辑无锡杭奥电梯安装有限公司自动扶梯、自动人行道安装施工方案文件 编号: Q/WXHADT-331-03 受控状态: 分 发 号: 2024 年 7 月 18 日发布 2024 年 7 月 18 日实施编审页编制:下载后可任意编辑审核:批准:目 录一、概况二、自动扶梯(人行道)安装流程图三、人员组织四、质量要求五、安全要求六、机具配置七、吊装方式八、自动扶梯(人行道)安装进度表下载后可任意编辑(一)工程概况制 造 厂 商型号设 备 编 号出厂编号输 送 能 力 人/小时额定速度 m/s曳引机型号提升高度 米电动机型号功率 kw转 速 r/min额定电流 A 扶 梯 规 格 梯级宽 mm 倾斜角 °维保责任人操作证编号注册号(二)电梯参数建设单位 联 系 人项目名称 联系电话 安装地点制造单位 安装台数 规格型号 电梯名称 下载后可任意编辑安装单位 负 责 人 施工日期安装周期 二、自动扶梯(自动人行道)安装流程图 调试试运行 整机验收熟悉图纸及技术资料讨论电梯安装项目制定安装计划准备工具、备件、材料出示电梯标识控制、电梯清理工作、工具现场、材料进场起重就位部件安装 清理、润滑下载后可任意编辑交付使用 三、人员组织1、施工场地负责人 姓名 2、安全员 姓名 3、检验员 姓名 4、电工 姓名 5、焊工 姓名 6、架子工 姓名 7、安装工 姓名 下载后可任意编辑四、质量要求1、复测土建2、上部校准水平3、下部校准水平4、检查曳引驱动系统5、检查导轨系统6、检查梯级链涨紧力7、检查扶手带涨紧力8、安全设施检查9、扶手带与梯级速度检查10、各安全部件开关检查11、绝缘性能检查12、试运行验收13、整机检查五、安全要求1、进入现场应戴好安全帽。2、特种工作人员要求有上岗证。3、工作区内必须隔离措施,警戒措施。4、停电及通电有专人对口联络。下载后可任意编辑5、安装前做好准备工作。6、确保安装工作安全性都得到控制。六、机具配置1、电焊机;2、切割机;3、角磨机;4、手拉葫芦;5、电锤;6、手枪钻;7、钳工、电工工具;8、万用表;9、钳形电流表;10、绝缘电阻仪;11、接地电阻测试;12、磁力现锤;13、游标卡尺;14、管形测力计;15、安全帽;16、安全网;17、安全带。下载后可任意编辑七、吊装方式1、吊挂的受力点必须在自动扶梯两端的支承角钢上起吊螺栓或吊脚上。严禁撞击自动扶梯其它部位,拉动和抬高自动扶梯时一律不得使其他部位受力。2、所用起重设备的各项参数,使用的各...

1、当您付费下载文档后,您只拥有了使用权限,并不意味着购买了版权,文档只能用于自身使用,不得用于其他商业用途(如 [转卖]进行直接盈利或[编辑后售卖]进行间接盈利)。
2、本站所有内容均由合作方或网友上传,本站不对文档的完整性、权威性及其观点立场正确性做任何保证或承诺!文档内容仅供研究参考,付费前请自行鉴别。
3、如文档内容存在违规,或者侵犯商业秘密、侵犯著作权等,请点击“违规举报”。

碎片内容

19-2自动扶梯安装施工方案1

确认删除?
VIP
微信客服
  • 扫码咨询
会员Q群
  • 会员专属群点击这里加入QQ群
客服邮箱
回到顶部