电脑桌面
添加小米粒文库到电脑桌面
安装后可以在桌面快捷访问

分布式光伏并网工程调试报告VIP免费

分布式光伏并网工程调试报告_第1页
1/6
分布式光伏并网工程调试报告_第2页
2/6
分布式光伏并网工程调试报告_第3页
3/6
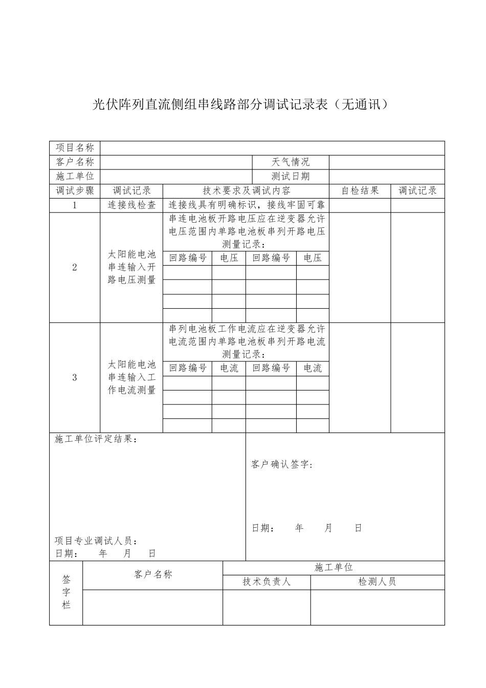
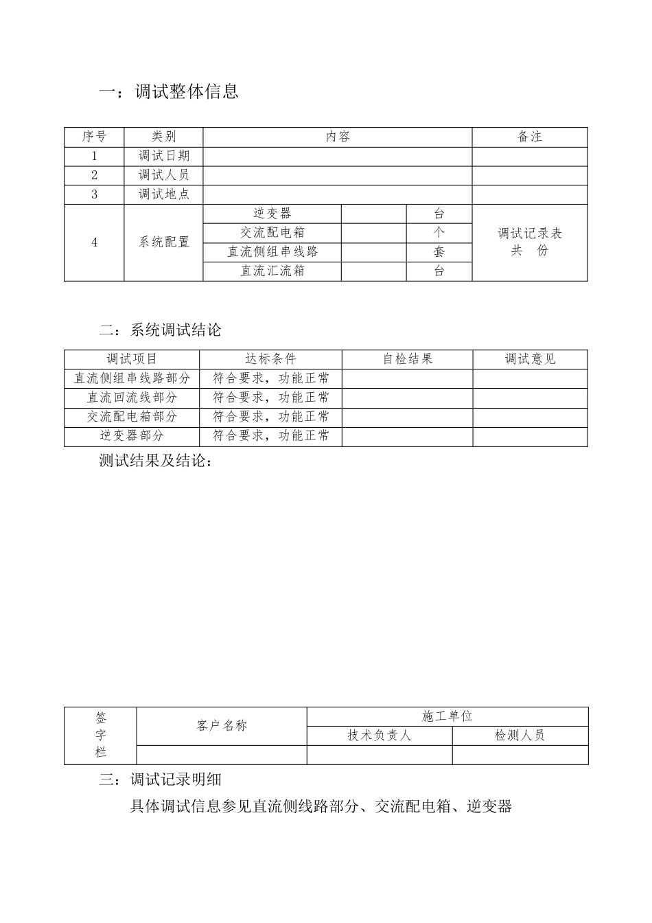
分布式电源并网前单位工程 调 试 报 告(记录) 项目名称: 客户名称: 施工单位: 调试日期: 一:调试整体信息 序号 类别 内容 备注 1 调试日期 2 调试人员 3 调试地点 4 系统配置 逆变器 台 调试记录表 共 份 交流配电箱 个 直流侧组串线路 套 直流汇流箱 台 二:系统调试结论 调试项目 达标条件 自检结果 调试意见 直流侧组串线路部分 符合要求,功能正常 直流回流线部分 符合要求,功能正常 交流配电箱部分 符合要求,功能正常 逆变器部分 符合要求,功能正常 测试结果及结论: 三:调试记录明细 具体调试信息参见直流侧线路部分、交流配电箱、逆变器 签 字 栏 客户名称 施工单位 技术负责人 检测人员 光伏阵列直流侧组串线路部分调试记录表(无通讯) 项目名称 客户名称 天气情况 施工单位 测试日期 调试步骤 调试记录 技术要求及调试内容 自检结果 调试记录 1 连接线检查 连接线具有明确标识,接线牢固可靠 2 太阳能电池串连输入开路电压测量 串连电池板开路电压应在逆变器允许电压范围内单路电池板串列开路电压测量记录: 回路编号 电压 回路编号 电压 3 太阳能电池串连输入工作电流测量 串列电池板工作电流应在逆变器允许电流范围内单路电池板串列开路电流测量记录: 回路编号 电流 回路编号 电流 施工单位评定结果: 项目专业调试人员: 日期: 年 月 日 客户确认签字: 日期: 年 月 日 签 字 栏 客户名称 施工单位 技术负责人 检测人员 交/直流配电箱调试记录表 项目名称 客户名称 施工单位 测试日期 调试步骤 调试记录 技术要求及调试内容 自检结果 调试记录 1 设备安装固定情况 设备安装应牢固可靠,柜门开启方便 连接线情况检查 连接线路正确,接线牢固可靠 接地线检查 各接地线可靠连接,箱体连接地线并与设备接地线连接 2 断路器是否正常工作,保护功能是否可靠 断路器调试记录: 型号 是否正常 型号 是否正常 3 电涌保护器接线是否正确 4 熔断器是否正常工作,熔丝是否正常 5 监控模块是否正常工作 监控模块电源线,通讯线连接牢固,线路连接正确。 施工单位评定结果: 项目专业调试人员: 日期: 年 月 日 客户确认签字: 日期: 年 月 日 并网逆变器调试记录表 项目名称 客户名称 产品型号 施工单位 测试日期 设备厂商 天气情况 测试步骤 测试记录 技术要求及测试内...

1、当您付费下载文档后,您只拥有了使用权限,并不意味着购买了版权,文档只能用于自身使用,不得用于其他商业用途(如 [转卖]进行直接盈利或[编辑后售卖]进行间接盈利)。
2、本站所有内容均由合作方或网友上传,本站不对文档的完整性、权威性及其观点立场正确性做任何保证或承诺!文档内容仅供研究参考,付费前请自行鉴别。
3、如文档内容存在违规,或者侵犯商业秘密、侵犯著作权等,请点击“违规举报”。

碎片内容

分布式光伏并网工程调试报告

小辰2+ 关注
实名认证
内容提供者

出售各种资料和文档

确认删除?
VIP
微信客服
  • 扫码咨询
会员Q群
  • 会员专属群点击这里加入QQ群
客服邮箱
回到顶部